EasyManua.ls Logo

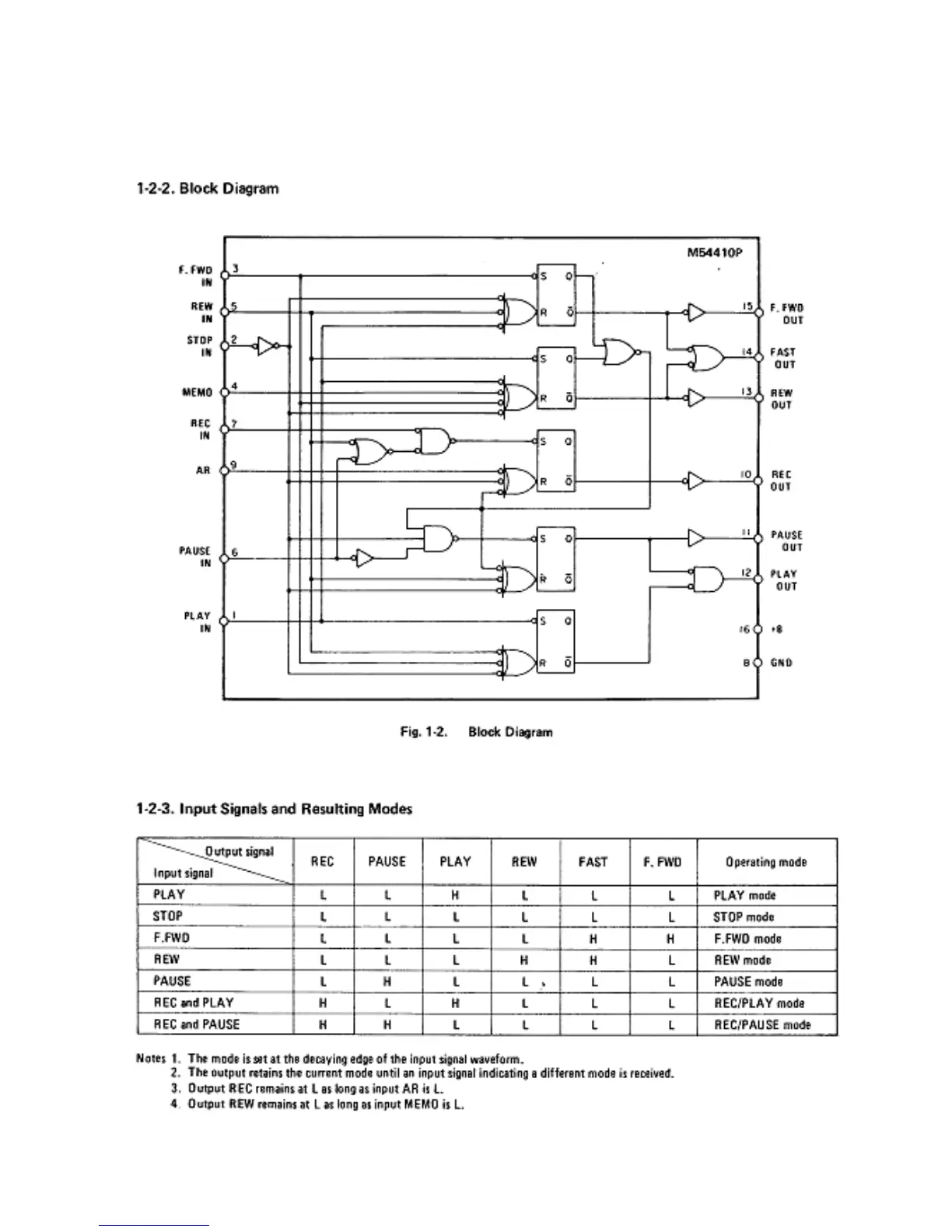
Tascam 34 - Block Diagram; Input Signals and Resulting Modes

Tascam 34
44 pages
Print Icon
To Next Page IconTo Next Page
To Next Page IconTo Next Page
To Previous Page IconTo Previous Page
To Previous Page IconTo Previous Page
Loading...
7$6&$0±0DLQWHQDQFHPDQXDO


Table of Contents

Related product manuals