EasyManua.ls Logo

Tascam DP-32SD - Power Pcb (Jog Pcb) Dp-32 Sd (1;5)

Tascam DP-32SD
32 pages
Print Icon
To Next Page IconTo Next Page
To Next Page IconTo Next Page
To Previous Page IconTo Previous Page
To Previous Page IconTo Previous Page
Loading...
X
- 16 -
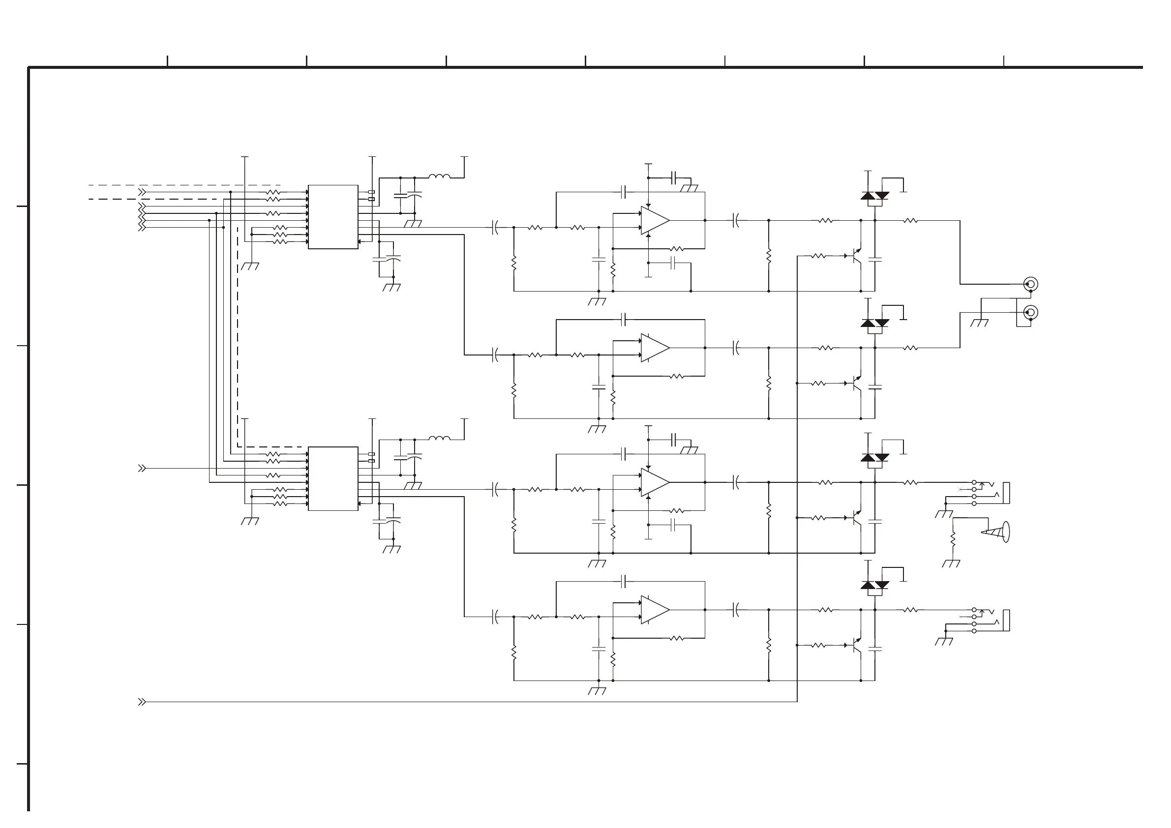
SCHEMATIC DIAGRAM
DP-24/32/32SD
Digital Portastudio DP-34/32/32SD
1 2 3 4 5 6 7 8
A
B
C
D
E
67287
*XDUGLQJ
*XDUGLQJ
())(&76(1'
())(&76(1'
67287())(&76(1'/(9(/
1RPLQDOG%9
0D[LPXPG%9
NNN[9SS !G%9
>/3)@
IF N+]
4 
6087(SLQ)/0XWH2))
$&.6SLQ)/0DQXDO6HWWLQJ0RGH
1RUPDO6SHHG0RGH
',)SLQ)+ELW,60RGH
36SLQ)+3DUDOOHO0RGH
67B2875
67B287/
()&7B6(1'
()&7B6(1'
/,1(B087(
39
39
09
09
39
09
39
09
39
09
39B$
39B$
39
09
39B$ 39B$
39B$
39B$
'$B0&/.
'$B6&/.
67B287B'7
())61'B287B'7
'$B)6
'$B3'1B%
/,1(B087(
& S&+
&
*698)0[[3
&
S)&+9
4%
,0;
&
*698)0[[3
5
N)
5
5
/(/-3$.)
5 N)
&
XY
5
N)
&
S)&+9
&
S&+
4%
,0;
'
'$1:
5N
4$
,0;
5
& X
&
XY
8
$.
0&/.
%,&.
6'7,
/5&.
3'1
6087(
$&.6
',)
36
$2875

$287/

9&20

966

9''

'=)5

'=)/

5
N
& S&+
&
*698)0[[3
& X
'
'$1:
5
5
N
8$
%$5)(
5
5 N)
&
*698)0[[3
5 )
5
N)
5
N)
5
N)
&
*698)0[[3
&
*698)0[[3
&
S&+
&
XY
&
*698)0[[3
5
N)
&
S)&+9
5
N)
5
N)
-
&3-
%
%
%
$
$
$
*
%
$
5 )
&
*698)0[[3
5
8%
%$5)(
5 N)
5
&
XY
&
S&+
5
N)
&
*698)0[[3
&
*698)0[[3
5
5
N)
&
S&+
&
*698)0[[3
& X
& S&+
5 )
8
$.
0&/.
%,&.
6'7,
/5&.
3'1
6087(
$&.6
',)
36
$2875

$287/

9&20

966

9''

'=)5

'=)/

5
N)
5N
5 )
&
S)&+9
'
'$1:
5
N
5
5
5
8%
%$5)(
/(/-3$.)
5 N
5 N)
-
<.&1
7
7
6
5
& X
5
N
5 )
5
N
&
*698)0[[3
8$
%$5)(
5 )
5
5
N
5
N
& S&+
5 )
5
N
4$
,0;
5 )
5N
'
'$1:
5
N)
POWER PCB DP-32SD (2/5)

Other manuals for Tascam DP-32SD

Related product manuals