EasyManua.ls Logo

Tascam DP-32SD - Input Board Schematic

Tascam DP-32SD
32 pages
Print Icon
To Next Page IconTo Next Page
To Next Page IconTo Next Page
To Previous Page IconTo Previous Page
To Previous Page IconTo Previous Page
Loading...
X
- 22 -
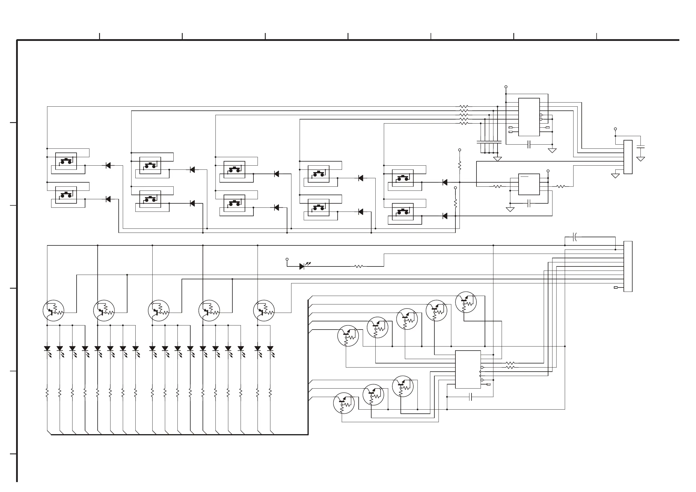
SCHEMATIC DIAGRAM
DP-24/32/32SD
Digital Portastudio DP-34/32/32SD
1 2 3 4 5 6 7 8
A
B
C
D
E
'
66
& S
4 '7&(.$
5

5

'
66
5

5 
5 
'
66
'
66
& S
4 '7&(.$
'
6/,957%
-
%+53
5

4
'7%(.
' 6/,'87%
'
6/,0*7
6 6.++$0
& S
'
6/,0*7
& (600&(786$XY3
'
66
'
6/,957%
4 '7&(.$
6 6.++$0
5

& S
5 
5 
5

5

4
'7%(.
'
6/,957%
4'7&(.$
'
6/,0*7
'
66
6 6.++$0
'
6/,957%
'
6/,957%
-
%+53
& S
&X
'
66
'
66
5

'
6/,0*7
5 
'
6/,957%
'
6/,0*7
5

4
'7%(.
6 6.++$0
&
XY
'
66
5

5

6 6.++$0
8
61/9$3:5
6 6.++$0
4 '7&(.$
6 6.++$0
8
61/9&*'&75
'
6/,0*7
4
'7%(.
5
N
6 6.++$0
8
61/9$3:5
5

5
5
'
6/,957%
4 '7&(.$
5 
5

5

'
6/,957
66.++$0
'
6/,957%
'
6/,0*7
5
N
4 '7&(.$
5

'
66
5 
5

6 6.++$0
5

& X
4 '7&(.$
'
6/,0*7
5 
'
6/,957
5

4
'7%(.
& X
,1387B)
,1387B(
,1387B'
.(<B6(/$B%
%,7B1
.(<B6(/&B%
%,7B1
.(<B6(/%B%
/('B6&$1&
/('>@
/('B2))
/('B6',
/('B&6
/('B6&.
/('
/('
/('B2))
/('B6',
2/B%B/('
2/B'B/('
2/B&B/('
2/B)B/('
2/B+B/('
2/B*B/('
2/B(B/('
/('B&6
/('
3+B(+B/('
/('
/('
3+B$'B/('
/('
/('
/('B6&.
/('
/('
2/B$B/('
/('
/('B6&$1$
/('
/('
,1B%B/('
,1B'B/('
,1B&B/('
,1B)B/('
,1B+B/('
,1B*B/('
,1B(B/('
/('
/('
/('
/('
/('
,1B$B/('
/('
/('B6&$1%
*8,7$5B/('
.(<B6(/%B%
.(<B6(/$B%
3+B$'
,1387B$
,1387B+
,1387B*
%,7
.(<B6&$1
.(<B6&$1
%,7
.(<B6(/&B%
.(<B6&$1
.(<B6&$1
.(<B6&$1
/('B9&&
/('B*1'
3+B(+
,1387B%
,1387B&
/('B9&&
/('
/('
/('
/('
/('
/('
/('
/('
39
39
39
39
39
39
72-2,173&%
72-2,173&%


*1'
<

<

<

<

<

<

<
<
$
%
&
*%
*$
*
9&&

$
*1'
<
9&&
2(
$
<
2(
6B,1

6B&/.

5(6(7

/B&/.

*

4$

4%
4&
4'
4(
4)
4*
4+
64+
9&&

*1'
INPUT PCB DP-24/32/32SD

Other manuals for Tascam DP-32SD

Related product manuals