EasyManua.ls Logo

Tascam DP-32SD - Page 8

Tascam DP-32SD
32 pages
Print Icon
To Next Page IconTo Next Page
To Next Page IconTo Next Page
To Previous Page IconTo Previous Page
To Previous Page IconTo Previous Page
Loading...
X
- 8 -
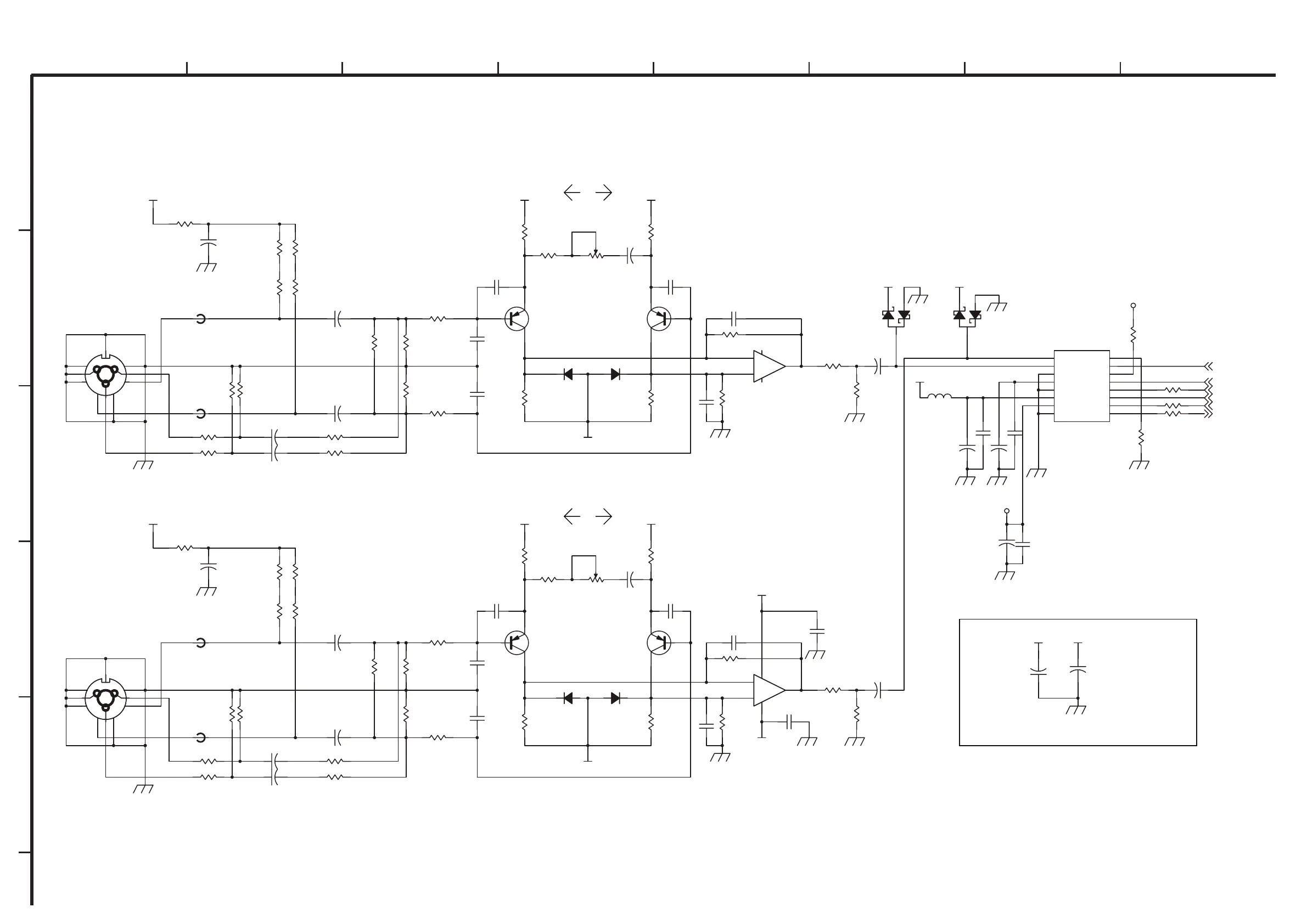
SCHEMATIC DIAGRAM
DP-24/32/32SD
Digital Portastudio DP-34/32/32SD
1 2 3 4 5 6 7 8
A
B
C
D
E
&
(*60-(7&6$XY
&
*698)0[[3
'
66
'
5%'
&
X
'
66
5
N':
63&'
-
5
N
5
&
*698)0[[3
5
;9139.7
&
(*60-)7&6$XY
&
S&+
5
.
5
10
&
(*60-(7&6$XY
55
N
5
&
(*60-(7&6$XY
& X
&XY
5
.
5 
&
S&+
&
*698)0[[3
5
N'
5 
'
66
5
N'
5
5 
& S&+
5 &
*698)0[[3
8
$.97
&
X5
N'
5
105
N'
5
N
5
N':
4
%&&*
5
N'
5
.
&
(*60-)7&6$XY
& S&+
5
&
*698)0[[3
5
N
5
:
5
N':
/
00=$%
'
66
&
*698)0[[3
4
%&&*
&
:/98)0[[3
5 N)
5
N'
&
*698)0[[3
5
&S&+
5
:
5
N':
/
00=$%
5
N'
5
:
4
%&&*
5
N'
&S&+
&S&+5
N':
5 N)
/
00=$%
5 N'
5
:
&
(*60-(7&6$XY
5 
5 N)
&
:/98)0[[3
63&'
-
&
*698)0[[3
4
%&&*
/
00=$%
8%
%$5)(
&
(*60-(7&6$XY
'
5%'
5
N'
5 
& S&+
5
N':
5

5 N)
&XY
&
S&+
8$
%$5)(
&
*698)0[[3
/
(/-3$.)
5
N':
5
N)
5
;9139.7
&
(*60-(7&6$XY
&
S&+
5

5
N'
&
S&+
5
5
N':
5 N'
5
5
N)
5
.
5
&
S&+
39 39
09
39
09
39
39B$ 39B$
39B$
39
39B
39B
09
39
39
39
09
$'B3'1
$'B6&/.
$'B0&/.
$'B)6
()B,1B'7
$'B02'(
*XDUGLQJ
,QSXW(
,QSXW)
&:
0LQ 0D[
&&:
&:
0LQ 0D[
&&:
7
5
6
*
7666
56
9&20
$,15
$,1/
9$
$*1'
&.6
9'
'*1'
6'72
/5&.

0&/.

6&/.

3'1

',)

&.6

&.6

7
5
6
*
7666
56
AUDIO PCB DP-24/32/32SD (3/4)

Other manuals for Tascam DP-32SD

Related product manuals