EasyManua.ls Logo

tau D750M - Page 8

tau D750M
Print Icon
To Next Page IconTo Next Page
To Next Page IconTo Next Page
To Previous Page IconTo Previous Page
To Previous Page IconTo Previous Page
Loading...
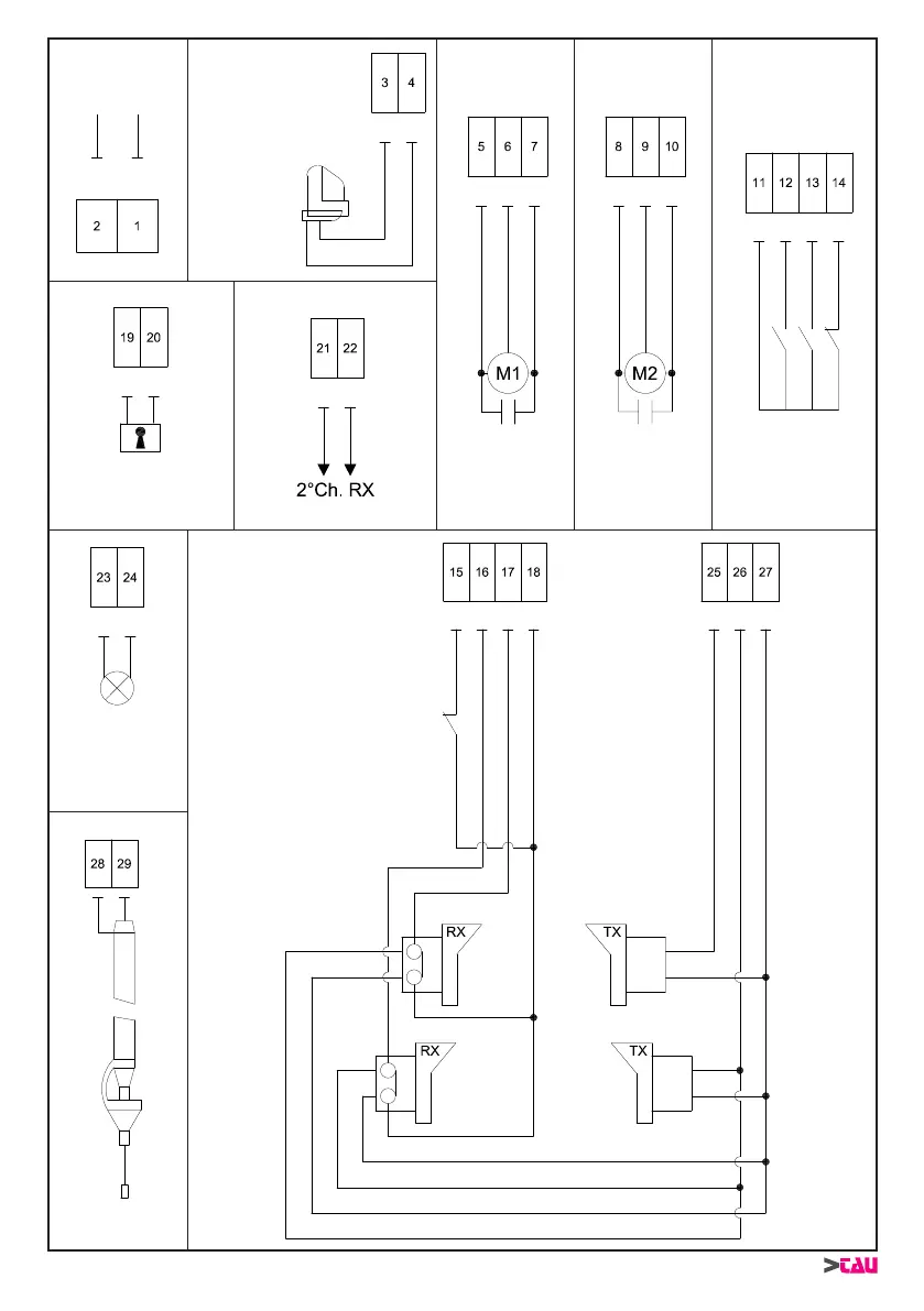
8
D750M
230 Vac
Power supply
Flashing
light
230 Vac
max. 50W
Close
Common
Open
Cap
Close
Common
Open
Cap
Common
O/C
Ped
Stop
Electric lock
12 VDC - 15 W
Gate open
warning
light
max. 3 W
Aerial
Sensitive edge
Internal photocell
External photocell
Common
Ext.
photoc.
Int.
photoc.

Related product manuals