EasyManua.ls Logo

TC FLUID CONTROL KMS-2 - Page 8

TC FLUID CONTROL KMS-2
16 pages
Print Icon
To Next Page IconTo Next Page
To Next Page IconTo Next Page
To Previous Page IconTo Previous Page
To Previous Page IconTo Previous Page
Loading...
KMS-2/Exia Transmitter
Installation and Operating Manual
ATEX
Page 6 of 13
KMS-2/Exia IOM Rev C 14/06/2018
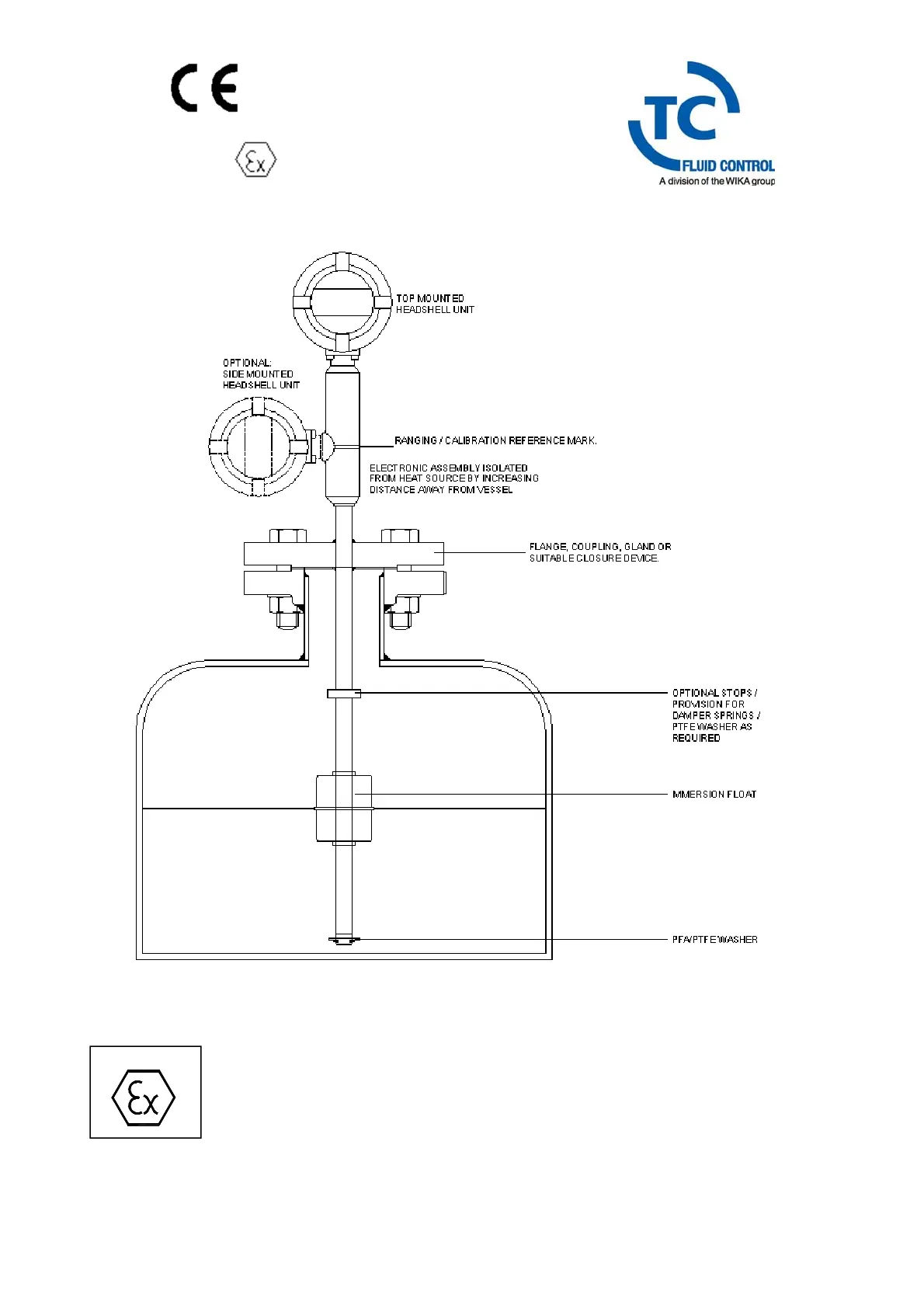
Fig 2
Immersion Application
Ensure that the PFA/PTFE washer is correctly fitted to prevent the risk of sparking if the
float was to hit the stop.
Ensure that the electronic assembly is maintained within the certified ambient temperature
range consult sales office to determine correct offset.

Other manuals for TC FLUID CONTROL KMS-2