EasyManua.ls Logo

TCL L28E3500 - Page 28

TCL L28E3500
39 pages
Print Icon
To Next Page IconTo Next Page
To Next Page IconTo Next Page
To Previous Page IconTo Previous Page
To Previous Page IconTo Previous Page
Loading...
T
T
GND
GNDGND
GND
T
GND
GND
GND
GND
GND
GND
GND
GND
T
GND
GND
.............
DESIGNATION
The JTC Summit SINGAPORE 609434
OF :
PAGE:
ON:
BY:
BY:
ON:
CHECKED
DRAWN
DATE
Last saved :
DESCRIPTION Last modifNAME
A
3 2 1
F
E
D
C
B
8 7 6 5
5
4 3 2 1
THIS DRAWING CANNOT BE COMMUNICATED TO UNAUTHORIZED PERSONS COPIED UNLES S PERMITTED IN WRITING
F
E
D
C
B
A
4678
FORMAT DIN A2
Index-Lab
SBU :
TCL Thomson Electronics Singapore Pte. Ltd.
8 Jurong Hall Road #28-01/06
Tel (65) 63092900 Fax (65) 63092999
TCLNO:
DESIGNATION
GND
GND
T
TT
GND
GND
GND GND
GND
T
CAPRFAGC
RFAGC_SENSE
UHFSUPPLY
UHFLOW
VCC2-RF
VHFHIGH
VHFSENSE
VHFLOW
VHFSUPPLY
IRQ
VSYNC
VIFAGC
VCC-IF
IFP
IFN
GND6
XTOUT2
XTOUT1
VTUNE
GND5
CAPREGVCO
VCC-SYNTH
XTALN
XTALP
GND4
SDA
SCL
GND3
TEST2
TEST1
GND2
AS_XTSEL
GND1
NC2
NC1
RFIN
VCC1-RF
CP
UHFHIGH
GND7
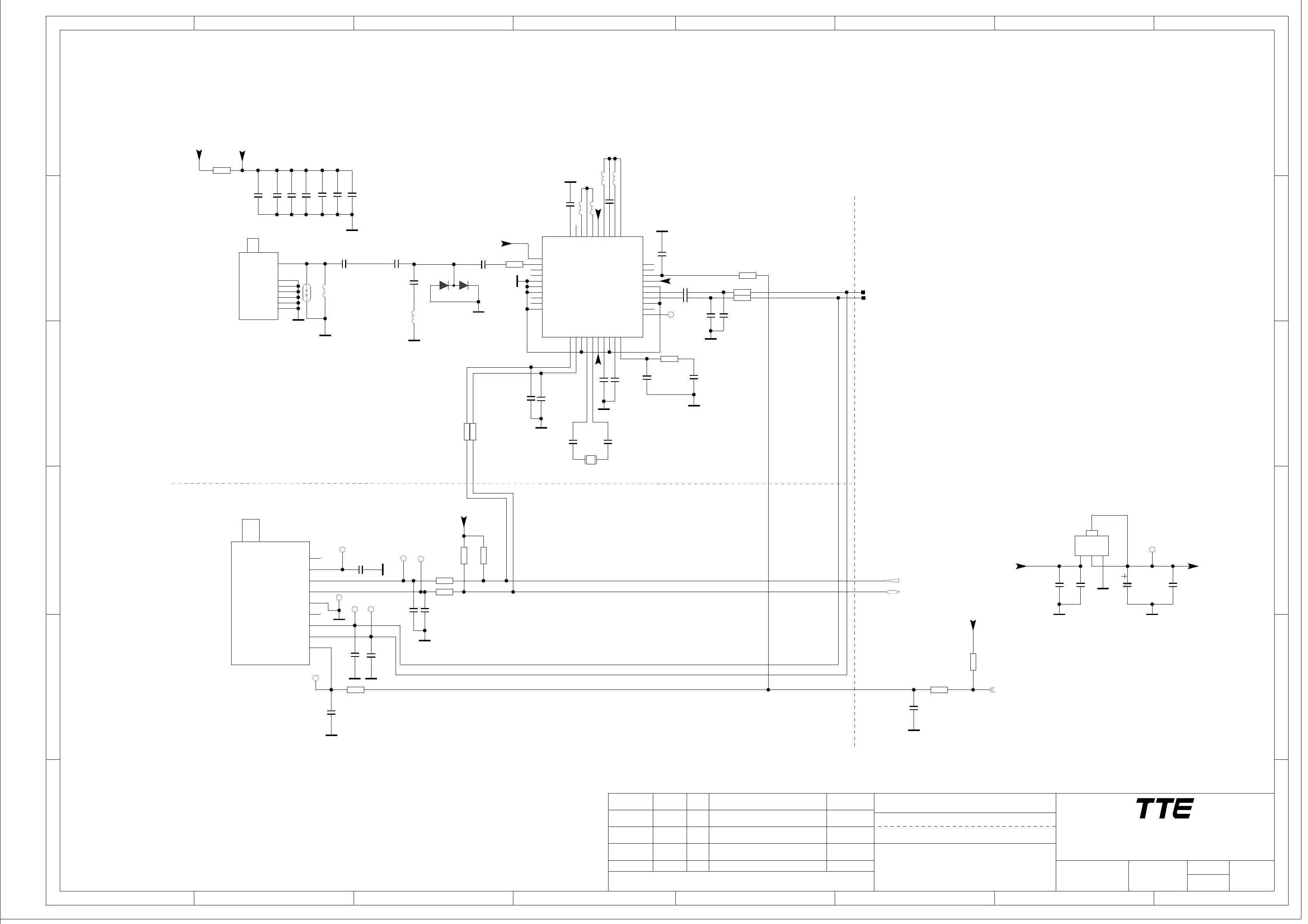
TDA18273HN
XOUT
IF_N
IF_P
ANT
SCL
3V3
SDA
GND
IF_AGC
GND
T
P
GND6
GND2
GND3
GND4
S1
GND1
GND5
GND/ADJ
OUT
VIN
4
300mA
Caution:
TU_3V3 must be from LDO
TDA18273+CAN_TUNER_ONBOARD_COMP SCH, VER1.0 2012-7-25
1
2
3
4
U201
AS1117-3.3
7
3
4
5
1
2
6
TUN1
LT6
100NH
8.2NH
LT5
0.047U
CT22
100P
CT23
IF_AGC
6800P
CT32
NC/
RT13
33R
NC/
RT12
33R
NC/
CT29
22P
NC/
VIF-
VIF+
CT37
22P
NC/
CT38
22P
NC/
CT28
22P
NC/
CT30
10U
NC/
1K
RT14
NC/
6
7
8
1
3
2
4
5
9
TUN2
NC/
16V
220U
C203
TU_3V3
5V
10K
R202
R201
10K
0.047U
C205
26
38
20
1
2
3
4
5
6
7
8
9
10
11
12
13
14
15
16
17
18
19
21
22
23
24
25
27
28
29
30
31
32
33
34
35
36
37
39
40
TDA18273HN
UT1
0.33UH
LT1
RT9
0R
RT8
0R
GND1
RT16
33R
RT2
0R
RT11
4K7
RT15
33R
TUNER_VCC
TU_3V3
0.047U
CT21
CT20
0.047U
CT18
10U
TUNER_VCC
CT24
0.047U
IF- IF+
TU3V3
1K
RT7
CT34
22P
16M
XT16M
CT10
0.1U
RT10
4K7
CT33
22P
120P
CT1 CT2
120P
CT5
0.22U
0.22U
CT13
0.22UH
LT2
FT1
Z12
CT6 0.1U
30P
CT17
CT16
30P
0.1U
CT14
CT8
10P
6800P
CT7
430R
RT6
2700P
CT12
LT4
2.4NH
2.2NH
LT3
0R
RT1
TUNER_VCC
TUNER_VCC
TUNER_VCC
150P
CT3
82P
CT4
CT15
6800P
10P
CT9
0.1U
CT11
2
3
1
0BAV99
DT1
TU_3V3
TU_3V3
CT19
0.047U
TUNER_SDA
TUNER_SCL
RF_AGC
TU_3V3
C201
10U 0.1U
C204
0.1U
C202
TU_3V3
RF_AGC
T_SCL
T_SDA
IF_AGC

Related product manuals