EasyManua.ls Logo

TDE MACNO BDF DIGITAL OPDE SD 22 - Page 23

TDE MACNO BDF DIGITAL OPDE SD 22
57 pages
Print Icon
To Next Page IconTo Next Page
To Next Page IconTo Next Page
To Previous Page IconTo Previous Page
To Previous Page IconTo Previous Page
Loading...
MP01200E00 V_1.0
21
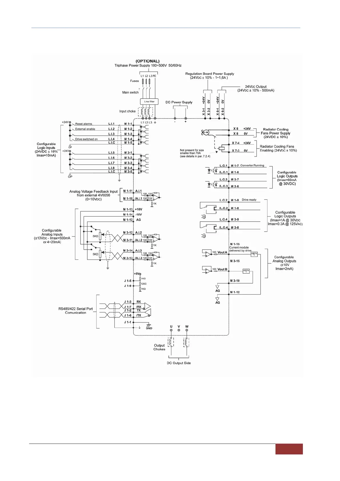
Here below, there is the list of the main power and input/output ports of OPDE DC-DC:
FIG. 8 – Electric connections

Related product manuals