EasyManua.ls Logo

Teac A-2300SR - Page 50

Teac A-2300SR
58 pages
Print Icon
To Next Page IconTo Next Page
To Next Page IconTo Next Page
To Previous Page IconTo Previous Page
To Previous Page IconTo Previous Page
Loading...
sa
fa
eee
TAC
POWER
iN}
a
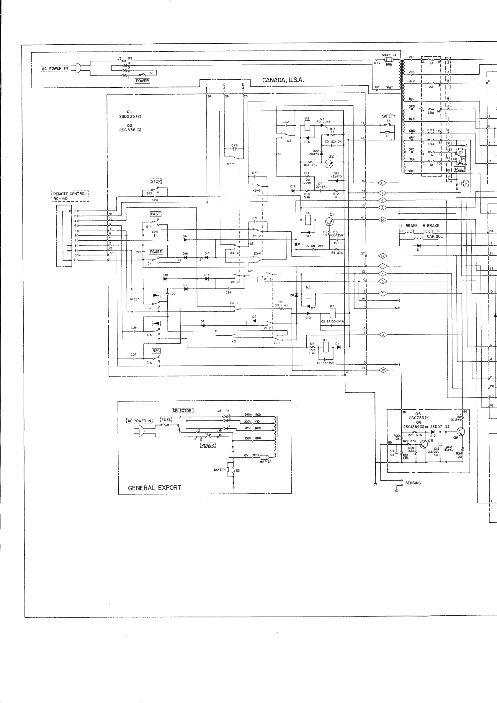
Ql
'
280235
(Y)
Q2
25C
536
(G)
|
1
SSS
Sie
Se
=
a
!
Hi
REMOTE
CONTROL
o©oMnNonv
Fwn
ee
GENERAL
EXPORT
ge
ata
CANADA,
USA.
38 26 25
Q3
FOR2B4
cs
C2
22.
Ki-2}
SA
a
a
as
22/10V
K4
750V1KU)
L.BRAKE
R.BRAKE
beset
seemed
US.
40
Q5
2SC733(Y)
Q6
25C1384(Q)
or
2SD571
(L)
~
SENSING

Related product manuals