EasyManua.ls Logo

Teac A-2300SR - Page 55

Teac A-2300SR
58 pages
Print Icon
To Next Page IconTo Next Page
To Next Page IconTo Next Page
To Previous Page IconTo Previous Page
To Previous Page IconTo Previous Page
Loading...
-808
100/'25V
CJ
RECORD
MODE
—a
RECORD
ERASE
'
X
I>
I>
o
cs02
uy
?
SWw506-2
CONTROL
(I6)
CONTROL
(41)
TAPE]
?
swsoi-2
Tsource
$w505
%
If
fa
a
So
SS
SS
SS
SSS
SS
Se
eee
c405
4200P/250V
We
O
c408
|
0.033/150V
©
13
L401
(7)
56
(IW)
ovea0s
ed
soP,
O
a
ee
ee
A
Oo
19P
(19)
19P
(17)
19P
(18)
vu2
CONTROL
(20)
CONTROL
(13)
——
CONTROL
(38)
CONTROL
(39)
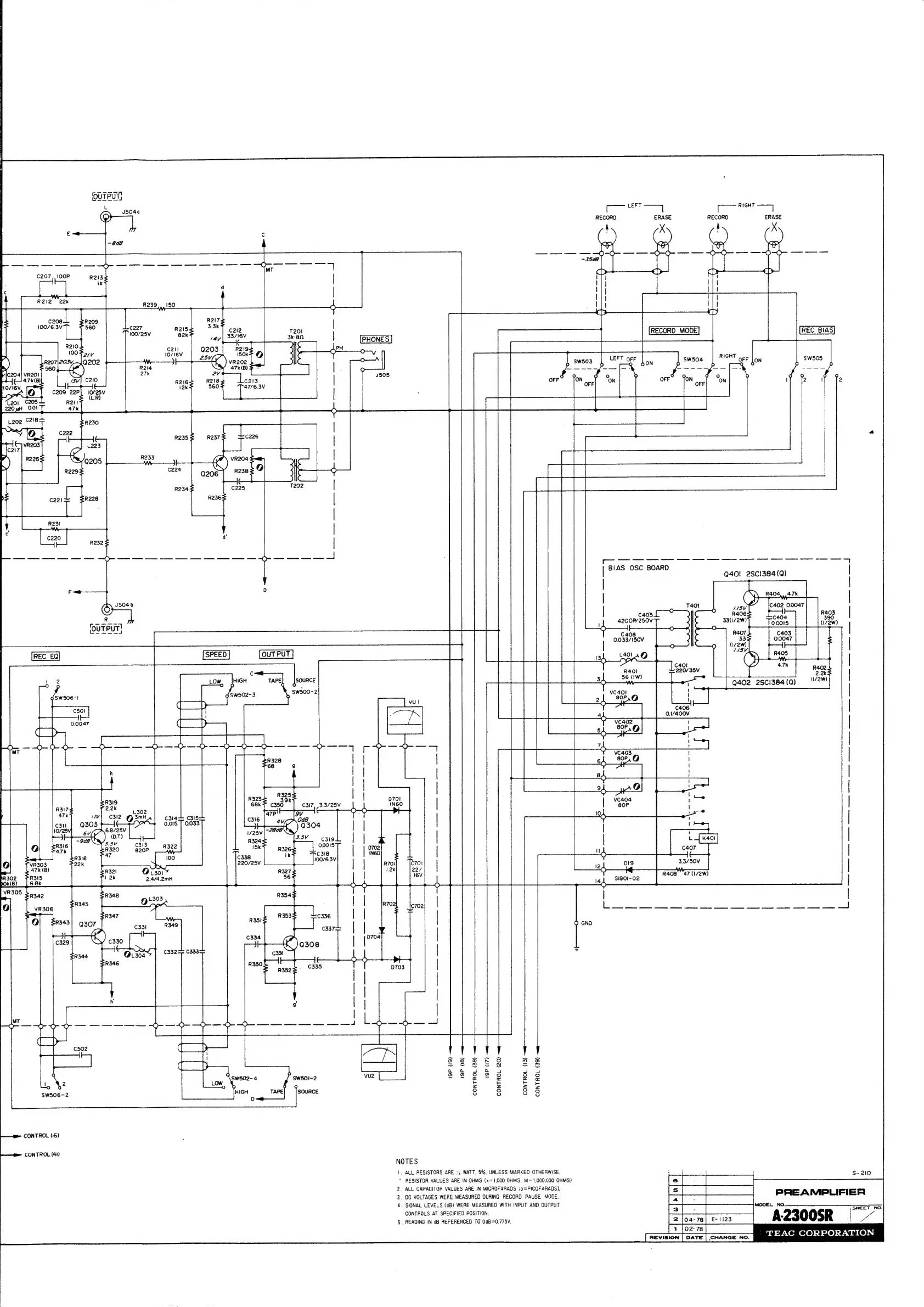
NOTES
|.
ALL
RESISTORS
ARE
:4
WATT.
5%.
UNLESS
MARKED
OTHERWISE.
*
RESISTOR
VALUES
ARE
IN
OHMS
(x=
1,000
OHMS.
M=1,000,000
OHMS)
2.
ALL
CAPACITOR
VALUES
ARE
IN
MICROFARADS
(9=PICOFARADS).
3.
OC
VOLTAGES
WERE
MEASURED
DURING
RECORD
PAUSE
MODE.
4.
SIGNAL
LEVELS
(dB)
WERE
MEASURED
WITH
INPUT
AND
OUTPUT
CONTROLS
AT
SPECIFIED
POSITION.
5.
READING
IN
d8
REFERENCED
TO
0dB=0.775V.
S-210
[sf
[|
Ee
ees
a
as
[2
loa-7e]
e123
|
PREAMPLIFIER
NO
|
SHEET
NO.
A2300SR
|
aj
rere
a
earns]
TEAC
CORPORATION

Related product manuals