EasyManua.ls Logo

Teac A-3300 - Torque Measurement Procedure

Teac A-3300
102 pages
Print Icon
To Next Page IconTo Next Page
To Next Page IconTo Next Page
To Previous Page IconTo Previous Page
To Previous Page IconTo Previous Page
Loading...
TORQUE
MEASUREMENT
PROCEDURE
Supply
and
take
up
motor
torques
should
be
within
the
limits
listed
in
the
chart
below.
BACK
TENSION
3007320
g-cm
A-3300-10,
12
TAKE
UP
TORQUE
780820
g-cm
ADJUSTMENT
LARGE
380.400
g-cm
180.210
g-cm
A-3340/A-3300-11
TAKE
UP
TORQUE
BACK
TENSION
880920
g-cm
300%320
g~cm
380%400
g-cm
170%200
g-cm
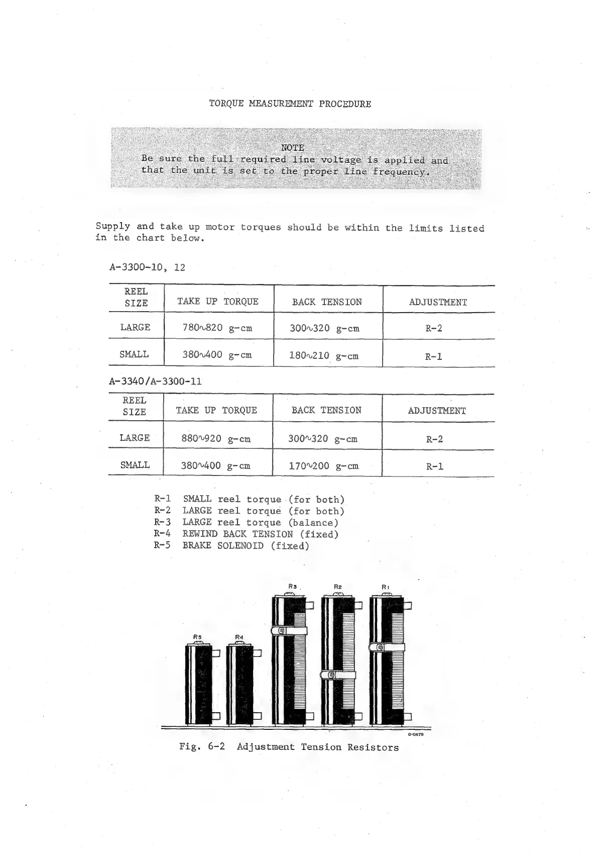
R-1
SMALL
reel
torque
(for
both)
R-2
LARGE
reel
torque
(for
both)
R-3
LARGE
reel
torque
(balance)
R-4
REWIND
BACK
TENSION
(fixed)
R-5
BRAKE
SOLENOID
(fixed)
o-0679
Fig.
6-2
Adjustment
Tension
Resistors

Related product manuals