EasyManua.ls Logo

Teac A-3300 - Page 65

Teac A-3300
102 pages
Print Icon
To Next Page IconTo Next Page
To Next Page IconTo Next Page
To Previous Page IconTo Previous Page
To Previous Page IconTo Previous Page
Loading...
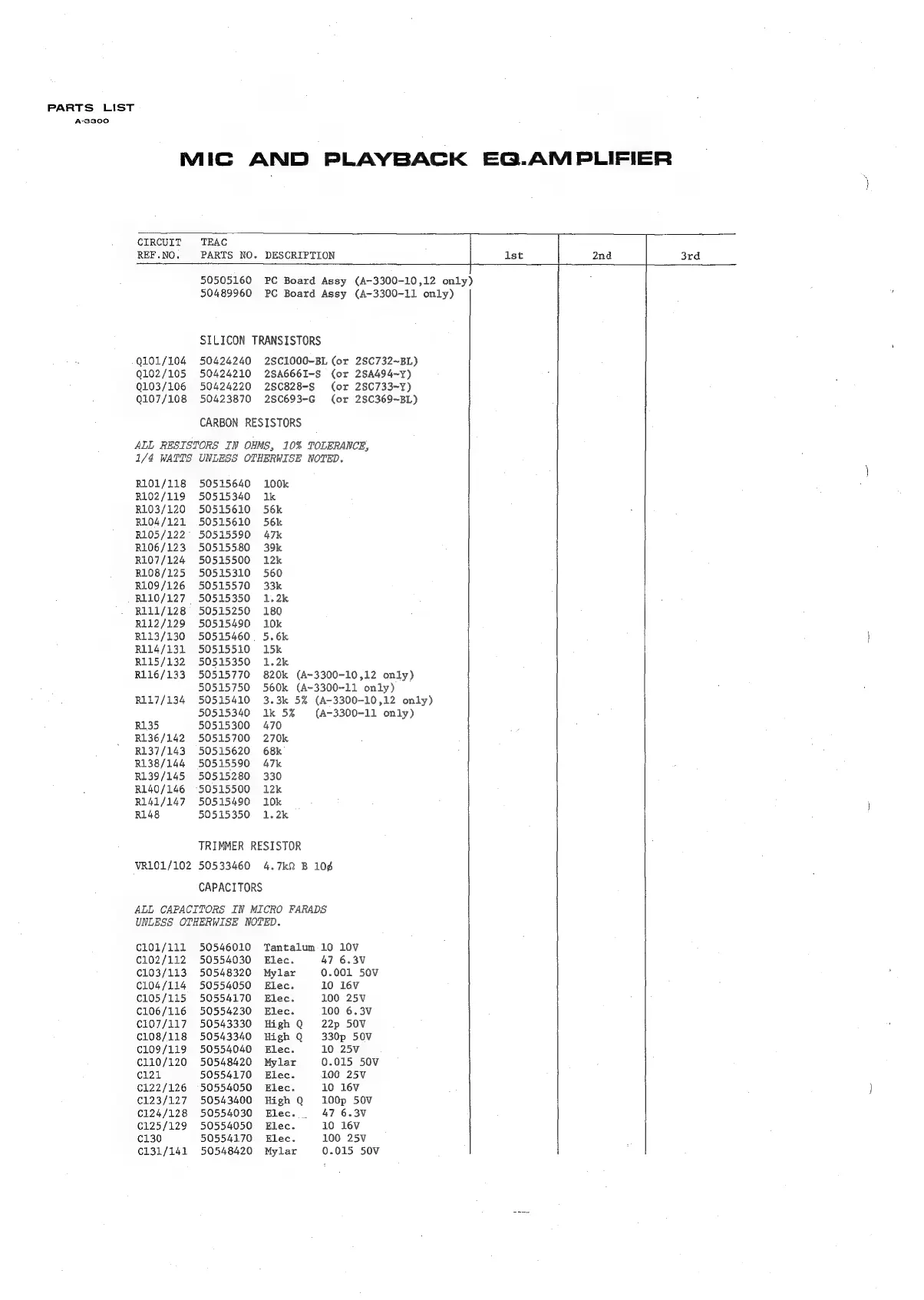
PARTS
LIST
A-3300
MIC
AND
PLAYBACK
EG.AMPLIFIER
CIRCUIT
TEAC
REF.NO.
PARTS
NO.
DESCRIPTION
ist
2nd 3rd
50505160
PC
Board
Assy
(A-3300-10,12
only)
50489960
PC
Board
Assy
(A-3300-11
only)
SILICON
TRANSISTORS
Q101/104
50424240
28C1000-BL
(or
28C732~BL)
Q102/105
50424210
2SA666I-S
(or
2SA494~Y)
Q103/106
50424220
28C828-S
(or
28C733-Y)
Ql07/108
50423870
28C693-G
(or
28C369~BL)
CARBON
RESISTORS
ALL
RESISTORS
IN
OHMS,
10%
TOLERANCE,
1/4
WATTS
UNLESS
OTHERWISE
NOTED.
R1O1/118
R102/119
R103/120
RLO4/121
R105/122°
R106/123
R107/124
R108/125
R109/126
R110/127
R111/128
R112/129
R113/130
R114/131
R115/132
R116/133
RL17/134
R135
R136/142
RL37/143
R138/144
R139/145
R140/146
R141/147
R148
50515640
50515340
50515610
50515610
50515590
50515580
50515500
50515310
50515570
50515350
50515250
50515490
50515460
|
50515510
50515350
50515770
50515750
50515410
50515340
50515300
50515700
50515620
50515590
50515280
50515500
50515490
50515350
100k
1k
56k
56k
47k
39k
12k
560
33k
1.2k
180
10k
5.6k
15k
1.2k
820k
(A~3300-10,12
only)
560k
(A~3300-11
only)
3.3k
5%
(A-3300-10,12
only)
ik
52%
(A-3300-11
only)
470
270k
68k
47k
330
12k
10k
1.2k
TRIMMER
RESISTOR
VR101/102
50533460
4.7k2
B
10¢
CAPACITORS
ALL
CAPACITORS
IN
MICRO
FARADS
UNLESS
OTHERWISE
WOTED.
C101/111
50546010
Tantalum
10
10V
€102/112
50554030
Elec.
47
6.3V
€103/113
50548320
Mylar
0.001
50V
C104/114
50554050
Elec.
10
16V
€105/115
50554170
Elec.
100
25V
C106/116
50554230
Elec.
100
6.3V
C107/117
50543330
High
Q
22p
50V
C108/118
50543340
High
Q
330p
50V
€109/119
50554040
Elec.
10
25V
C110/120
50548420
Mylar
0.015
50V
e121
50554170
Elec.
100
25V
€122/126
50554050
Elec.
10
16V
€123/127
50543400
High
Q
100p
50V
C124/128
50554030
Elec.
47
6.3V
C125/129
50554050
Elec.
10
16V
C130
50554170
Elec.
100
25V
C131/141
50548420
Mylar
0.015
50V

Related product manuals