EasyManua.ls Logo

Teac AG-D9260 - Tuner IC Details; LC72131 Block Diagram; LA1837 Block Diagram

Teac AG-D9260
32 pages
Print Icon
To Next Page IconTo Next Page
To Next Page IconTo Next Page
To Previous Page IconTo Previous Page
To Previous Page IconTo Previous Page
Loading...
18
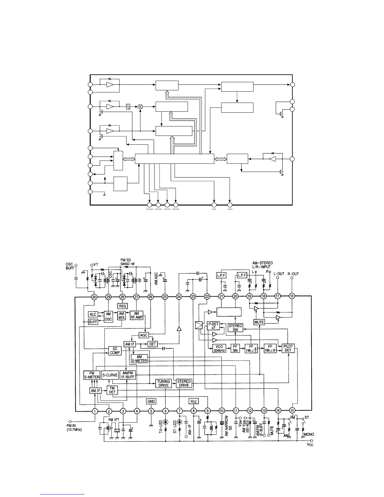
LC72131 (PLL SYNTHESIZER/ TUNER IC11)
XIN
REFERENCE
DIVIDER
SAMLLOM COUNTER
1/16, 1/17 4bits
PHASE DETECTOR
CHARGE PUMP
UNLOCK
DETECTOR
UNIVERSAL
COUNTER
POWER
ON
RESET
CCB
I/F
12bits PROGRAMMABLE
DIVIDER
DATA SHIFT REGISTER
LATCH
PD
AIN
AOUT
IFIN
XOUT
FMIN
AMIN
CE
DI
CL
DO
V
DD
VSS
BO1 BO2 BO3 BO4
I01 I02
LA1837 (MPX + IF / TUNER IC12)
AM SD
ADJ
3 rd 5 th
DECODER
ANTI-BIRDIE
FM

Related product manuals