EasyManua.ls Logo

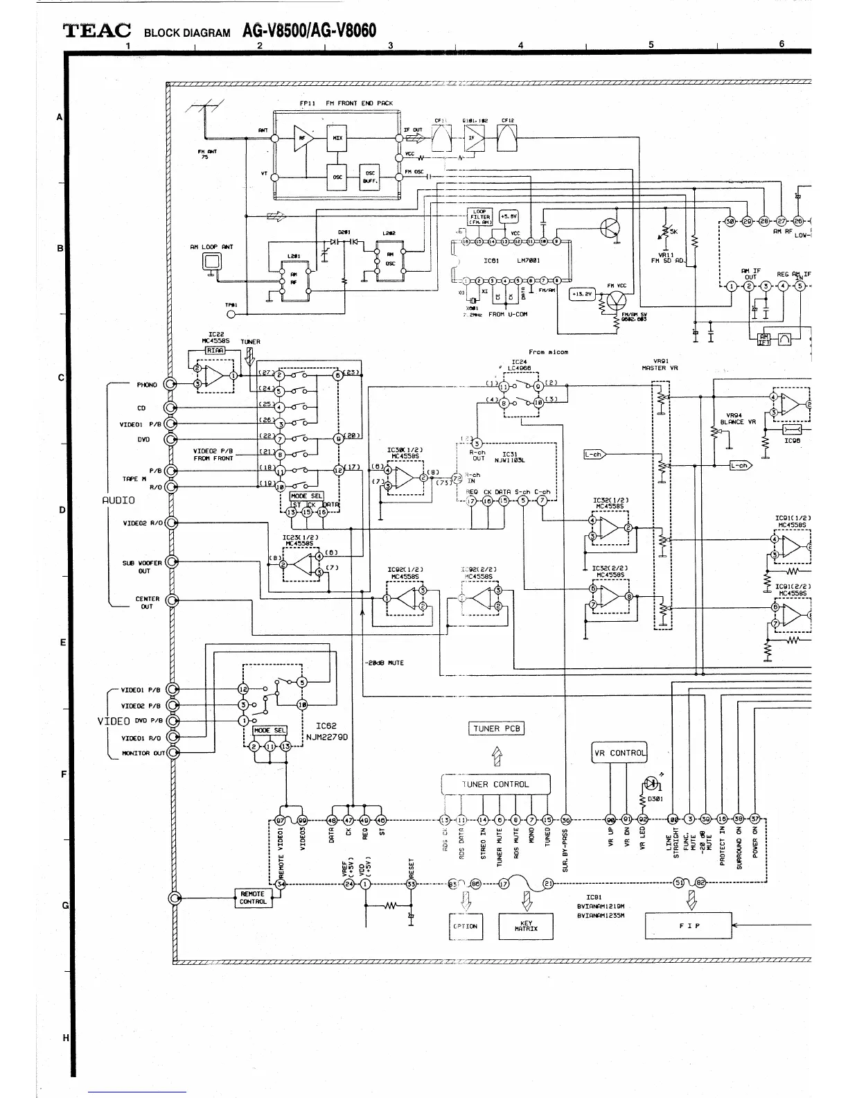
Teac AG-V8060 - TEAC Block Diagram AG-V8500;AG-V8060

Teac AG-V8060
23 pages
Print Icon
To Next Page IconTo Next Page
To Next Page IconTo Next Page
To Previous Page IconTo Previous Page
To Previous Page IconTo Previous Page
Loading...

Related product manuals