EasyManua.ls Logo

Teac BX-330 - 5 BLOCK AND LEVEL DIAGRAM; 5-1 BX-550 Signal Flow Diagram

Teac BX-330
44 pages
Print Icon
To Next Page IconTo Next Page
To Next Page IconTo Next Page
To Previous Page IconTo Previous Page
To Previous Page IconTo Previous Page
Loading...
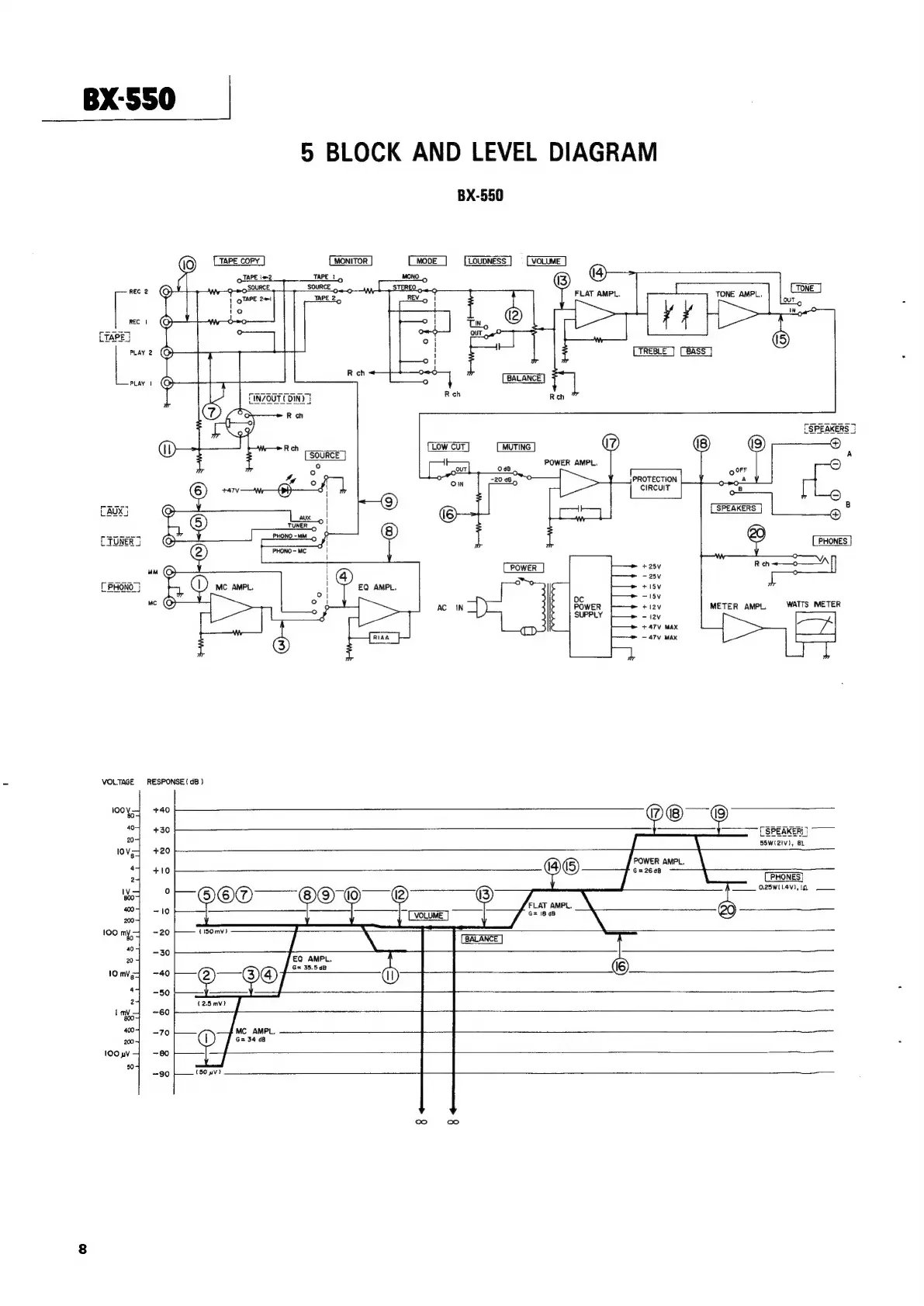
BX-550
[TAPE
COPY
|]
TAPE
je?
SOURCE
5
BLOCK
AND
LEVEL
DIAGRAM
BX-550
WG-0
OTAPE
2©1
[wooe]
[COUDNESS]
©
[VOLUME
O
MONO
_,
SOURCE
STEREO
os
~O0—-O-
O--O
TAPE
2
REV_,
!
FLAT
ioe
cS
AMPL.
in
o
(2)
é
Ort
IN
2)
(5)
H
(TREBLE)
oO!
o
o
BALANCE
Reh
Reh
TSPEAKERS
3
MUTING
]
(7)
(9)
@
:
POWER
AMPL.
out
068
ave
is
=208,
©
PROTECTION
Ok
a
CIRCUIT
o
(6)
a
+25v
oc
—15V
AC
IN
POWER
+12v
SUPPLY
Suay
+47V
MAX
2Vv
+15
—47V
MAX
R
ch-e-—o—_“A
METER
AMPL,
WATTS
METER
VOLTAGE
RESPONSE
(dB
)
1ooy
+40
80
“|
C
SPEAKERS]
ved
SSwi2tv),
8h
love
+20
.
POWER
AMPL.
|
G=26¢8
;
al
i
O.25W(1.4V),
19
eo
T
AMPL
1
FLAN
.
mo
te
=
18
6B
200-4
a
(13Omv)
100
my
-20
mi
40
-30
ba
EQ
AMPL.
G=
35.548
10
mv
—40
44-50
2
1
my
~60
4009
=
-79
-—
MC
AMPL.
wo
©
100
pv
-80
50
-90

Related product manuals