EasyManua.ls Logo

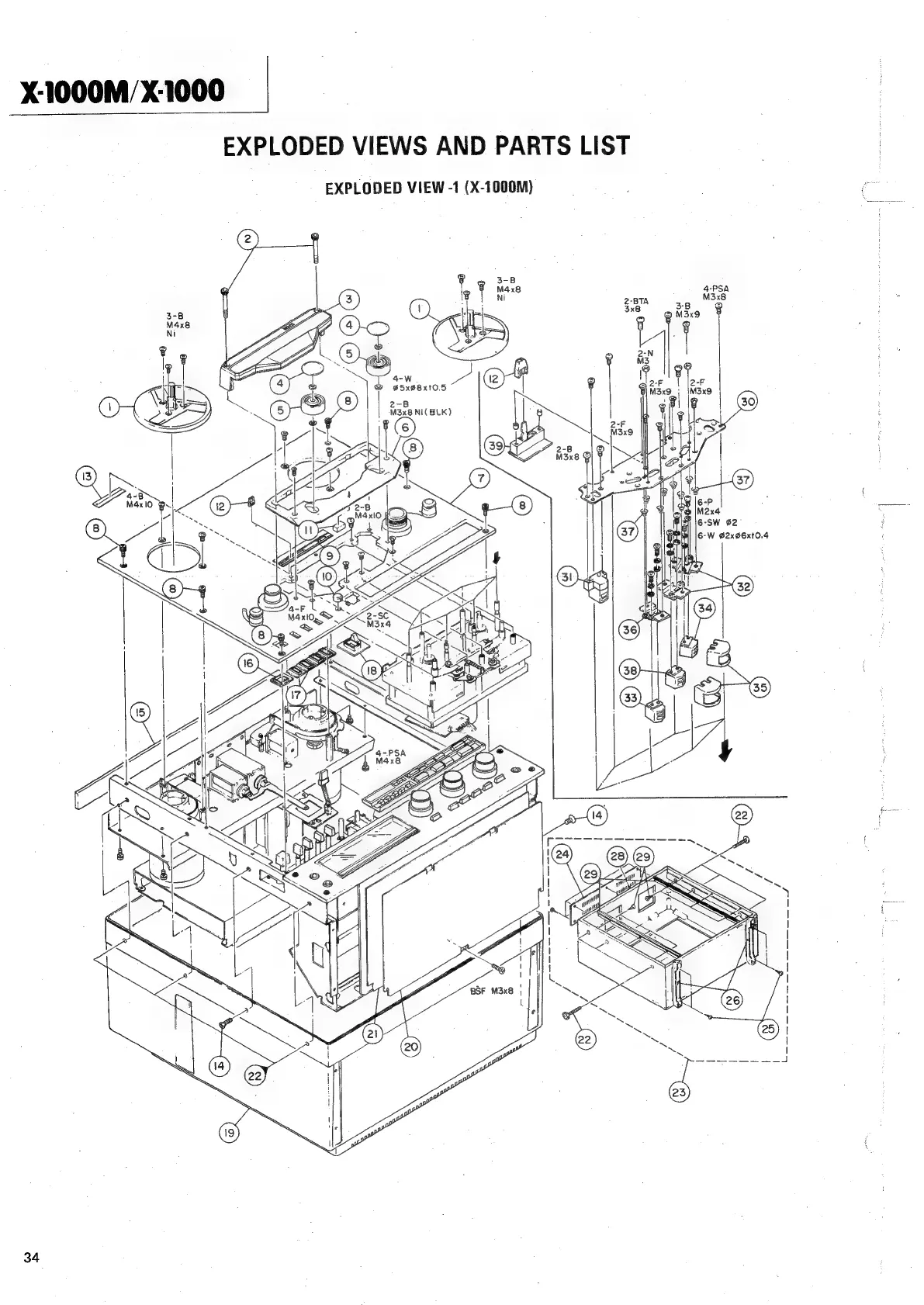
Teac X-1000M - Exploded Views and Parts List; Exploded View-1 (X-1000 M)

Teac X-1000M
71 pages
Print Icon
To Next Page IconTo Next Page
To Next Page IconTo Next Page
To Previous Page IconTo Previous Page
To Previous Page IconTo Previous Page
Loading...
x-1000M/x1000
_|
EXPLODED
VIEW
-1
(X-1000M)
EXPLODED
VIEWS
AND
PARTS
LIST
bz
=
*
o
e
bad
10
2
x
3
re)
Zz
ag
119
nue
34

Related product manuals