EasyManua.ls Logo

Teac X-1000M - Exploded View-2 (X-1000)

Teac X-1000M
71 pages
Print Icon
To Next Page IconTo Next Page
To Next Page IconTo Next Page
To Previous Page IconTo Previous Page
To Previous Page IconTo Previous Page
Loading...
so
ae
I
|
|
oS
i
as
2
Qg_
;
o—s
=_$
Pe
OF4
us
con
|
+78
«<
&
©
;
|
oo
@p—
-—-
o
%
@@——_——_,%
ro
oe
T=
So
t=
Re
@o-
@p-
n&
pst
ns
$5xG8x10.5
2-B
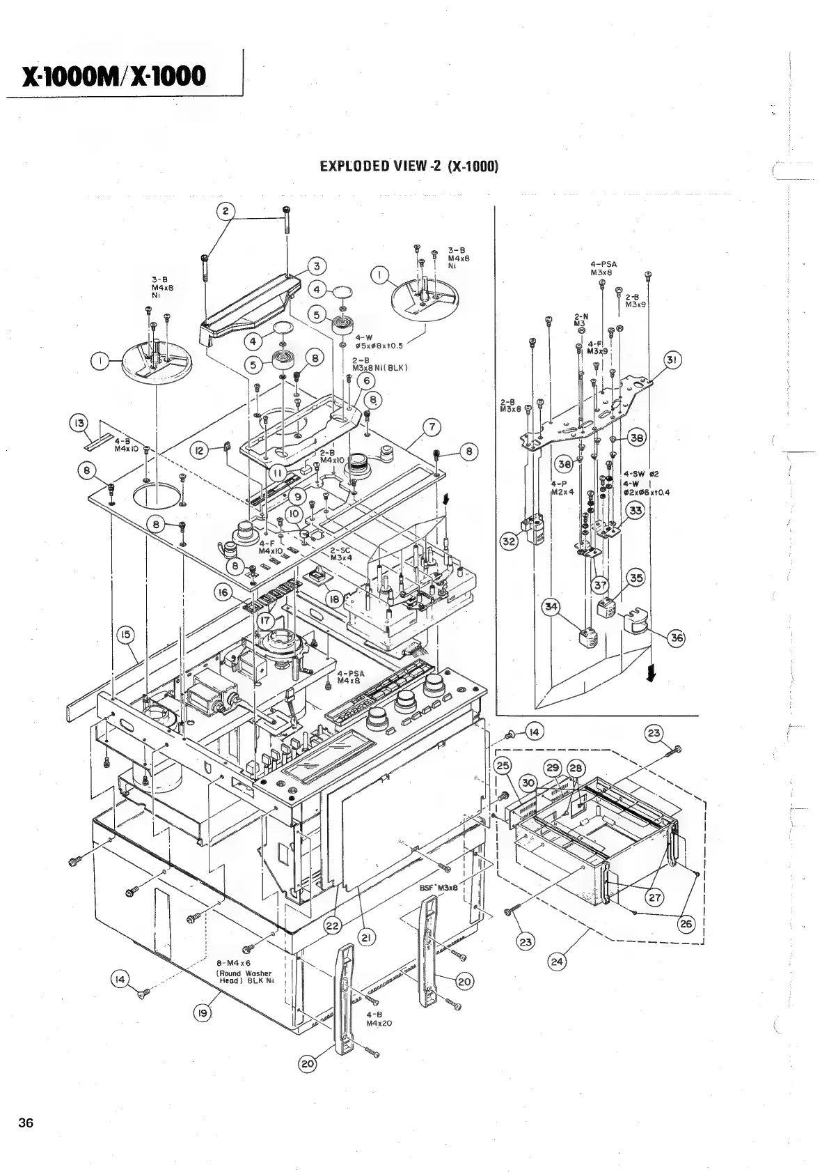
EXPLODED
VIEW
-2
(X-1000)
4-w
X-1000M/X-1000
36

Related product manuals