EasyManua.ls Logo

Teac X-2000R - Page 26

Teac X-2000R
67 pages
Print Icon
To Next Page IconTo Next Page
To Next Page IconTo Next Page
To Previous Page IconTo Previous Page
To Previous Page IconTo Previous Page
Loading...
X-2000R
26
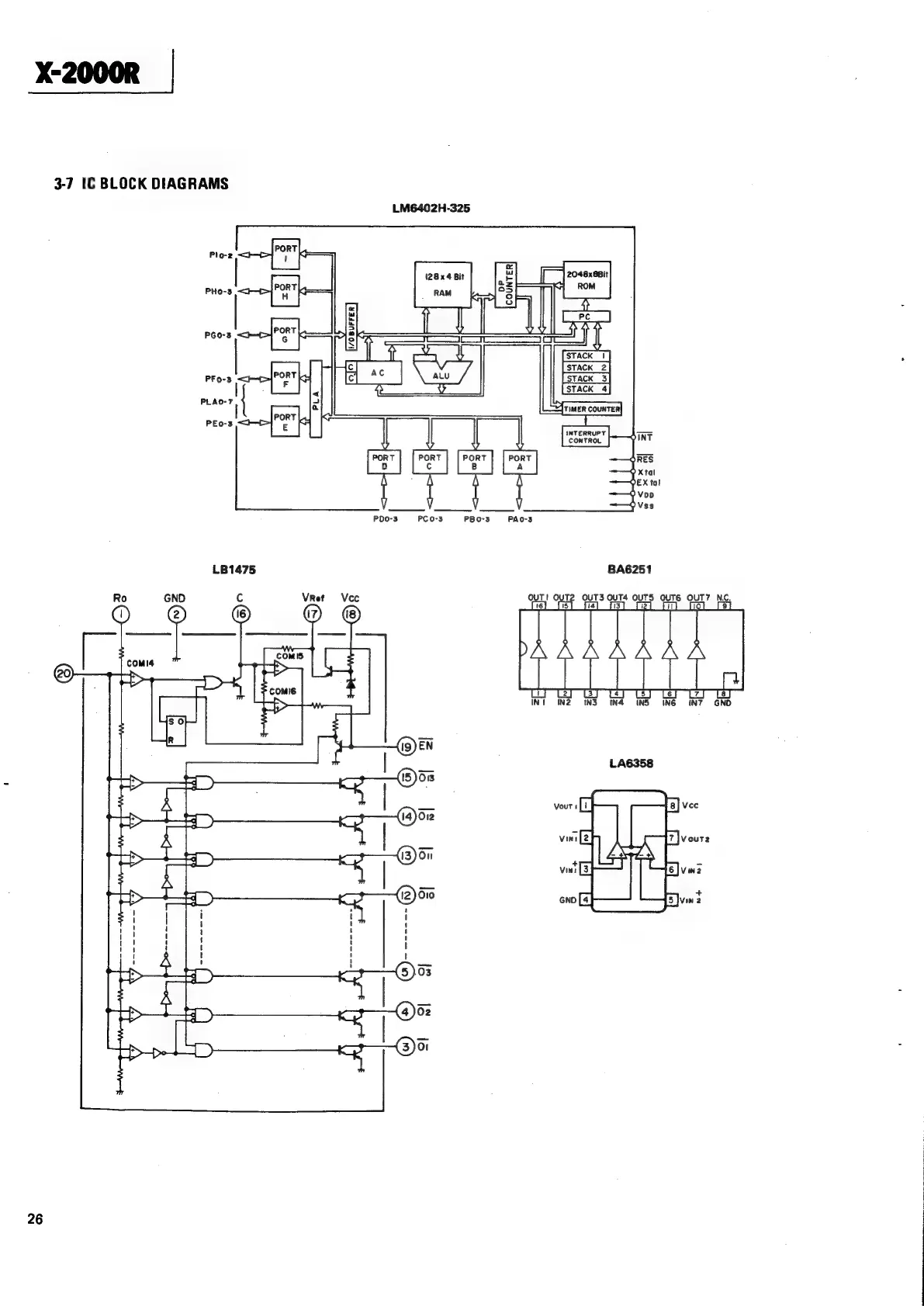
3-7
IC
BLOCK
DIAGRAMS
LM6402H-325
128x
4
Bit
a
R
So
Ky
ROM
ie
COUNTER
‘AM
fi
[|
Lie
PGo-s
<p>
PORT
|
[STACK
1]
[STACK
2|
PFo-3
<cete>|PORT
EGS
STACK
3
|
LE
«
[STACK
4|
PLAO-7
_
a
PEo-3
<->
PORT
ie
INTERRUPT
TT
ici
ial
ale
is
D
Cc
B A
Dai
i
A
\
{\
OEX
tal
VoD
V V
V
V
bvss
PDO-3
PCO-3.
=
PBO-3—
PAO-3
BA6251
181475
INT
IN2
IN3
(8)
dr
al
OO:
Oe
Q|
LSJ
IN4—INS
LA6358
|
ING
L8
|
IN7_
GND

Related product manuals