EasyManua.ls Logo

Teac Z-6000 - Page 17

Teac Z-6000
81 pages
Print Icon
To Next Page IconTo Next Page
To Next Page IconTo Next Page
To Previous Page IconTo Previous Page
To Previous Page IconTo Previous Page
Loading...
6-1
4248
1.
RHE
S
AHI
-
PL
IS
BSR
UB
oO
TORT
OT,
FAR
F—TAGtF—F
KRY
YSU
RINLOS
St
Oe
UT
PEL,
QUPRMLOBOFAPR
+
F-Te
PATSL&,
AN
LAPCBU)OEQT0wsecktit
24
y
F(CrOz,
METAL)
BAUMETALRLY
Yar:
ary
FRHEBSS
TECH
OMBICME
L
TWEE
LTS
ES.
2.
PL
TMOMBORC,
WRAY
KF,
AA
Ky
FETMPEN
ENSKINBL,
DU
PR
ULT
pau.
3.
PUCPPROW
SHARES,
Loh
RchOMUICH
Raise
>T
PAY.
:
4.
VAIHAAATVE-FVAIMQULOEDSRAL
Tre.
.
CAB=0.775V
6.
MMRICWR
LCRA
y
FRADE
DICMELCT
FEU,
i=)
6-2
BAR
Ny
Fe
Pier
ARSE
2.
RAWAL
SKI
fk
NR
SYSTEM
:
OUT
3.
EKA
inl
At
MONITOR
:
CAL
[rik
MONITOR:
Fie)
ol
a
MONITOR
:
CAL
EQ
70usectRili
Atv
F:
120
usec
(NORMAL)
-
hom
Fale
Nth
dey
b
FEE
ae
ee
TIMER
PITCH
CONT
TEST
TONE
OFF
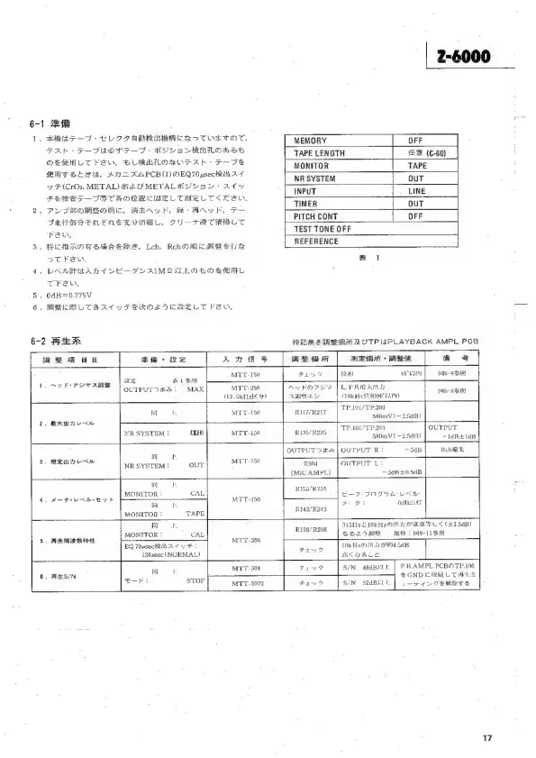
2-6000
MEMORY
TAPE
LENGTH
f£=
(C-60)
MGNITOR
NR
SYSTEM
REFERENCE
AA
tS
Ay
kOpyy
|LPiokArha
ARE
HE
#20
de
&
BREA
OTPISPLAYBACK
AMPL
PCB
mS
(a
RUSE
(LAR
+
BARE
rit
AL
:
ih
.
OLTPUTDARA+
MAX
MTT.
356
($2
5k11
21%)
OOkH
fT
4SOT
LY
MTT-150
RiigRay
|
ene
eee
alia
Seow,
580m
¥
(—2.5dB)
NR
SYSTEM
:
noB
MTT-
150
TP.MIIYTP.201
586m
¥
(-2.5aB)
R135/
R235
OUTPUT
2
4
MT.
150
,
[MIC
AMPL}
MTT-150
MTT-356
MTs-501
MTT-5072
Fry
7
oe
=
MOS
AFBLE
OUTPUT
,
OUTPUT
R:
dB
OUTPUT
L:
—SsdB=0.5¢B
RS
RYG3/
R255
E-F
SRISA-
LAW:
.
ay
Ft
MATS
ET
R143/R243
31SH2c
WkKHZO
it
K
PIBIE
EL
<
(41,508)
R108/
R208
Bk
7
sd
BLA
+
[xl6-1
15
10k
4
2e3!h
U
atts4
SAB
S/N
S2dBl
I.
45°
CIS
Id6-9
SSK
;
[aG-
8
SSA
1dB+1dB
P.B.AMPL
PCBO
TP. 106
@GND
(cteet
lL
TPES
JT
7
VFERMARTS
7

Related product manuals