EasyManua.ls Logo

TECALEMIT TEC4004 - Page 15

TECALEMIT TEC4004
53 pages
Print Icon
To Next Page IconTo Next Page
To Next Page IconTo Next Page
To Previous Page IconTo Previous Page
To Previous Page IconTo Previous Page
Loading...
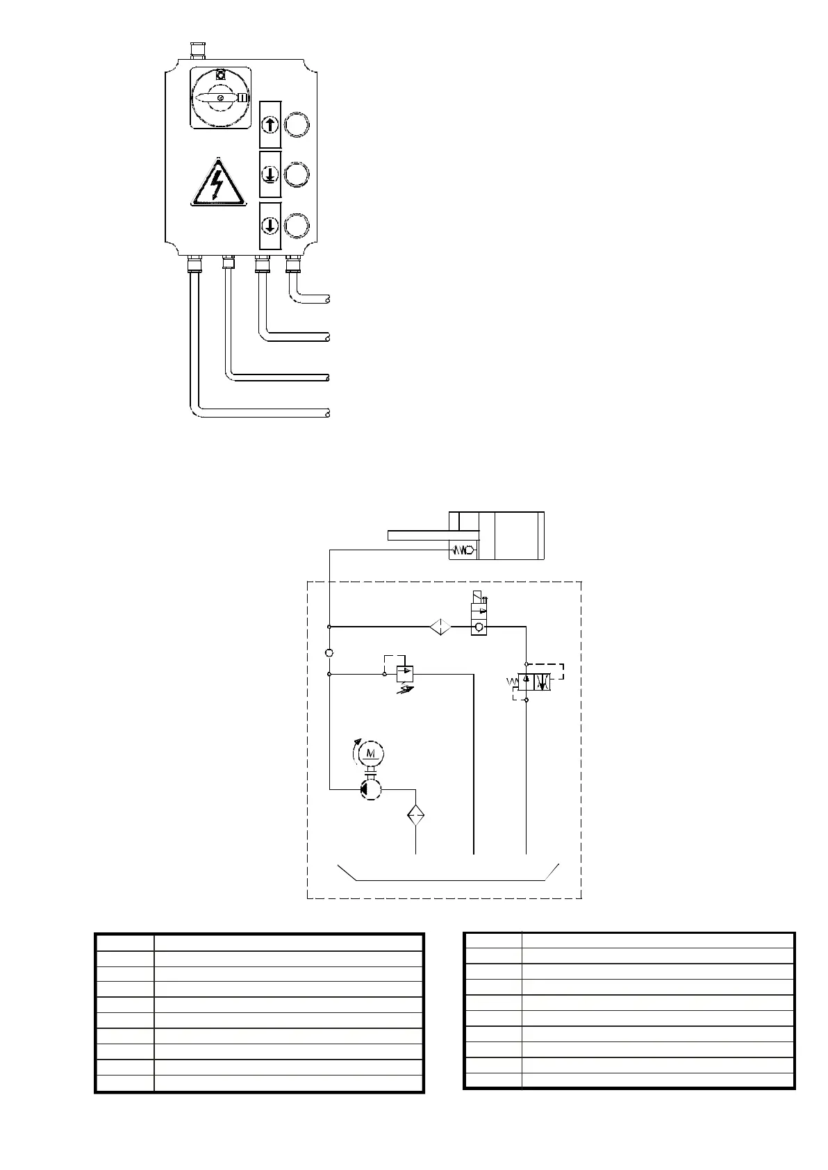
SCHEMA OLEODINAMICO
Rif. Descrizione
1 Val vo la pa ra ca du te
2 Elet tro val vo la
3 Val vola di ri te gno
4 Valvo la di mas si ma
5 Valvo la di stroz za men to
6 Mo to re
7 Pom pa
8 Fil tro
9 Ser ba toio
HYDRAULIC CIRCUIT DIAGRAM
Re. Description
1 Parachute valve
2 Solenoid valve
3 Check valve
4 Relief valve
5 Throttle valve
6 Mo tor
7 Pump
8 Fil ter
9 Re ser voir
13
1
4
7
2
53
6
8
9
2
Motore + protezione termica motore - Motor and thermal switch (8-9)
Fi ne cor sa - Li mit switch (3-4)
Elettro valvola - Solenoid valve (0-7)
Elettro magneti - Electro magnet (0-5) (0-6)
Micro interruttori fune and ON/OFF switch for broken or slack rope (1-02) (1-2)