EasyManua.ls Logo

Technics RS-676US - Page 24

Technics RS-676US
61 pages
Print Icon
To Next Page IconTo Next Page
To Next Page IconTo Next Page
To Previous Page IconTo Previous Page
To Previous Page IconTo Previous Page
Loading...
RS-676US
$403-2
$403—3
CL
FSA
METER
AMP
ara
Orta
2
eS
ee
eee
Calg.
Gales
geal
pe
GJ
0.0.6
AF
AM?
AF
AMP
E
doea
asta
2sc644
(RST
(RST)
Ral
12K
TrlS
'SC82B
(0.P)
B
R531
99
R35.
270K
Ra?
330
39
6¥100
tom
50K
Len
C75
0.0012
23
R33
da
56k
C77
680P
us
03
OASOZ}
120K
R83
100K
RIS.
,500K(B)
R89.
+1769}
AF
ANP
AF
AMP
Tr
16
8
2SC644
28828
RST}
(RST)
RaQ
1.2K
2
x
3
z
5
g
+
s
OF
aaa
cao
6Y100
as
8
“ha
ROG
3.3K
8
SUPPLY
BLOCK
co---
to
cotRot
|
Block
R311
S6CAW)
Lee
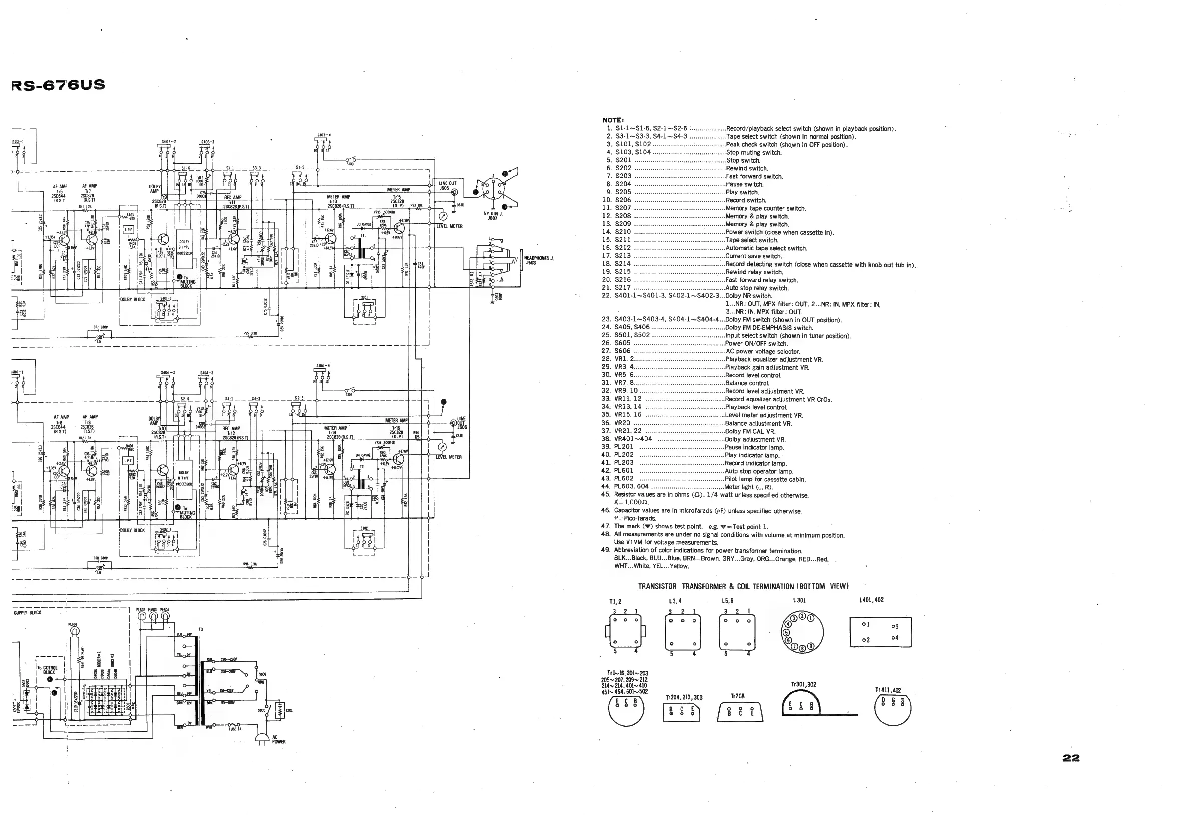
NOTE:
;
1.
$1-1~S1-6,
$2-1~S2-6
.-Record/playback
select
switch
(shown
in
playback
position).
2.
$3-1~S3-3,
$4-1~S$4-3
.
Tape
select
switch
(shown
in
normal
position).
3.
$101,
$102
;
..Peak
check
switch
(shown
in
OFF
position).
4,
$103,
$104
..Stop
muting
switch.
5.
$201
.
Stop
switch.
6.
$202
..
.-Rewind
switch.
7.
$203
.
..Fast
forward
switch.
8.
$204
..
.-Pause
switch.
9.
$205
..
Play
switch.
10.
$206
..
Record
switch.
11.
$207
..
..Memory
tape
counter
switch.
12.
$208
..
Memory
&
play
switch.
13.
$209
..
Memory
&
play
switch.
14.
$210
..
.-Power
switch
(close
when
cassette
in).
15.
$211
..
Tape
select
switch.
16.
$212
Automatic
tape
select-switch.
17.
$213
..
.-Current
save
switch.
DS.
SOTA:
veecs
cde
ceadivatanreteaoyeliatincdeavstaeds
Record
detecting
switch
(close
when
cassette
with
knob
out
tub
in).
VO
S21
Be
iis
istiea
ovacetddias
deetesnteteeswtecess
Rewind
relay
switch.
20.
S216
..
..Fast
forward
relay
switch.
21.
$217
.-Auto
stop
relay
switch.
22.
$401-1~S401-3,
$402-1~S402-3...Dolby
NR
switch.
47.
48.
49.
12
3,4
:
3.2
~
21
2.1
3.2
21
000
© 0
Oo
©
0
0
GOES
|
=
I
3
i
:
02
04
° °
°
°
°
Ow®
5
4
5
q
5 r
1...NR:
OUT,
MPX
filter:
OUT,
2...NR:
IN,
MPX
filter:
IN,
3...NR:
IN,
MPX
filter:
OUT.
.
$403-1~S403-4,
$404-1~S404-4...Dolby
FM
switch
(shown
in
OUT
position).
.
$405,
$406
..
Dolby
FM
DE-EMPHASIS
switch.
.
$501,
$502
..
.-Input
select
switch
(shown
in
tuner
position).
.
$605
.....
.-Power
ON/OFF
switch.
$606
..AC
power
voltage
selector.
VR1,
2
.-Playback
equalizer
adjustment
VR.
VR3,
4
..Playback
gain
adjustment
VR.
VR5,
6
.-Record
level
control.
VR7,
8
.-Balance
control.
VRY,
10
«Record
level
adjustment
VR.
.
VR11,12
oo.
--Record
equalizer
adjustment
VR
CrO2.
VR13,
14
Playback
level
control
VR15,
16
........
Level
meter
adjustment
VR.
VR20
.-Balance
adjustment
VR.
VR21,
22
..
..Dolby
FM
CAL
VR.
.
VR401~404
..
Dolby
adjustment
VR.
Pause
indicator
lamp.
.-Play
indicator
lamp.
Record
indicator
lamp.
Auto
stop
operator
lamp.
.-Pilot
lamp
for
cassette
cabin.
..--Meter
light
(L,
R).
.
Resistor
values
are
in
ohms
(Q),
1/4
watt
unless
specified
otherwise.
K=1,0000.
.
Capacitor
values
are
in
microfarads
(uF)
unless
specified
otherwise.
P=Pico-farads.
The
mark
(‘v)
shows
test
point.
e.g.
w=Test
point
1.
All
measurements
are
under
no
signal
conditions
with
volume
at
minimum
position.
Use
VTVM
for
voltage
measurements.
Abbreviation
of
color
indications
for
power
transformer
termination.
BLK...Black,
BLU...Blue,
BRN...Brown,
GRY...Gray,
ORG...Orange,
RED...Red,
.
WHT...White,
YEL...Yellow.
:
TRANSISTOR
TRANSFORMER
&
COIL
TERMINATION
(BOTTOM
VIEW)
5,6
L301
L401,
402
Masta
eage
ed
205~
207,
209
Daw
214,
40l~
410
11301,302
ei:
45l~
454.
501
502
1411,
412
204,
213,
30
11208
i\
=
;
388
om
oc

Related product manuals