EasyManua.ls Logo

Technics RS-B965 - Leaf Switch, Eject Motor, Drive Sector, and Gear Removal

Technics RS-B965
54 pages
Print Icon
To Next Page IconTo Next Page
To Next Page IconTo Next Page
To Previous Page IconTo Previous Page
To Previous Page IconTo Previous Page
Loading...
i
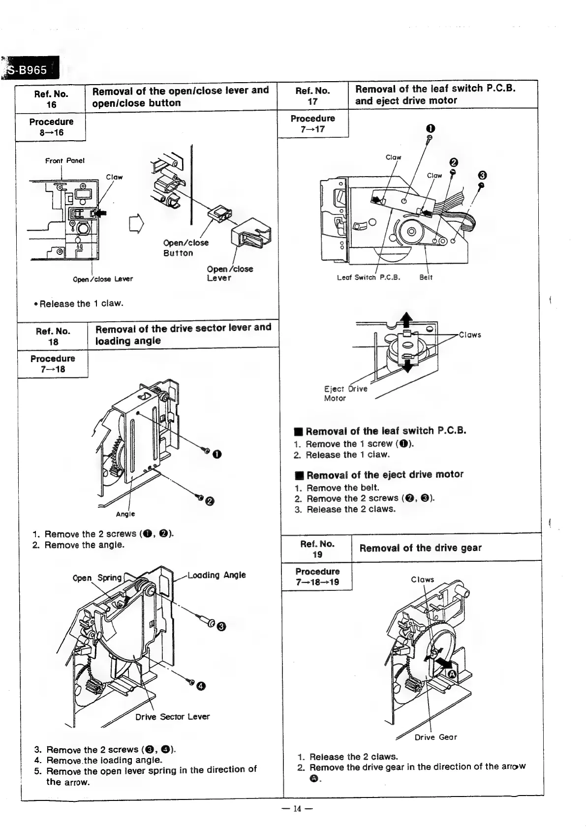
Ref.
No.
Procedure
8—16
Front
Panel
Open/close
Button
Open
/close
Open
/close
Lever
Lever
Release
the
1
claw.
Ref.
No.
Removal
of
the
drive
sector
lever
and
18
loading
angle
Procedure
718
1.
Remove
the
2
screws
(@,
@).
2.
Remove
the
angle.
7
Loading
Angle
Open
Spring(~>
i
|
My
ZU.
<
s
i
Drive
Sector
Lever
3.
Remove
the
2
screws
(©,
©).
4.
Remove.the
loading
angle.
5.
Remove
the
open
lever
spring
in
the
direction
of
the
arrow.
Removal
of
the
open/close
lever
and
Ref.
No.
Removal
of
the
leaf
switch
P.C.B.
16
open/close
button
17
and
eject
drive
motor
Procedure
7-17
Leaf
Switch
P.C.B.
Belt
Eject
Drive
Motor
Hi
Removal
of
the
leaf
switch
P.C.B.
4.
Remove
the
1
screw
(@).
2.
Release
the
1
claw.
@
Removal
of
the
eject
drive
motor
1.
Remove
the
belt.
2.
Remove
the
2
screws
(@,
®).
3.
Release
the
2
claws.
pee
Removal
of
the
drive
gear
Procedure
7—18—19
Drive
Gear
1.
Release
the
2
claws.
2.
Remove
the
drive
gear
in
the
direction
of
the
arrow
®.

Other manuals for Technics RS-B965

Related product manuals