EasyManua.ls Logo

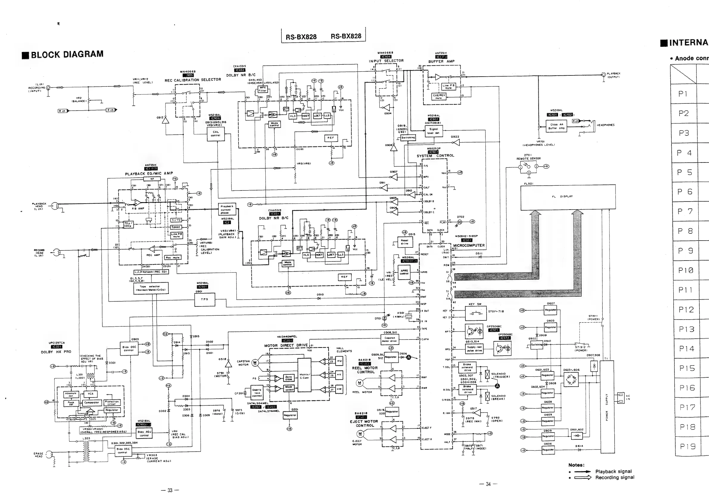
Technics RS-BX828 - Block Diagram; System Block Diagram

Technics RS-BX828
39 pages
Print Icon
To Next Page IconTo Next Page
To Next Page IconTo Next Page
To Previous Page IconTo Previous Page
To Previous Page IconTo Previous Page
Loading...
mi
BLOCK
DIAGRAM
CXAI33IS
a
de
20
pe
MN4066B
ey
(3)
roe
71
.
4
__o-F6—4
&
east
iend
DOLBY
NR
B/C
ee
ye
vere
REC
CALIBRATION
SELECTOR
0451,483
@
ul
|
|
|
HeconDING
A
-———-5
(0452,454)/L451(L452)
8)
Mah
7
Oates
|
4
tf
Pp
10
(2)
INPUT)
Ig,
pare
ae
®
Paced:
tI
|
¢
¥
=
bah
tj
id
|
VR2
\
(28)
(27)
(25)
(24)
DF
(22)
20)
[9
Lo
cert
tee
4
(BALANCE)
\
Io
fag
lee
6
lr
je
lo
tar_
un
_
di
7
de
72
+:
H
test
&
‘da
aaa
OS
ae
ab
AL
adhe
dE
Stadt
——
4
fa
csi
|
i
La
ce
em
onl
a)
MS2184L
|
o904
|
|
MS2184L
091310915),
916
I
VROIVRIO)
|
091710918)
|
!
0919,
|
|
(@920),
Signal
control
1
|
Q22!
level
det.
!
on
oses
|
|
<]
Le
on
ae
Ss
si
a
e908
od
13:18)
M50253P
SYSTEM
CONTROL
AN7351K
VRS(VR6)
C8)
a
zi
(c
=
OT/S
|
PLAYBACK
EQ/MIC
AMP
0907
|
16
:
vood———8)
oO
OMPX
|
pow
||
14
1
°
<]
eh
cat
ON
|
ruaygace
aoe
ees
ee
ee
ee
i
HEAD
Ca)
°
<
©
OOLBY
8
(Len)
Playback
|
poh
CxAI33IS
G85
a
°
|
o
9
ooLBY
C
1
2
MSZ18AL
DOLBY
NR
B/C
|
|
0702
1C2
——
2
VR3(VR4)
|
5
DATA
CLOCK
Daina
(28)
927)
(25)
|t2ar
fea
€)
Osis
2
NS
4
26
eS
ob
bt
AS
Ade
50942
-
518SP
28)
_$
VRTIVRE)
Ea
2
20
(REC
eas
"ean
=
CALIBRATION
aA
ics
pau
eisex
_
y
MICROCOMPUTER
(Lem)
g
LEVEL)
Ss
al
Len
fuse
=
}
reset
Jake
osu
MS218AL
ont
$8
25
REM
$22
39
APRS
GI
MS218AL.
te
Tope
selector
rector)
@
Vee
44
(Normal/Metol/CrO2)
coo.)
45
CELT
Bah
es
st
19
TPS
ORMT
ia
i
38
62
Susp
|
KEY
SW
23
x
OUT
S
x50!
Ker
iy
“ste.
|
s7orwris
co
3
a
oro
@SAMNE
“st
mer
2y
XIN
H
©)
I
ice
|
GP2so6ac
508,510
nerd
®
ecinsyca
0903
HAI344OMPEL
Capsten
|
I
peattelg
UPC!
ie
ic
ai
b
carn
j
;
nas
oer
ee
Sees
eel
2513
DOLBY
HX
PRO
control
B
g
Cc
a
HALL.
(CHECKING
THE
oso!
ELEMENTS
RPS
EFFECT
OF
B1aS
0509,5i1,
AQ.
VR)
L
o518
4
Y
0301
|
CAPSTAN
BA6218
por
&
/\.
“motor
REEL
MOTOR
TSOLY
L301
S791
\0
11302)
AA
@
(MoTOR)
re
SOLENOID
8)
ua)
9501,502,
:
fo
o—
=O
©
Sey
&6)
@504~506
Quartz
Absolute
contro:
19
|
5
deeded
circuit
:
SNT4LSO4MEL
c/asord
(BREAK)
my
/
(ee
|
a
|
0302
4
s976
9
oy
s973
0201
—=
SN74LST4AMEL
=
$5
—d
Lt
J
HK
0305
‘Met!
(Sega)
Regulater
nina
d
iy
eusi
3
‘9
mea
laar:
?
at
Ca)
s97s
$792
5
C8)
EyECT
MOTOR
;-—~-—4
|
(REC
INH)
(OPEN)
VR30NVR302)
CONTROL
|
+
(OVERALL
_FREO.RESPONES
ADJ)
ven
|
i;
(REC
CAL
L303
BIAS
ADJ.)
MODE
©
°
Q301,302,303,304
EsECTR
HALF
&
Bios
OSC
MOTOR
|
CEs
oe
|
6
0
TEsR
J
s97!
ERASE
,
contrat
+54
|
ny
(HALF)
(MODE)
MEAD
ES
_
VR303
T
(ERASE
=
—8
CURRENT
ADJ.)
RS-BX828
RS-BX828
MN4S0668
INPUT
SELECTOR
ANT35IK
BUFFER
AMP
PLAYBACK
(OUTPUT)
MS21BAL
Picro1
f
1c702
9
Class
AA
Buffer
amp.
HEAOPHONES
VRT7OL
(HEADPHONES
LEVEL)
z7ol
REMOTE
SENSOR
C1)
@—8)
@)
FL
OISPLAY
Q607
S791
$719-2
(POWER)
0907,908
SUPPLY
ope}
Q609
|
060!,602
POWER
Notes:
ee
——#&
Playback
signal
°«
<=>
Recording
signal
MINTERNA
e
Anode
conn

Related product manuals