EasyManua.ls Logo

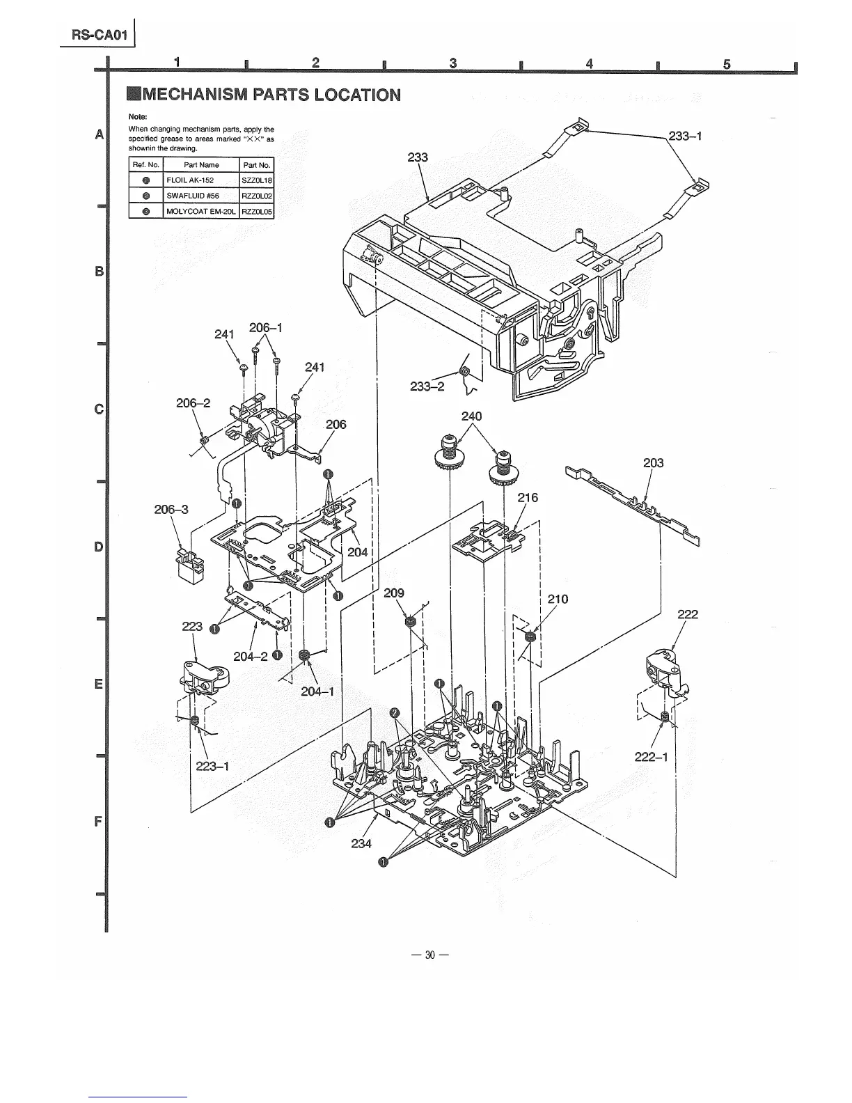
Technics RS-CA01 - MECHANISM PARTS LOCATION

Technics RS-CA01
35 pages
Print Icon
To Next Page IconTo Next Page
To Next Page IconTo Next Page
To Previous Page IconTo Previous Page
To Previous Page IconTo Previous Page
Loading...

Related product manuals