EasyManua.ls Logo

Technics RS-CH7 - Page 10

Technics RS-CH7
25 pages
Print Icon
To Next Page IconTo Next Page
To Next Page IconTo Next Page
To Previous Page IconTo Previous Page
To Previous Page IconTo Previous Page
Loading...
EVM
(Electronic
Voitmeter)
NR
OUT)
EVM
=
Oscilloscooe
m@
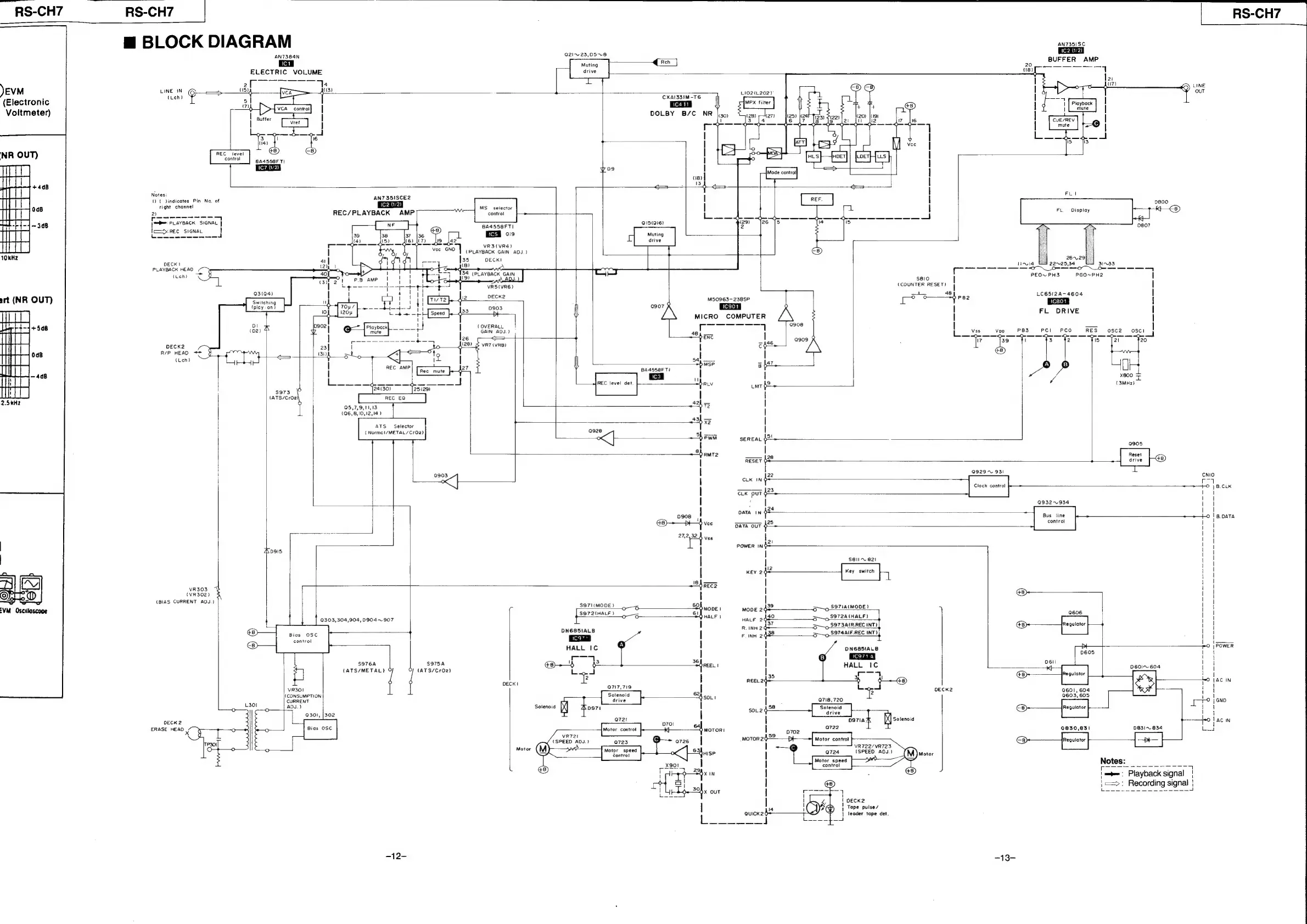
BLOCK
DIAGRAM
RS-CH7
AN7351SC
021~
23,058
se)
A
:
a
Ren]
BUFFER
AMP
ELECTRIC
VOLUME
ae
vei]
1
i
21
(7)
De®
[>
@
ine
LINE
iN
LIo2ziL202)
|
3
OUT
(Leh)
CXAI33IM-TS
|
aa
|
cam
|
shrew]
f
he
ie
ey
DOLBY
B/C
NR
3
f+
|
Love
|
‘30
(2a)
pater
125)
(aap)
F122)
k20)
|t19)
walle
|
|
pee
je
_|7
le
eS
ia
iz
dit
—;
l
ATT
=
9
if
|
|
Be
S
vee
|
REC
|
J
|
conjrol
8A4558F
TI
|
=
|
(C7
(1/2)
pe
|
|
as]
|
13
~
|
7
FLI
fa
jiheiee
Pin
No.
of
AN7351SCE2
|
right
channel
(C2
(1/2)
MS
selector
|
|
FL
Displa
2)
REC/PLAYBACK
AMP
control
+
LL
J
¥
-—<—
ore
—_——
-
——
4.-
[oPPLAYBACK
SIGNAL
}
SAdasaeTi
0151016)
(29)
Hance
ioc
ee
36
€)
1
a9
42
2
_
VR3(VR4)
(PLAYBACK
GAIN
ADJ.)
]35
DECK!
26.29
DECK!
(8)
lint
22~25,34
31N33
PLAYBACK
HEAD
q
,
(soc
ate
ge
oe
lemmas
1
(Uch)
33,
(PLAYBACK
GAIN
PEO~PH3
PGO~PH2
|
&
AwAL
$810
|
|
(COUNTER
RESET)
--—---4+--
VRS(VR6)
03104)
Led
r
Aree
seer!
sal
LC65I2A-4604
|
Switching
!
|
{
|
[r17T2
+42
M50963-238SP
ro
PB2
10801
|
(play
.on}
Bay,
0907
&
1C901
-_
aie
eos
HI
is
0903
|
FL
DRIVE
|
cae
[seees
]
MICRO
COMPUTER
|
|
'
ee
es
Playback
(OVERALL
@=
[Payee
--—-
I
GAIN
ADJ.
}
|
Vss
Voo
PB3
Pcl
PCO
RES
osc2
osc)
I
|
a
a
Qe
a
eed
pee
Shots
26
<
i
17
39
ri
3
2
Tis
21
20
VR7
(VRB)
DECK2
{
C
és)
R/P
HEAD
+
(31)
(Leh)
$
oto
2
|
3
U
I
|
x800
[sa
=
9
é
(3MHz}
|
|
LMT
O=
>
i
ses7a
P|
|
(ATS/Cro2k
I
05,7,9,
11,13
L
(06,8110,12,14)
|
Selector
|
(
Normal/METAL/Cro2)
a928
‘i
|
j
LU
ewe
serear
$2
__.
|
{
0905
——~8$
aut2
|
Reset
|
|
agser
68
+
drive
48)
|
:
0903
I
me
——
9929
931
énia
a
r-
|
Clock
control
-
B.CLK
|
CLK
pUT
§23__
ot
|
|
|
9321934
SSS
a
24
i
ee
|
oata
in
fils
line
LS
control
®
>
$
vee
DATA
OUT
oe
.F
Pear
27,2,32
4
Veg
|
:
25
a
POWER
IN
O=
#osis
|
VR303
(VR302)
(BIAS
CURRENT
ADJ.)
DECK
2
4
0303,
304,904,
0904~907
Bias
OSC
control
SO76A
{ATS/METAL)
9
S975A
(ATS/CrO2)
ai
VR301
(CONSUMPTION
CURRENT
L3ol
ADJ.
}
9301,
|302
ERASE
HEAD
x
+
—Ht
TP30I
3
Bias
OSC
-12—-—
DECK
-
REC2
®
Oe
ee
ee
SOTI(MODE)
a
£24
MODE
|
SO72(HALF)
on
SS
HALE
i
I
DNG6SS5IALB
|
HALL
IC
ef
36,
@
1
&
sf
eee
Lod
F
717,719
|
I
e72:
VR721
(SPEED
ADJ.)
Q723
Motor
speed
contro}
ssil~
82i
KEY
22
fey
aren
}
ey
awe
|
switch
|
|
!
|
39
!
MODE
2d:
_B—~o
SOTIAIMODE}
5
Be
|
!
HALF
2de2
B—~
0
SI7ZA
(HALF)
|
R.INH
aden
$97
3AIR.REC
INT)
D
aeaiiaice
!
|
F.INH
232
Bo
SO74AF-REC
INT)
!
i
DNGBSIALB
bt
;
!
aes
ai
|
I
|
eee
D60In
604
Fe
rn,
|
cs
%
o—
i
aha
IN
eee
Pres
Q601,
604
iy!
°
Q603,
605
1
|
|
0718,
720
he
a
re
tia
i
|
pac
IN
830,83!
D83I~
834
trae
VR722/VR723
(SPEEO
ADJ.)
DECK2
Tape
pulse’
leader
tape
det.
-13-
4
l
4
<=>:
Recording
signal
'
1
i
t
(rh
ee
4

Related product manuals