EasyManua.ls Logo

Technics RS-CH770 - Main Circuit Schematic

Technics RS-CH770
37 pages
Print Icon
To Next Page IconTo Next Page
To Next Page IconTo Next Page
To Previous Page IconTo Previous Page
To Previous Page IconTo Previous Page
Loading...
RS-CH770
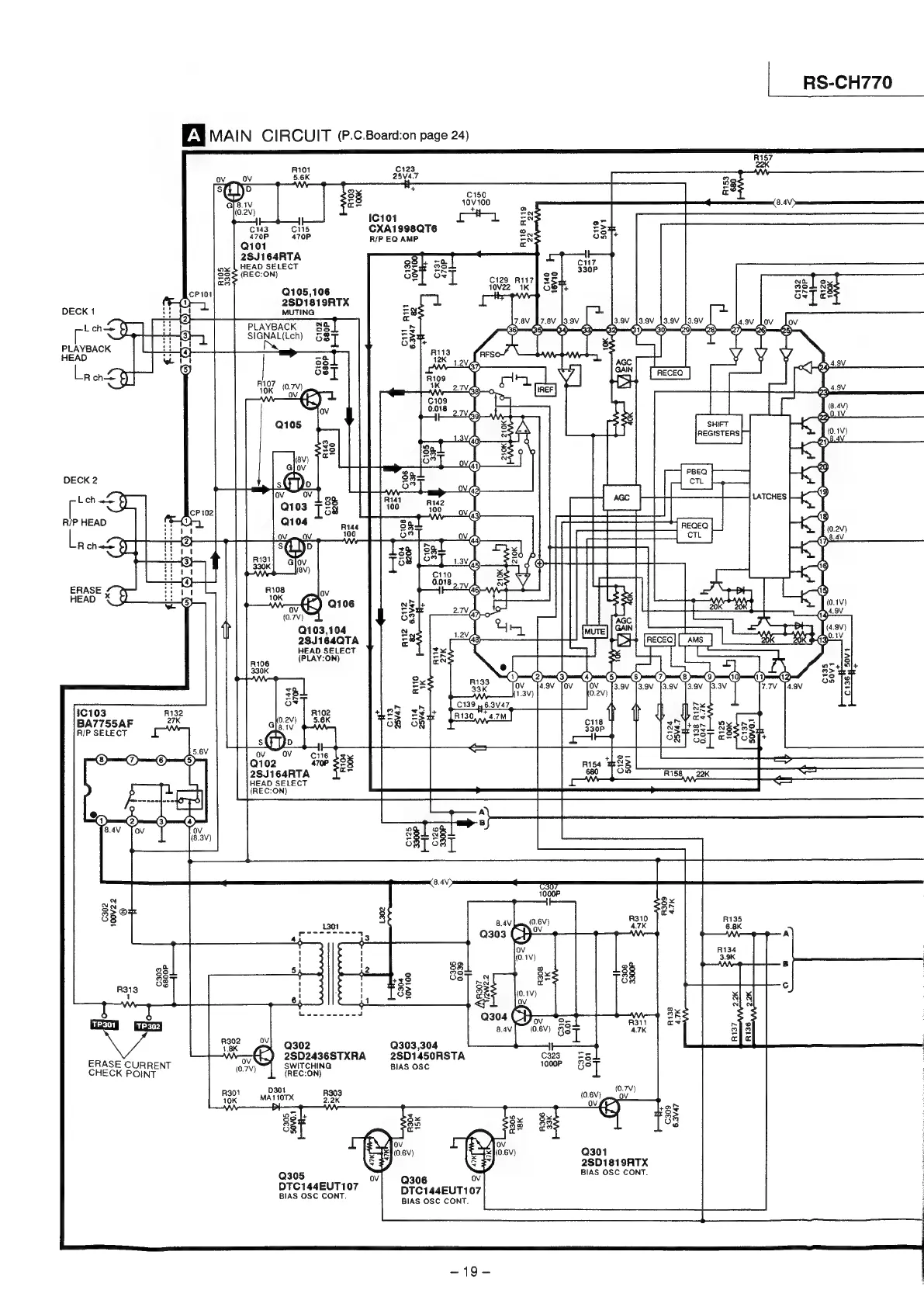
Al
MAIN
CIRCUIT
(P.C.Board:on
page
24)
a
10101
zs
C143
C115
CXA1998QT6
2
470P 470P
R/P
EQ
AMP
=A
Q101
aa
2SJ164RATA
HEAD
SELECT
(REC:ON)
Q105,106
2SD1819RATX
Se
DECK
1
Li
by
MUTING
-8
Leh
§_]
PLAYBACK
&
-$
ye
6)
es
r
3}
SIGNAL(Lch)
5
5a
PLAYBACK
a
mn
Ne.
e
HEAD
ie
mt
R
ch»
§)
|
R107
ory)
10K
ov
60)
PBEQ
4
DECK
2
ee
re)
Beco
Eee
LATCHES
(9
Loh
ae
0
(18)
R/P
HEAD
(0.2¥)
a7
c
G5)
5
(0.1V}
Sz:
tev
68
4
Q103,104
«
ay
28J164QTA
za
63°:
HEAD
SELECT
i=
aioe
(PLAY:ON)
t
3
330K
8>e
+
ow
rs)
R158
|
22K
Q303,304
2SD2436STXRA
2SD1450RSTA
SWITCHING
BIAS
OSC
(REC:ON)
ERASE
CURRENT
CHECK
POINT
301
2SD1819ATX
BIAS
OSC
CONT.
Q306
DTC144EUT107
BIAS
OSC
CONT.
DTC144EUT107
BIAS
OSC
CONT.
21955

Related product manuals