EasyManua.ls Logo

Technics RS-CH770 - Block Diagram

Technics RS-CH770
37 pages
Print Icon
To Next Page IconTo Next Page
To Next Page IconTo Next Page
To Previous Page IconTo Previous Page
To Previous Page IconTo Previous Page
Loading...
RS-CH770__|
m@
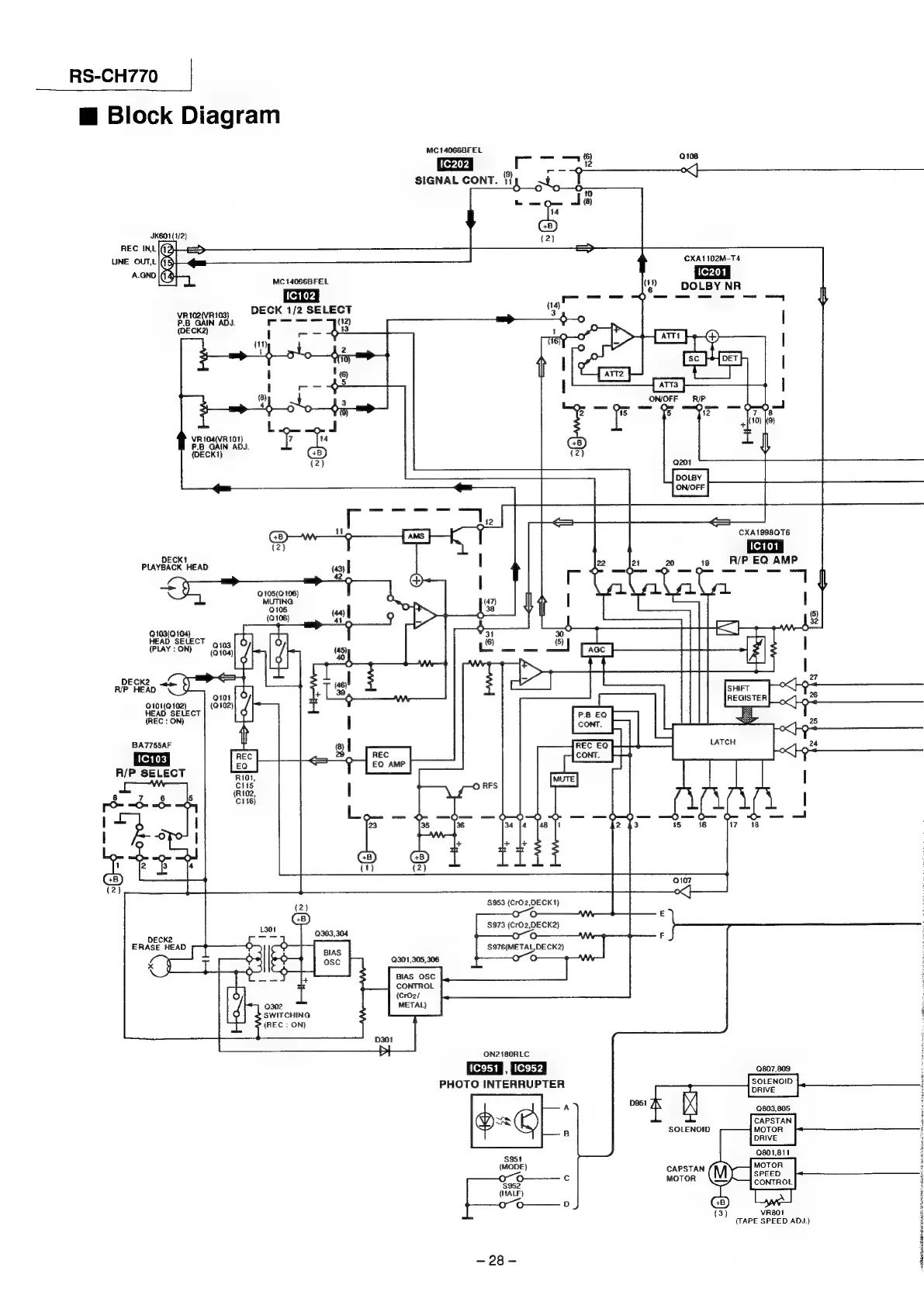
Block
Diagram
MC
T4066BFEL
6)
Q108
mom
SIGNAL
CONT.
{7}
©
© © ©
10
.—-oe
Je
14
JK601(1/2)
12)
CXA1102M-T4
MC
14066BFEL
DECK
1/2
SELECT
VR
102(VR
103)
P.B
GAIN
ADJ.
ree
01)
(DECK2)
I
~-
+3
(1
VR104(VR
101)
P.B
GAIN
ADJ.
(DECK?)
DECKI
PLAYBACK
HEAD
g
@105(Q
106)
MUTING
0105
(0106)
Q103(0104)
HEAD
SELECT
O
:
Q103
(PLAY
:
ON)
(Q
104)
iy
DECK2
ap
R/P
HEAD
g
Q101(Q
102)
HEAD
SELECT
(REC
:
ON)
BA7755AF
R/P
SELECT
ro-
-<S
~d-
0
l
I
O
1
GB)
$976(METALDECK2)
BIAS
OSC
CONTROL
{CrO2/
METAL)
SWITCHING
(REC
:
ON)
ON2180RLC
|1c951
F
807,009
PHOTO
INTERRUPTER
NAN
CAPSTAN
7
SOLENOID
MOTOR
DRIVE
s9st
801,811
(MODE)
CAPSTAN
c
MOTOR
$952
(HALE)
o——
0
VRBOT
(TAPE
SPEED
AD}
(3)
~28-

Related product manuals