EasyManua.ls Logo

Technics RS-M228X - Page 16

Technics RS-M228X
40 pages
Print Icon
To Next Page IconTo Next Page
To Next Page IconTo Next Page
To Previous Page IconTo Previous Page
To Previous Page IconTo Previous Page
Loading...
RS-M228X
RS-M228X
[AALAND
MM
7
ALA
LYMM
mii
itil
WITT
iia
Name
&
Description
r
Holder
ing
Screw
@3x
10
n
Socket
(L-Type)
t
Lever
Clamper
Australia.]
h
Cover
(for
S10)
pt
United
Kingdom,
East
and
Afriaca
Socket
Socket
ain
Tube
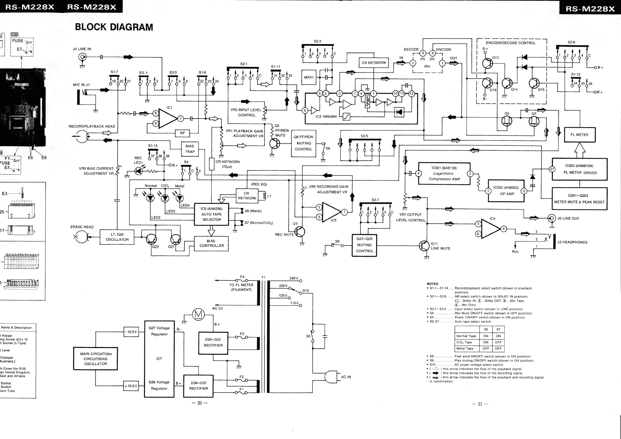
BLOCK
DIAGRAM
J4
LINE
IN
$1-7
$3-1
$3-3
$1-8
19
20
f21
1
[2
]3
7
{8
Jo
MIC
IN
J1
Oo
Ff
F
O
oO
°
VR3
INPUT
LEVEL
CONTROL
VR1
PLAYBACK
GAIN
ADJUSTMENT
VR
CR
NETWORK
oy
VRQ
BIAS
CURRENT
(a
1
Ic
j2
ADJUSTMENT
VR
an
77
O O O
Normal
CrO,
Metal
wh
wb
al
as
q
y)
yy)
5
NETWORK
|
=
1C6
(AN6256)
AUTO
TAPE
(REC
EQ)
S6
(Metal)
SELECTOR
|
Y
S7
(Normal/CrO,)
ERASE
HEAD
ees
x
¥
L7,
Q20
|
A
OSCILLATOR
K
}
eo,
BIAS
CONTROLLER
F4
11
TO
FL
METER
(FILAMENT)
Q27
Voltage
Regulator
D30~D33
RECTIFIER
MAIN
CIRCUIT/dbx
CIRCUIT/BIAS
OSCILLATOR
Q26
Voltage
Regulator
D34~D37
RECTIFIER
DECODE
ENCODE
(@-5
OUT
OB+
B+
Q3
FF/REW
Q9
FF/REW
MUTING
CONTROL
1C303
(AN6870N)
FL
METER
DRIVER
1C301
(BA6138)
Logarithmic
Compression
AMP
G7)
VR5
RECORDING
GAIN
ADJUSTMENT
VR
10302
(AN6552)
OP
AMP
Q301~Q303
METER
MUTE
&
PEAK
RESET
VR7
OUTPUT
cs
LEVEL
CONTROL
sc
=—_
(5)
(Pr
(4)
4
REC
MUTE
\Q,
(6)
many,
23~-Q25
2
es
Q23~Q
P
on1
J3
HEADPHONES
ae
aia
1@
LINE
MUTE
L
CONTROL
Roh
240V
O
NOTES:
©
$1-1—S1-14......
Record/playback
select
switch
(Shown
in
playback
position).
©
$2-1—S2-8
......
NR
select
switch
(shown
in
DOLBY
IN
position).
(®...Dolby
IN,
@...Dolby
OUT,
@)...dbx
Tape,
@...dbx
Disc).
©
$3-1—S3-4
......
Input
select
switch
(shown
in
LINE
position).
©
S4
ened
as
.Rec
Mute
ON/OFF
switch
(shown
in
OFF
position).
.Power
ON/OFF
switch
(shown
in
ON
position).
@:S6.S7
soa:
Auto
tape
select
switch.
Paee
Cn
Normal
Tape
Fon
|
[e.tare
[on
[OFF
|
©1983
fies
wicca
mesma:
Fast
wind
ON/OFF
switch
(shown
in
ON
position).
-Play
muting
ON/OFF
switch
(shown
in
ON
position).
S10
as
sisast
AC
power
voltage
select
switch.
*
(
<>
)
this
arrow
indicates
the
flow
of
the
playback
signal.
¢
(
mi
)
this
arrow
indicates
the
flow
of
the
recording
signal.
AC
IN
°
(
Gm
)
this
arrow
indicates
the
flow
of
the
playback
and
recording
signal
|
in
combination.

Related product manuals