EasyManua.ls Logo

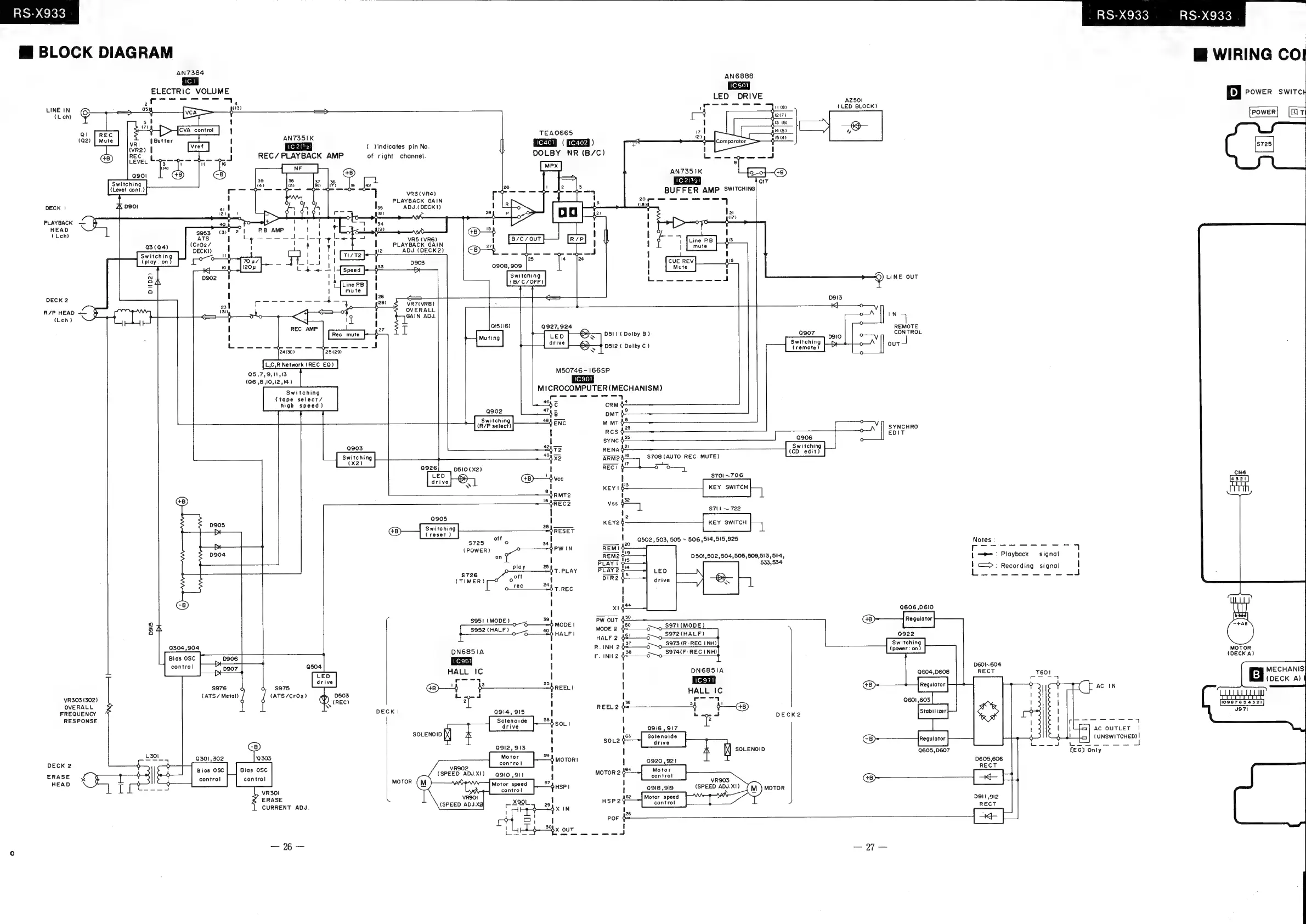
Technics RS-X933 - SYSTEM BLOCK DIAGRAM; FUNCTIONAL BLOCKS AND SIGNAL FLOW

Technics RS-X933
36 pages
Print Icon
To Next Page IconTo Next Page
To Next Page IconTo Next Page
To Previous Page IconTo Previous Page
To Previous Page IconTo Previous Page
Loading...
M@
BLOCK
DIAGRAM
AN7384
ELECTRIC
VOLUME
ORG
ee
ol
jos)
(sy
6
1
LINE
IN
So
(L
ch)
Ql
|
REC
(Q2)
|
Mute
Switching
(Level
cont.)
DECK
|
A
D901
PLAYBACK
AN735IK
REC/
PLAYBACK
AMP
(
)Indicates
pin
No.
of
right
channel.
VR3(VR4)
PLAYBACK
GAIN
ADJ.(
DECK
I)
AN6888
1.501]
LED
ORIVE
ee
ee
Ste
!
12(7)
13
(6)
14(5)
TEAO665
A
5
(1)
+
jou
'
|
DOLBY
NR
(B/C)
tee
eet
ey
|
MPX
|
9
AN7351K
fo of
(+8)
a7
BUFFER
AMP
SWITCHING
re
ee
i
(sk
7
2!
Var
a7)
>
O{T6
6
AZS5O!
{LED
BLOCK)
{s-
Gi
RS-X933
y
!
HEAD
a
!
!
i
$953
(3)
;
oy
ye,
ATS
[pS
I~
4
-
Loy
a
VR5
(VR6)
R/P
y
|
I
f
“|
[Line
PB
3
asie4)
(Cro2/
14
|
|
PLAYBACK
GAIN
!
!
vilamare
t
peck
=I
Y,
ADJ.
(DECK
2)
Pog
\
1
Switchin
a
-—
_
_
(play
:
ond
oe
Y
ae
|
2
as
|
FEE}
35
A
10
aus
9
|
Switching
!
!
6)
LINE
out
aN
Tie
|
i)
(B/C
/0FF)
L—--———-—--4d
®
\
!
+
=
lagi
|
asl
VR7(VR8)
R/P
HEAD
=-
§
GAIN
ADJ.
ms
(Len)
T
Q15(16)
Q927,924
=
REMOTE
S
Cc
drive
S}—+4
D512
(
Dolby
C)
ouT
~~
Q5,7,9,
11,13
M50746
-
|66SP
(Q6
,8,10,12,14)
Sadun
MICROCOMPUTER(MECHANISM)
(tape
select/
ae
poe?
gees
high
speed)
gf
———
Q902
4745
9
aes
=
Switching
484
=
6
I
RCS
EDIT
l
sync
$22
Te
AT
rena
§2
———_
ea
a
3x2
armed!’
$708
(AUTO
REC
MUTE)
peabihineg
6
Ss
a926
D510(
x2)
{
RECI
o—
tee
LED
|_«&
@—4v
1
S70l~
drive]
©
=
=
a!
Key
ide
KEY
SWITCH
SRMT2
\
G8)
SARECE
Vss
aaa
i
i
S7Il
~
722
2
ae
oa
va!
KeY2$
KEY
SWITCH
e—
Tar
tress
}
s725
"0
aa!
|
502,503,
505
~
506,514,
515,925
cs
(POWER)
PWIN
REMI
Pig
see
area
||
on
\
REM2
9
501,502,
504,505,
509,513,514,
|
—P—
:
Playback
=
signal
1
PLAY
1
9
533,534
|
“Reese
ai
ae
\
eee:
ea
PLAY2
0
aia
ecording
signal
$726
ames
FN
@
LE
UUhUmUmrmrmttt—~——O——O—™—OOOCCC
eee
ee
Ss
S
3
(TIMER)
C8)
x14
Q606
,D6I0
bag
pair
Ae.
tees
FE
aA
SSBae)
ee
MODE
2
§<2—g-—~o-SSTIMODE)
8
o_o
HALFI
arose
$972(HALF)
a922
37
$973
(R-REC
INH)
Switching
I
RAN
(power
:
on)
DN68B5IA
1
FOINHS
Ace
S974(F-
REC
INH)
a
ar
+
Q504
l
I
DEOI~604
contro
i
L
cep
HALL
IC
|
\
DN685IA
9604,
D608
T6O!
nn
aly
35
|
Regulator
i
3
sve
4
4
so75
Ga—4
$2
_______Sreeu
HALL
IC
rf
ac
in
(ATS
/
Metal)
(ATS/CrO2)
a
D503
L
4
!
]
eos
VR303
(302)
©
rec
T
1
area
a
ees
v
OVERALL
N
+—_____—_*
4
8)
FREQUENCY
DECK!
a914,
915
|
eet
ees
oe
!
ee
ee
5
drive
Q916
,
917
AC
OUTLET
|
erect
Yy
(UNSWITCHED)
|
V
4
Le
Se
peers
x)
SOLENOID
Q605,
D607
(EG)
Only
=
ESO.
Q301,
302
D605,606
DECK
2
:
RECT
Bias
OSC
Bias
OSC
ERASE
x
control
control
MOTOR
VR903
a=
mene
(SPEED
ADu.x!)
(M)
MOTOR
b
vr3o1
p
D9II
912
Z
ERASE
dl.
CURRENT
ADu.
{<
|
RS-X933
@
WIRING
CO
'D
|
POWER
SWITC
POWER
T
MOTOR
(DECK
A)
MECHANIS
(DECK
A)
JOTI

Related product manuals