EasyManua.ls Logo

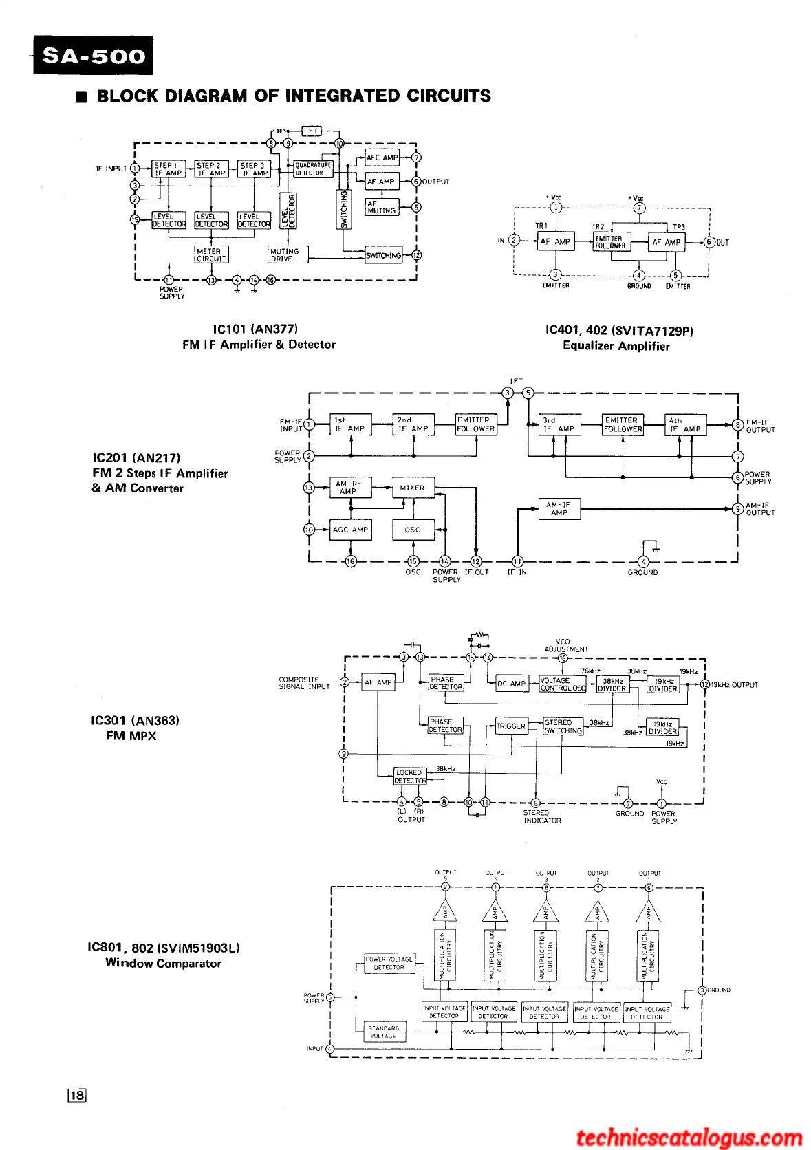
Technics SA-500 (D) - Block Diagram of Integrated Circuits

Technics SA-500 (D)
16 pages
Print Icon
To Next Page IconTo Next Page
To Next Page IconTo Next Page
To Previous Page IconTo Previous Page
To Previous Page IconTo Previous Page
Loading...

Related product manuals