EasyManua.ls Logo

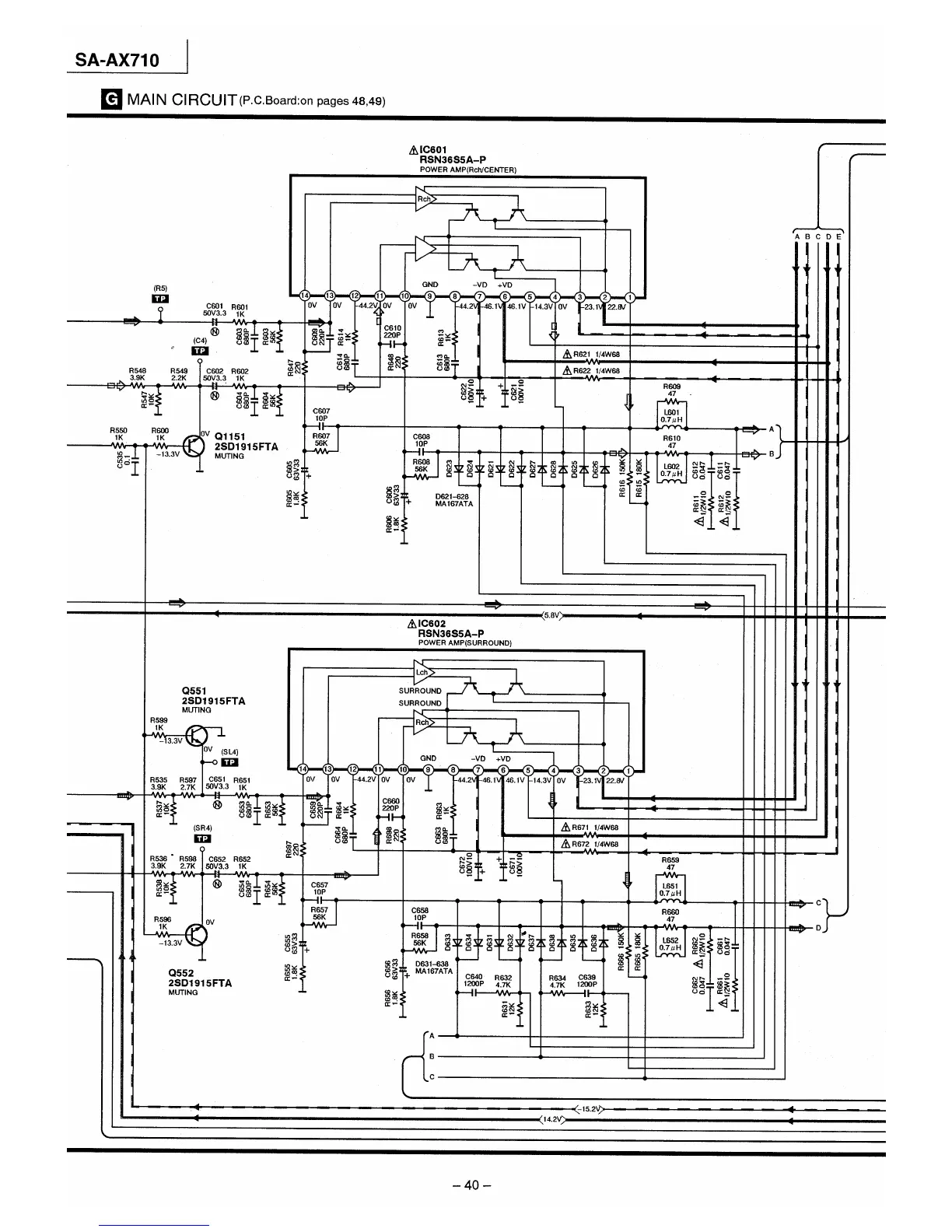
Technics SA-AX710 - Main Circuit

Technics SA-AX710
66 pages
Print Icon
To Next Page IconTo Next Page
To Next Page IconTo Next Page
To Previous Page IconTo Previous Page
To Previous Page IconTo Previous Page
Loading...

Table of Contents

Other manuals for Technics SA-AX710

Related product manuals