EasyManua.ls Logo

Technics SA-DX950 - Page 76

Technics SA-DX950
79 pages
Print Icon
To Next Page IconTo Next Page
To Next Page IconTo Next Page
To Previous Page IconTo Previous Page
To Previous Page IconTo Previous Page
Loading...
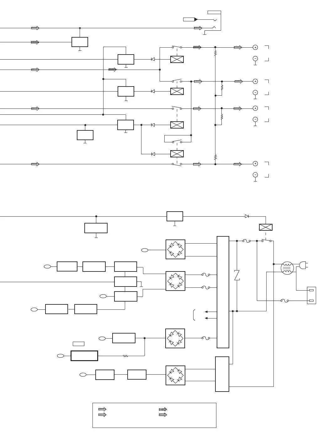
BA25BC0FP
IC1701
RCH
Q601
Q602
Q1681
(Q1682)
HP601
HEADPHONES
Q603
RL601
RL602
RL604
RL603
POWER TRANSFORMER
SUB
TRANSFORMER
T701
Q751
D701~D704
F3
F4
Q708,D708
Q724
T751
D721~D728
D751~D754
Q753
Z751
F1
RL751
JK791
AC IN
L701
AC1
AC2
TO FL DISPLAY
F5
Q1701~Q1703
D741~D744
HP MUTING
RELAY
DRIVE
RELAY
DRIVE
RELAY
DRIVE
JK602
FRONT
SPEAKER(A)
JK601
FRONT
SPEAKER(B)
JK603
CENTER
SPEAKER
JK603
SURROUND
SPEAKER
RELAY
DRIVE
JK792
AC OUTLET
(SWITCHED)
REGULATOR
Q723
REGULATOR
REGULATOR
Q754
REGULATOR
Q725
Q706
REGULATOR
SIGNAL LINES
MAIN SIGNAL LINE
CD SIGNAL LINE PLAYBACK SIGNAL LINE
RECORD SIGNAL LINE
( ) indicates Pin No. of right channel.
REGULATOR
REGULATOR
REGULATOR
REGULATOR
Q701,Q703,Q704
REGULATOR
Q752
-B
+B
+B
+B
+B
+B
D755
F6
-B
Q707
REGULATOR
D613
D614
D612
D611
Q605
SWITCH
REGULATOR

Other manuals for Technics SA-DX950

Related product manuals