EasyManua.ls Logo

Technics SA-EH770 - Page 50

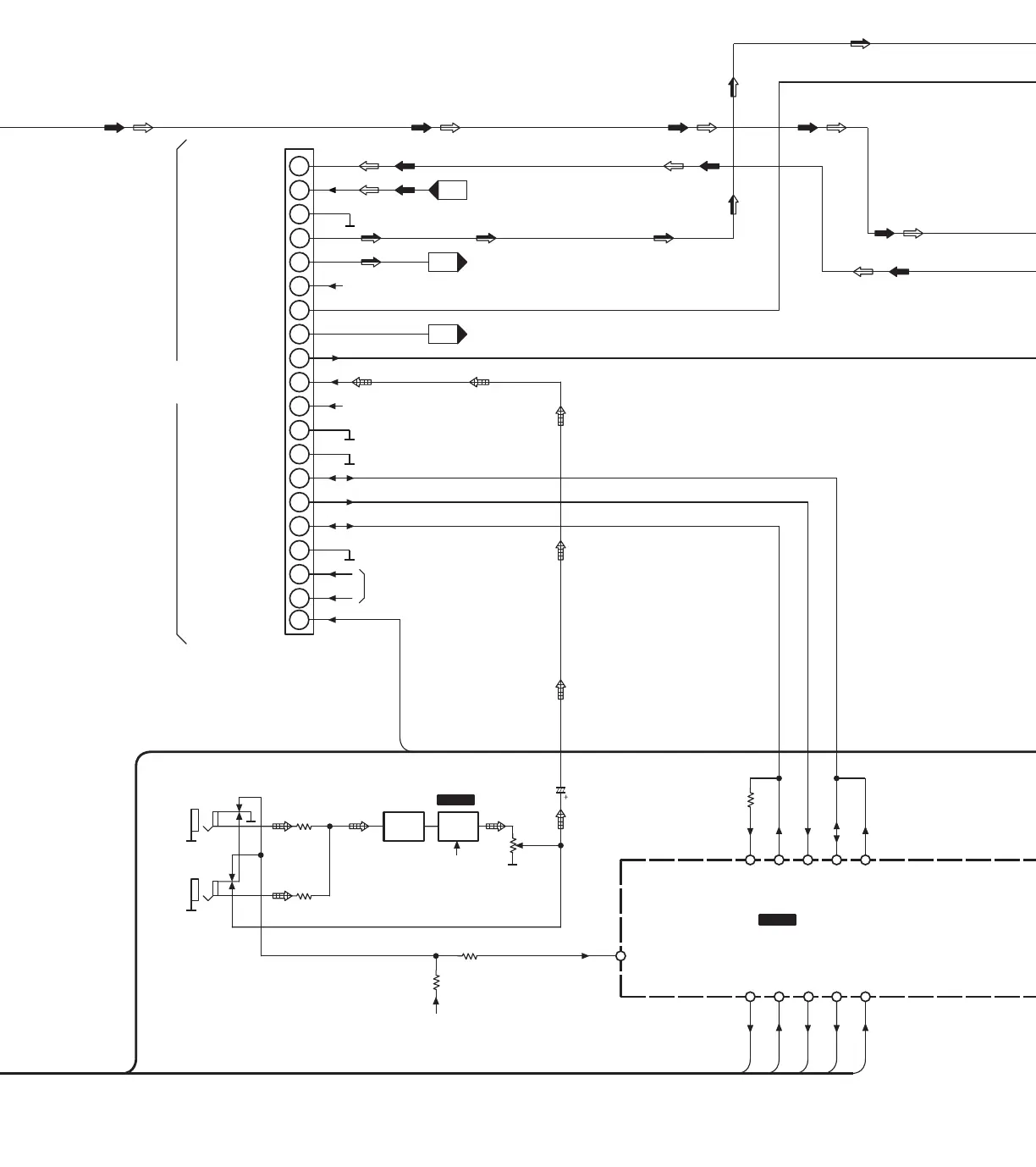
Technics SA-EH770
72 pages
Print Icon
To Next Page IconTo Next Page
To Next Page IconTo Next Page
To Previous Page IconTo Previous Page
To Previous Page IconTo Previous Page
Loading...
From POWER
TRANSFORMER
1
8
W501
2
3
4
5
6
7
9
12
13
14
15
16
17
18
A.GND
+B(10V)
SUR L
SUR R
19
11
10
CT.GND
SH FL1
DATA
D.GND
TUNER L/C
TUNER Rch
Lch IN
Rch IN
S.W
MIC
-B(-10V)
V.GND
CE/REQ
CLK
SH FL2
20
SYNC
+B5
Rch
Rch
-B3
To SOUND PROCESSOR
(SH-EH770)
BLOCK DIAGRAM
LC72 CE
LC72 DI/ST
LC72 CK
DATA1
CLK1
DATA IN
CE1
345
LC72 DO
2
C2BBFD000297
IC901
SYSTEM CONTROL / FL DRIVE
Rch
94
SH CS
97
SH CK
9596
SH DO
SH DI
SHSYNC
100
SD
21
SH REQ
SD
+B8
Q401
TA2011S
IC401
MIC2
MIC1
VR401
(MIC VOL)
+B5
MIC
AMP
MIC
AMP
MIC DET
25

Related product manuals