EasyManua.ls Logo

Technics SA-EH770 - Page 51

Technics SA-EH770
72 pages
Print Icon
To Next Page IconTo Next Page
To Next Page IconTo Next Page
To Previous Page IconTo Previous Page
To Previous Page IconTo Previous Page
Loading...
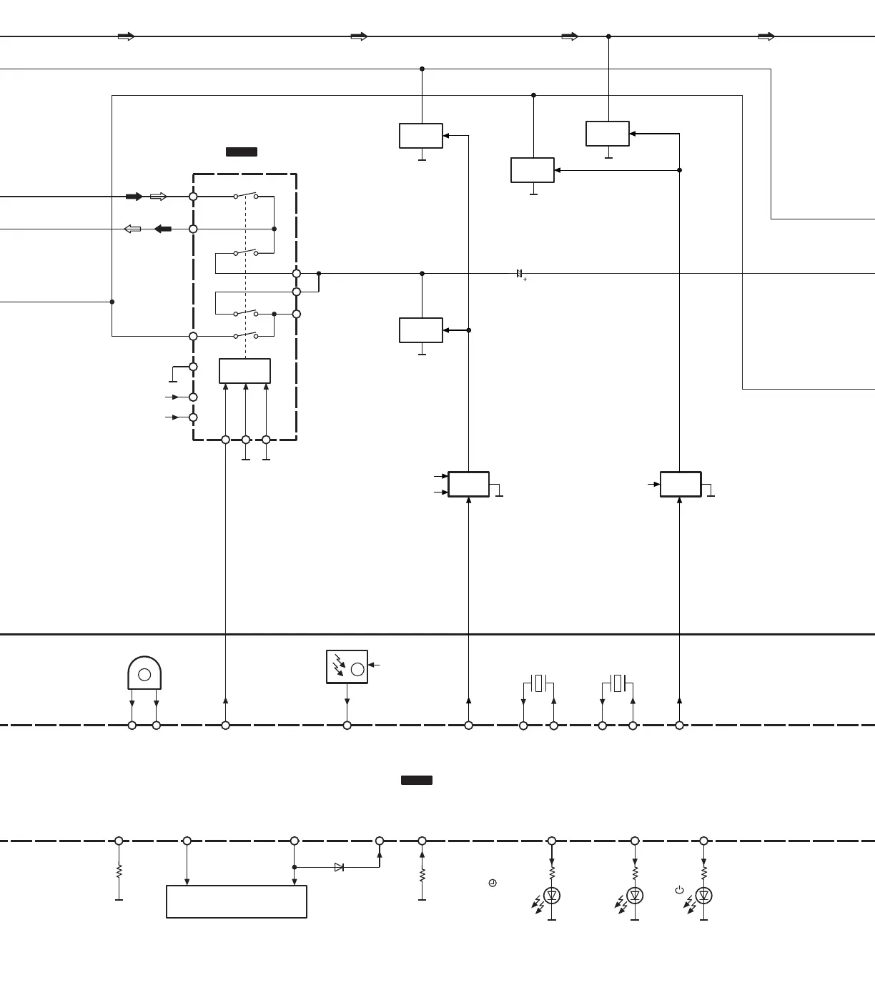
VR901
(VOLUME)
24 23
VR JOGA
VR JOGB
C2BBFD000297
IC901
SYSTEM CONTROL / FL DRIVE
29
REMO-
CON
Z901
(REMOTE
SENSOR)
+B8
1~8G
30~37
P1~38
38~45,
47~50
52~71,
73~78
FL901
FL DISPLAY
D934,936
79
REGIN0
82
TIMER
83
S.W LED
D951
(DIGITAL
S.WOOFER)
81
STAND-BY
D954
( PLAY/REC)
D306
()
REGIN1
SW CONT.
12
X0
X1
14
ABC
11 10 9
G
8
2
13
BU4053BCFE2
IC201
SIGNAL SELECTOR
1
15
Y1
Y0
VDD
16
+B4
VSS
7
-B3
6
ST/AV.
6CH
16
17
X901
(6MHz)
XC IN
XC OUT
13 14
X902
(32.7kHz)
XIN
X OUT
80
MUTING
Q606
MUTING
Q607
(Q608)
93
MUTE3
MUTING
CONT.
-VP
+B4
Q902
91
MUTE2
MUTING
CONT.
+B5
Q612
MUTING
Q609
(Q610)
10
SEL/
TUNER
MUTING
Q605

Related product manuals