EasyManua.ls Logo

Technics SL-1210M5GE - Page 44

Technics SL-1210M5GE
67 pages
Print Icon
To Next Page IconTo Next Page
To Next Page IconTo Next Page
To Previous Page IconTo Previous Page
To Previous Page IconTo Previous Page
Loading...
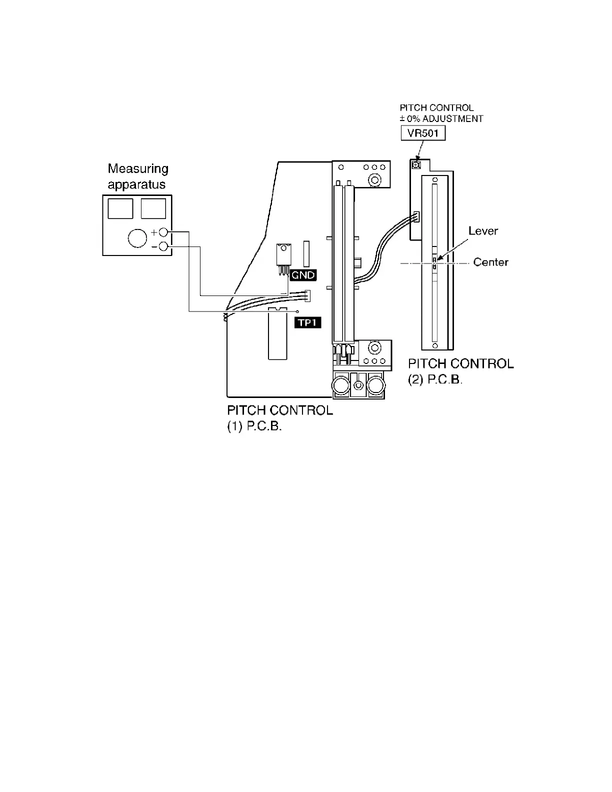
(Fig.3)
44

Related product manuals