EasyManua.ls Logo

Technics SL-1210M5GE

Technics SL-1210M5GE
67 pages
To Next Page IconTo Next Page
To Next Page IconTo Next Page
To Previous Page IconTo Previous Page
To Previous Page IconTo Previous Page
Loading...
OSC
(50kHz)
AMPLITUED
CREATION
17
PC
P-SIGNAL
DETECTOR
15
P1
13
P2
11
P3
POSITION
DETECTOR
14
C1
12
C2
10
C3
(+,
-
)
3-DIFFERENCE
FULL-WAVE PNP
3-DIFFERENCE
FULL-WAVE NPN
POWER TR.
DRIVE COIL
POWER TR.
DRIVE COIL
18
OSC
21
CS
23
POSITION
DETECTOR COIL
AC
4
PC EC ECR
PULSE
GENERATOR
A3
A2
A1
24
1
2
ATC
2019
Vcc
EN
S601
(POWER)
T1
POWER
TRANSFORMER
AC IN
D1Q1~3,D3
+B1
REGULATOR
AN6675
IC101
TURNTABLE DRIVE
OSC
RESET
REGU-
LATOR
SPEED
SELECT
START
/STOP
BRAKE
TIMER
I/N
1/16
SPEED
CONTROL
PHASE
CONTROL
SCH-
MITT
LED
DRIVE
Q202
STROBE
ILLUMINATOR
FG AMP
Q203
FG
REGULATOR
TC4011BP
IC302
PITCH CONTROL
ON/OFF SELECT
D301
12
13
11
1
2
3
5
6
7
14
4
D204
+B1
D401
(RESET)
10
8
9
S501
(RESET)
4230
35
23
1
+B1
S203
(START
/STOP)
S202
(45)
S201
(33)
+B2
VR201
(BRAKE ADJ.)
D201(33)
D202(45)
+B1
+B1
Q201
VCN
Vcc
9
10
FAO
15
20
T
18
M
19
S.S 45 33
671
INJ
21
BI
12
11
FNC
SRB
+B1
D203~206
5
4
OS1
OS2
23
FGO
24
22
FGI
FGG
2
FI
FO
3
BUFFER
FG AMP
AN6680
IC201
SYSYTEM CONTROL
FILTER AMP
ECR
14
PO
VO
13
22 5 6 9
P3
P2
P1
X201
C2BAED000009
IC501
PITCH CONTROL
A1
A2
A3
DRIVE COIL
RECT.
F1
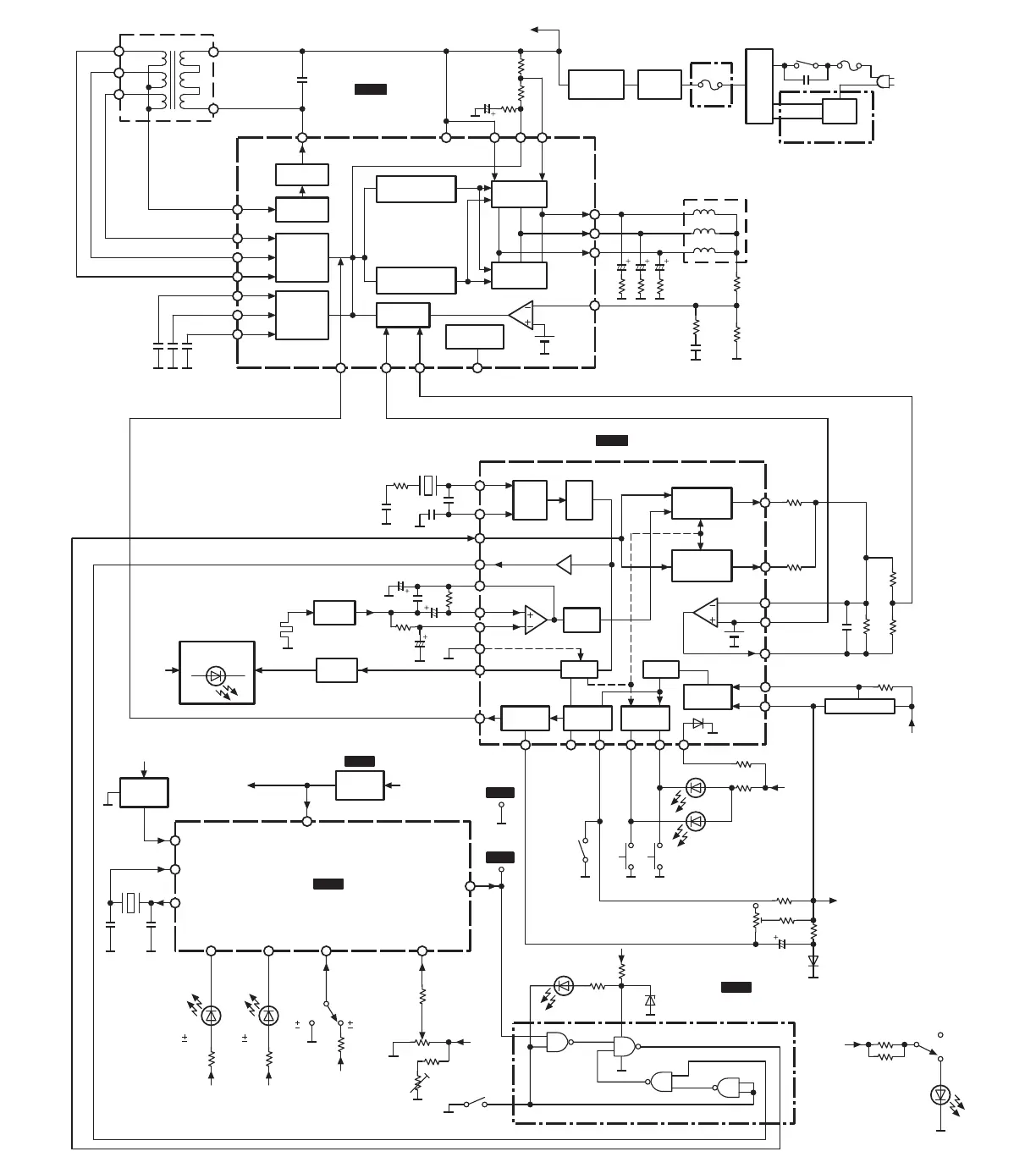
SL-1210M5G(PP,E,EB,GN) BLOCK DIAGRAM
FAI 16
17
+B3
+B3
S502
(PITCH
SELECT)
VR303
(PITCH ADJ)
VR501
(PITCH
CONTROL
GAINADJ.)
+B3
D502
()
22
+B3
D501
()
REGU-
LATOR
NJM78M05FA
IC502
+B3
19
20
X501
RESET
Q501
+B3
18
P30/
AN0
P07/
AN8
C
P16/
(LED6)
P17/
(LED7)
8
8
16
16
/RESET
XIN
XOUT
VCC
P02/SCLK2
TP27
GND
BS
VOLT
SEL
S602
For [E,EB,GN] areas.
F2
For [PP] area.
C
ON
OFF
S401
+B1
D505
(STYLUS
ILLUMINATOR)

Related product manuals