EasyManua.ls Logo

Technics SL-DZ1200PP - Page 148

Technics SL-DZ1200PP
174 pages
Print Icon
To Next Page IconTo Next Page
To Next Page IconTo Next Page
To Previous Page IconTo Previous Page
To Previous Page IconTo Previous Page
Loading...
121110987654321
A
B
C
D
E
F
G
H
S1101
(POWER)
D1110
C1120
0.1
L1120
4 3
1 2
R1120
3.3M
L1121
4 3
1 2
C1122
1000P
C1123
1000P
4
D1140
B0EDKT000002
1
2
C1121
0.01
T1150
(POWER TRANSFORMER)
1
2
3
4
5
6
12
11
10
9
8
7
LB1122
VLP0056-T
D1157
B0BB17000004
R1209
1K
IC1200
C0DAEJC00003
ERROR VOLTAGE DET.
R1200
2K
R1210
10K
C1200
0.047
R1208
1K
1 3 5
2 4
Q1200
B3PBA0000078
PHOTO COUPLER
R1154
12K
R1157
10K
D1152
MAZ4120NMF
C1154
680P
R1151
1K
C1152
100P
R1152
10K
IC1150
C0DACZH00008
POWER SUPPLY
C1151
150P
C1150
35V56
R1150
22
D1151
B0HCMM000001
1
2
4
3
C1143
400V120
C1124
1000P
C1153
0.01
D1156
MA111TX
R1156
24K
R1155
0
1 2 3 4 5
2
1
3
4
5
6
7
8
9
10
11
12
13
14
IC1410
C0DBAJG00005
POWER SUPPLY
1
2
3
4
5
6
7
8
9
10
11
12
13
14
15
16
32
31
30
29
28
27
26
25
24
23
22
21
20
19
18
17
C1406
0.1
D1403
MA185TA
C1416
25V220
C1417
25V220
R1159
3.3K
R1160
3.3K
C1402
0.047
D1400
MA111TX
C1421
0.1
C1419
10V220
C1409
10V1000
R1400
330K
R1401
1M
C1407
100P
R1402
10K
R1403
2.2K
R1405
150
R1406
10K
R1407
820
C1408
1000P
R1404
47
R1408
22
R1409 22
L1400
33
H
C1405
0.1
C1404
0.1
R1413
10
C1413
270P
C1272
35V220
FP1400
K5H202200005
C1270
25V470
D1271
B0HANM000024
C1425
0.1
12
3
R1211
6.8
C1273
0.1
C1274
25V10
C1423
0.1
C1424
0.1
D1261
B0JAQL000005
C1260
10V1200
C1262
10V470
D1305
B0EAMM000036
R1414
3.3K
C1302
10V220
IC1302
C0DBZHG00012
REGULATOR
R1201
82K
1 3 2
R1206
2.4K
R1204
6.2K
R1203
68K
R1207
10K
C1201
0.047
C1428
0.1
C1429
0.1
DE
DE
DE
3R3V
REG5V
UNREG20V
UNREG20V
ME
ME
ME
UNREG7V
+15V
AE
UNREG-15V
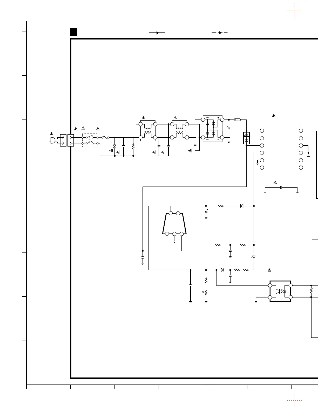
SCHEMATIC DIAGRAM
-
15
P
POWER SUPPLY CIRCUIT
To JACK
CIRCUIT
(CN2014)
on SCHEMATIC
DIAGRAM
-
12
C
SL-DZ1200(PP,EB,EG,EP,GN) POWER SUPPLY CIRCUIT DIAGRAM
P1101
AC IN
120V 60Hz ... [PP]
220-240V 50Hz ... [EB,EG,EP,GN]
F1101
T1.6AL ... [EB,EG,EP,GN]
1.6A ... [PP]
3
L1401
22
H
C1414
3.3
L1402
22
H
C1422
0.1
C1401
0.1
L1403
22
H
P1102
L1270
10
H
L1260
10
H
IC1201
C0CAALE00002
REGULATOR
L1404
VLP0056-T
W1103
ET1
W1102
IC
:POSITIVE VOLTAGE LINE :NEGATIVE VOLTAGE LINE
4.4V
3.5V
3.5V
23V
6.7V
3.5V
3.5V
3.5V
3.5V
23V
23V
23V
23V
7V
2.4V
0.9V
4.8V
14.8V23V
6.3V 6.3V 5.3V 5V
5.7V
4.7V
4.7V 2.5V

Related product manuals