EasyManua.ls Logo

Technics ST-CH505 - System Block Diagram

Technics ST-CH505
24 pages
Print Icon
To Next Page IconTo Next Page
To Next Page IconTo Next Page
To Previous Page IconTo Previous Page
To Previous Page IconTo Previous Page
Loading...
|
ST-CH505
ST-CH505
@
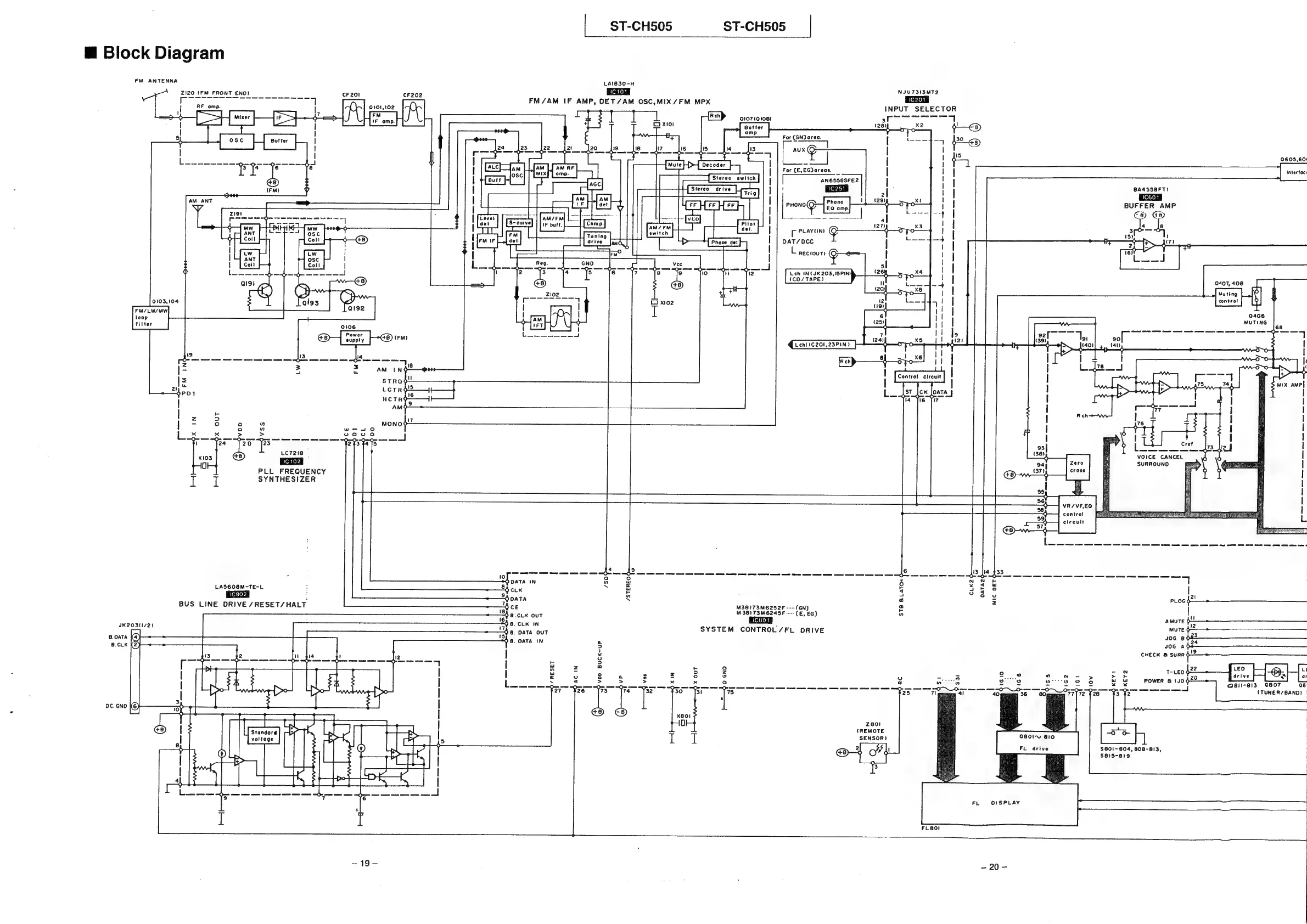
Block
Diagram
FM
ANTENNA
LAIB30-H
Z120
(FM
FRONT
END)
CF201
CF202
Ic
11
NJUT3I3MT2
FM/AM
IF
AMP,
DET/AM
OSC,MIX/FM
MPX
INPUT
SELECTOR
Q101,102
ce
vamn
[Reh]
0107(Q108)
Buffer
omp
[
|
!
|
|
>
For
(GNJ
crea.
to
0605,601
Interface
For
CE,EGJareas.
[
ANG6558SFE2
=o
ee
'
BA4558FTI
J
I
ic601
|
BUFFER
AMP
cH)
ae
p
Peavany
DAT/DCC
L
REC(OUT)
|
SSS
ae
ee
rs
Q103,104
FM/LW/MW
loop
filter
0407,
408
0406
Muting
control
MUTING
ap
acces
a
eS
wees
[Lehiic201,23PIN)
|
I1C201,23PIN)
{an
\9
3
|
|
Be
ees
a
a
O
z
=
3
ie
:
[coir
ereut]
|
re
Six
amp]
2p
y
Ist_]cx
Joata
y
y
|
|
14
16
om
Z
|
g
|
|
=
Yi
|
t
4
=
iy
|
-
°
fe}
7)
MONOY
uy
|
Q
n
we
aw
0
2
4
L
x
x<
>
>
eooavad
J
y
|
ee
OS
a
ee
oh
oe
pee
as
;
1
24
-
‘a
2
F344
75
l
Lc72ie_
Perera
|
:
VOICE
CANCEL
ue
¢8)
SURROUND
:
|
PLL
FREQUENCY
:
I
I
I
SYNTHESIZER
&
|
Ui
eee
ee
ee
ee
i
a
ee
|
eee
(OF
Sl
eS)
ee
|
9
control
3m
circult
L
|
a
a
a
a
a
a
a
oe
ee
IE
[ia
fia
$33
:
/
et
ae
es
as
a
Sa
as
Ba
es
es
eS
;
Q
DATA
IN
a
id
3
2:26
a
LAS608M-TE-L
:
Bek
XS
4
g
Ye
8
|
z
a
a
cP
ae
:
QOATA
Ms
o
=
BUS
LINE
DRIVE
/RESET/HALT
ce
Mss
eueeR
TON
2
184
5
CLK
OUT
M38173M6245F
---.
(E,
EG)
=
16h
JK
2031/2)
96.
CLK
IN
-
48.
DATA
ouT
SYSTEM
CONTROL
/FL
DRIVE
mute
ee
ee
pe.
oara
Joe
44
B.CLK
2)
‘acta
s
wos
ad
'
-
|
M
CHECK
@
suRR
4
—-<4
g
dum ad)
a
a
a
a
he
ee
ey
5
Lr
bs
|
a
z
a
ad
o
°
|
|
w
5
2
2
z
2
Fe
a
2
«©
T-LEO
4
|
C4
rs)
°
a
a
=
°
°
re)
awe
|
ss
A
|
casts
nee
ae
te
tee
aie
th
7
°
22
Geis
0807
=
So
>
=
So
oe
an
Hy
sl
0
es
P
_——
ee
cee
ee
eee
come
een
eee
exe
ann()
(TUNER/BAND)
e
3
i
|
0C.GNO
.
iS
ort
|
€)
C8
x80oi
>
|
La
|
Oo
Z801
:
oh
(REMOTE
.
|
se
|
er
F
I
a
SENSOR)
o8ol~
B10
DI
may:
FL
drive
$801-804,
808-813,
$815-819
®
Tis
eral
nine
|
j
Ley
oa
tad
ES
|
|
|
Li
a
eh
ee
Sl
9
7
6
I
OISPLAY
~19-

Related product manuals