EasyManua.ls Logo

Technics ST-CH505 - Page 16

Technics ST-CH505
24 pages
Print Icon
To Next Page IconTo Next Page
To Next Page IconTo Next Page
To Previous Page IconTo Previous Page
To Previous Page IconTo Previous Page
Loading...
05
ST-CH505
|
.
ST-CH505
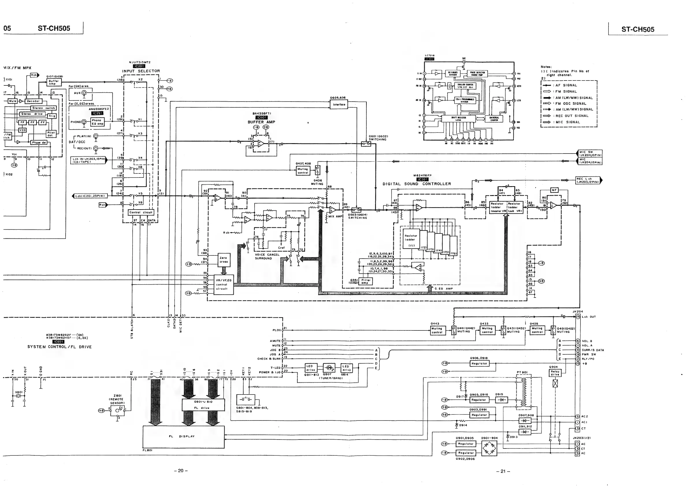
Lc72is
NJUT3ISMT2
MIX
/FM
MPX
INPUT
SELECTOR
Notes:
1)
(
)indicates
Pin
No.
of
——
xd)
-
[Ren]
910710108)
ales
7,
[|
DER
-—_
9)
$
right
channel.
1x01
(zy
x2
x
ar
@)
ae
ee
on
1
i
amp
.
ie
For
(GNJ
area.
|
---1-4
bog
ruin
Hh
ee
|
Eee
:
oo
:
AF
SIGNAL
|
vr
dis
_
iis
14
_iis
|
|
|
—>
+
FM
SIGNAL
PLETED
gerne?
U
EREeS
Ue
im
.
“7
|
fy
0605,606
ii
nea
|
mm
AM
(LW/MW)SIGNAL
|
»
EE pg
For
(E,EG}orecs.
_
|
|
|
inertce
|
|
used
tM
OSC
SIGNAL
|
{
ANG6SS8SFE2
|
|
j
>
AM
(LW/MW)
SIGNAL
Me
siier
ave
Tee
Fic251
|
A4SS6FTI
PT
trig
|
\
|
|
|
.
Piccor
|
«
[==>
©
REC
OUT
SIGNAL
|
[re
H
re
HF]
Y
i]
bees
ee
"@®
y
|
amp
:
MIC
SIGNAL
|
Ht:
|
a@
22
ee
1
|
v0
(5)
ppeavun
|
|
Q601
(0602)
DAT/DCC
|
—4+
SWITCHING
I
bo
O]
L
reciour»
O-<
|
I!
!
nie
|
MIC
SW
1
|
(JK
204,10PIN)
9X4
\
MIC
|
0407,
408
—_
(3K204,I2PIN)
ar
a
j
2
Le
sil
a
!
M62408FP
REC
Lch
‘eed
||
(25)
Let
DIGITAL
SOUND
CONTROLLER
anges
ert
7
il
(24)
xs
tl
|
ee
ce ce
ee
ee
ee ee
ee
ee
IN
g—O-
TO
?
-
14
[Ren]
;
apo
Xs
|
cA
cn
|
les
v
é
f
band
Ladd
rf
dd
|
phe
HO
mca
mix
AMP]
SwitcHING
d
(a
STAT
Resistor
iedder
ae
————
>|
12,9,6,3,100,97
(19,22,25,28,34),
11,8,5,2,99,96
(20,23
126,29,32)h
10,7,4,1,98
24,27,3
VOICE
CANCEL
SURROUND
|
(Lk:
VR/VF,EQ
control
circult
uk
204
Ne
eas
a
es
eS
a
Sta
I
cs
el
a
SS
es
ee
as
te
Oe
en
7
(39]
uch
out
3
N
a
-
7
E
Ea
|
0443
0433
|
e408
2
°
Eo
pros
$2!
Muting
fo]
044110442)
[muting
d].0431(0432)
|
muting
d]
040110402)
=
control
'
MUTING
control
|
MUTING
contro!
L
|
MUTING
M38
173M6252F
----
(GN)
td
|
M36173M6245F---
(E,
EG)
0
amuTe
6
A
9}
vor.
SYSTEM
CONTROL
/FL
DRIVE
sia
OR
sf
RO
vee
JOG
8
8S
A
c
2)
SURR/B.
DATA
yoga
bs—————___________________________
ig
D
ie
PWR
SW
CHECK
&
SUS
c
0906,
0918
E
2)
RLY
/PO
-
D
[
Reguiator
|
(15)
+8
E
0904
48)
5)
PT
901
ee
x
OUT
QBit-813
9807
814
(TUNE
M/BAND)
9905,
0916
o91s
Regulator
0903,0991
Regulotor
><]
8]
zsol
(REMOTE
SENSOR)
$801-
8604,
808-813,
$815-6819
Fu
OISPLAY
0901,0905
0901-904
|
Reguiotor
|
Regulator
Q902,0906
FLBO!
@
@
-20-
-21-

Related product manuals