EasyManua.ls Logo

Technics ST-G470 - System Block Diagram

Technics ST-G470
18 pages
Print Icon
To Next Page IconTo Next Page
To Next Page IconTo Next Page
To Previous Page IconTo Previous Page
To Previous Page IconTo Previous Page
Loading...
Samer
/t)
m
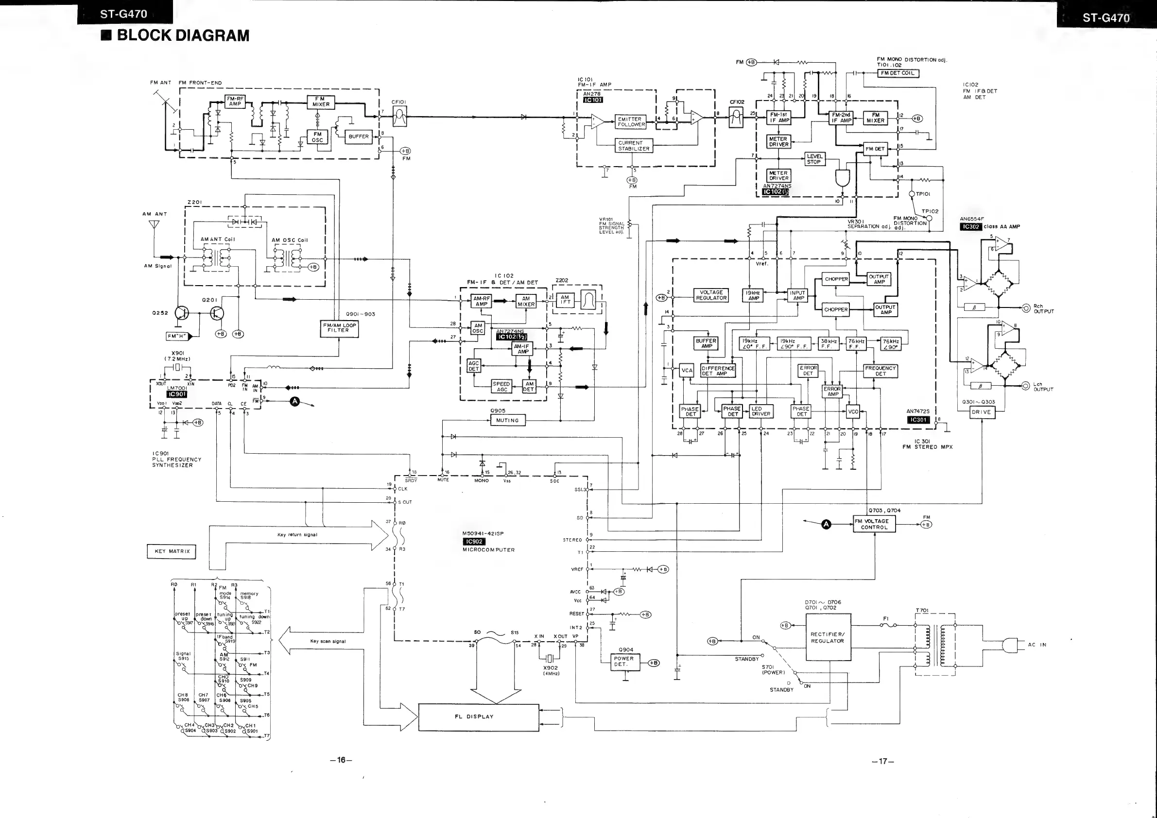
BLOCK
DIAGRAM
FM
MONO
DISTORTION
adj.
FM
GB)
q
TIOL.102
IC
101
1C102
FM
ANT
FM
FRONT-END
EEO
fos
ates
eee
EE
FM
IF
&
DET
ee
ee
ee
ee
ee
j
AN27e
a
]
24]
23
21}
20
19
6
AM
DET
FM-RF
FM
|
2
CFIO2
mee
Om
“O=
“0
|
|
Fr
Lae
7
I
8
(}{
2
FM-Ist
FM-2nd
12
t
i
?
Te
P
EMITTER
|_
Ja
]
64
>
y
tal
IF
AMP
1F
AMP
aie
|
a,
:
j
at
FOLLOWER
AN
maw
arte
te
:
6
b
|
STABILIZER
l
a
Ba
ay
eS
ee
tt)
FM
I
|
.
Le
et
=p
et
ed
7
5
‘ih
ok
Sanita
|
Y
G8)
FM
2201
AM
ANT
are
ahi
EM
MONO
~™
AN6554F
FM
SIGNAI
F
>
eM
eheny
SEPARATION
adj.
adj.
[KoRTP
class
AA
AMP
|
LEVEL
adj.
&
AM
Signal
ro
4B)
p
|
|
Ea
ic
102
3
;
FM-1F
&
DET
/AM
DET
r--
---4
|
2
Se
ae
ge
ee
et
et
VOLTAGE
|
1
AMRE
aM
lel
[am
ie
|
REGULATOR
y
"|
amp
MIXER
TLIFT
1
|
{
2
|
©)
Reh
L
4
AME.
OUTPUT
a252
Q901~
903
|
(a
yr
|
4,
8
FM/AM
LOOP
26
4_.|
am
46
|
>
FILTER
osc
:
27
|
#
|
4
|
SF
13
ae
LF.
F.
|
x90!
12
(7.2
MHz)
|
fae
a
|
eS
;
i
poe
ties
|
9
5
6S)
Leh
spec
Law]
_t2
|
sy
1
|
on
D
otter
V
bese
a
es
|
Q301~
303
Q905
anza72s.
|
MUTING
|
1C301
|
8
po
Om
me
am
ae
re
a,
22
al
20
19
18
{17
<a
=
Ic
301
FM
STEREO
MPX
1c
901
n
[
PLL
FREQUENCY
x
a
SYNTHESIZER
s
13
ANG
Ais
26
32
ca
13
—_
-
TC
SRDY
MUTE
MONO
Vss
soc
7
7
Q703
,
Q704
FM
VOLTAGE
CONTROL
Key
return
signal
S
M50941-421SP
i
1C902
STEREO
22
R.
KEY
MATRIX
34
3
MICROCOMPUTER
10
!
a
56
RO
RI
R2
R3
um
'
FM
4
AVC
mode
memory
$914
hess
Vee
D701
~
D706
Q70!
,
Q702
sem7
RES
io
preset
ETS
aa
Bh
,
|
INT2
SO
—~\_
815
RECTIFIER/
|
XIN
XOUT
VP
REGULATOR
|
Key
scan
signal
SS
~~
Jet
4
8
fae}
29
38
|
AC
IN
.
\
Signal
q
STANDBY
~
\
|
RN
X902
Ae
$701
*
4.
q
|
(4MHz)
(POWER)
US
eras
ol
°
STANDBY
CHB
$908
fox
Pox
A
FL
DISPLAY
ges
NOX
CH4
YY
CH3SGYCH2
Yn
CH
1
x
ae
Ss80s
a
sate
$901
a
wy
16
-17-

Related product manuals