EasyManua.ls Logo

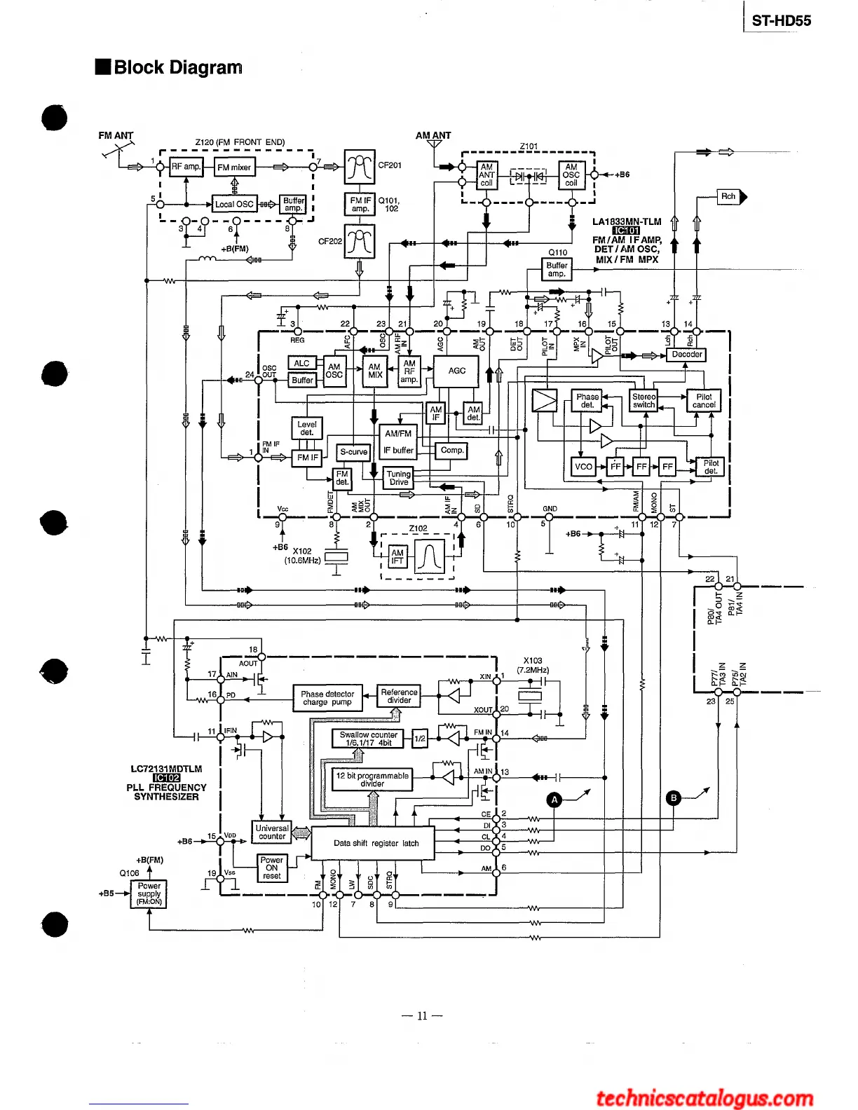
Technics ST-HD55 - Block Diagram

Technics ST-HD55
28 pages
Print Icon
To Next Page IconTo Next Page
To Next Page IconTo Next Page
To Previous Page IconTo Previous Page
To Previous Page IconTo Previous Page
Loading...

Related product manuals