EasyManua.ls Logo

Technics SU-G95 - Page 13

Technics SU-G95
28 pages
Print Icon
To Next Page IconTo Next Page
To Next Page IconTo Next Page
To Previous Page IconTo Previous Page
To Previous Page IconTo Previous Page
Loading...
|
!
|
|
d
|
!
ce
note
—14,9V-
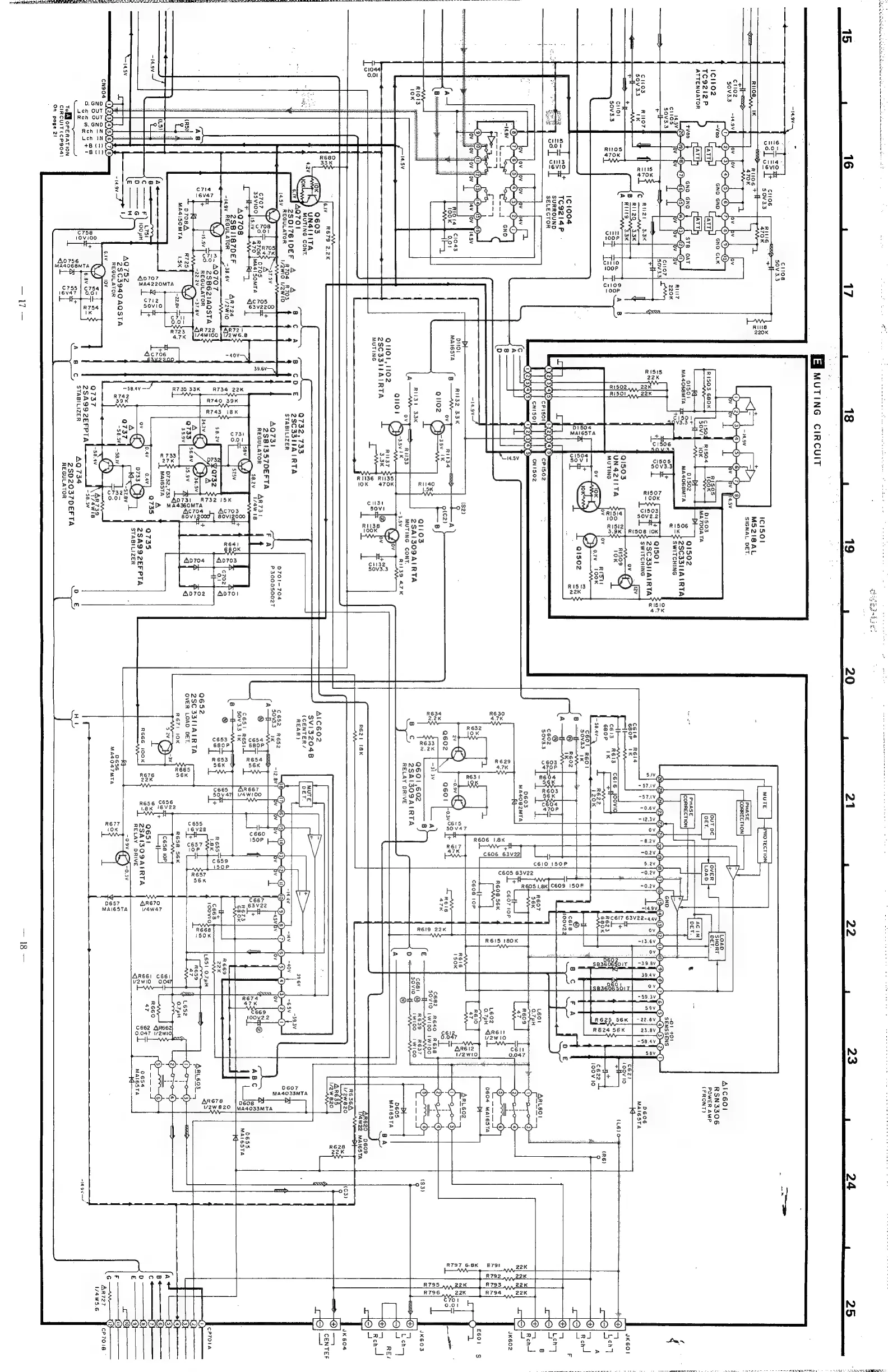
(cilo2
Tco92i2P
ATTENUATOR
icISOl
M5218
AL
SIGNAL
DET.
—14.9¥
14,5¥
Rios
470K
RIES
470K
0.01
SWITCHING
Qisol
2SC33HAIRTA
SWITCHING
2s
=N
an
Rti2t
3.3K
3.3K
3.3K
[Si]
zai
lee
Acs
UN42IITA
sey
Tse
MUTING
.-4
Lad
w
wo
Z
1C:1004
Tc9214P
SURROUND
SELECTOR
CNISO2
c
r
.
A
a
2
8
:
:
>
ae
DItol
MAIGSTA
RII3t
Qilol,ito2
2SC33IIAIRTA
MUTING
Tofad
OPERATION
CIRCUIT
(CP904)
On
page
21
MOOaPr
(
=
®
2
ov
Qlto2
=
HN
33K
Q1i03
MUTING
CONT.
2SAIZ09AIRTA
-3.5V
Ril39
4.7K
ox
@;
Ov
Ro
4
zs
22/2
ov
+006
Morn
2
ar
OD
©
rr)
%
=o
My
v
=36
on
55
a
«2
Aic60i
RSN3306
POWER
AMP
(FRONT)
t
>]
>)
>)
>T1
>
>
2V2
-
z
x
ele}
ec]
218
SL
SEN
oe
es
°
o
2
ca
Ty
rpeye
ys
Tha
:
a
D606
1
1
i
'
1
7
;
ooo,
C6l4
REI4
w
.
680P
1K
a
one
:
rs
airs
100V
10
1}
§
s
|
¥
0
ce13
ROI3
C&IE
JOVI
7
218
esop
1K
[Fd
a
Se
i
R622
o
58.4
eae
ele
C601
REO!
50V33
1K
fs
ee
ja
8B
t+
3
a
A
al
To
m
[eo
P
8
ox.
09.
pis
$
Ow.
§0V3.3
ety
ee
bard
ST
°
¥
=
o
=
|]
of
2
0603
y|
3
MASO82MTA
x
a
fg———}
r.)
o
>
wo
|t
tO)
°
C607
1oP
Ox
x
[ro
o
he
2S
o|
|%
R608
s6eK
:
av
=
Pad
;
8
c
2
Vv
°
ot
a
Q601I,602
c
2SAIZO9AIRTA
RELAY
DRIVE
C608
IOP
R797
6.8K
df
c682
R640
R638
50V10
Iwioo
IwI00
R639
R637
Iwtoo
=|
WI0O
MAIGSTA
2SB11870EF
AR724
-14.9v
REGULATOR
=38.6V
i/2WI0
1/2W6.8
~40V
AR721
R734
22K
R740
39K
R735
33K
MA4220MTA
r
q
gs
Ap707
AQ752
gx
2SC3940AQSTA
xo
REGULATOR
«
2SA992EFPTA
STABILIZER
R732
15K
AG360MTA
Ac704
80vI
Aod73)1
0732,733
MAIGSTA
ae
M
AQ
734
2SD020370EFTA
REGULATOR
AW
6.1V
R679
2.2K
Q603
MOTING
CONT
,
Q732,733
eizesioer
A.
A.
8
©
A
‘B
CDE
a2sc33tiAIRTA
R704
R703
STABILIZER
REGULATOR
172wid
/2Wwio
oaeeties
AQ73!
P
30005002T
3
2SBI3570EFTA
FA
a
REGULATOR
AR731
se
1/4W
18
2SA992EF
PTA
STABILIZER
BA
R636A
1/2W
820
AR635
172
W
820
pate
AlC602
SVI132048
:
(CENTERS
7
REAR)
J
°o
oo
a
=
a
8
e
x8
oS
=
oo
oo
of
ae
7
oe
0655
ee
og
eral
ot
ao
S
a
139
ae
a
(i
AOR
e
Ss
w
nx
gs
cPTora
Q652
of[
x.
BS
2SC
33HIAIRTA
Boe
aor
See
OVER
LOAD
DET.
oy
offs
Of
o
R671
10K
eo
4
R658
56K
°
Ou
SET
HOW
tae
7
o>
C658
10P
os
gg
oe
[+
NS
o>
gz
=
Og
oO
EAS
i
G}
ne
ox
oF
a
R660
“=
EEE
©
Reel
5
25s
Q65!
ce
ze
aes
R666
100K]
en
an
2SAIZO9AIRTA
<q-
ex
Bo7
ee
|
eee
RELAY
DRIVE
ae
v9
manors
PA
@
~0
ov
=0.3¥
&
a
_——
ara
hy
56
C5}
MA4QO47MTO
DO
ae
F
2
i
AR727
cP7018
1/4W5.6
~149v—

Related product manuals