EasyManua.ls Logo

Technics SU-V45A - Block Diagram

Technics SU-V45A
14 pages
Print Icon
To Next Page IconTo Next Page
To Next Page IconTo Next Page
To Previous Page IconTo Previous Page
To Previous Page IconTo Previous Page
Loading...
For
other
areas
(XA)
F
Ass
T3.15A
(POWER)
(SWITCHED)
A
Ac
OUTLET
AFI
Ass
AC
220V
|
(50/60Hz)
1S
A\}
WUNSWITCHE
D)
AC
110/127/220/240V
(50/60
Hz)
A\|
(UNSWITCHED)
—_—-—=—5
@
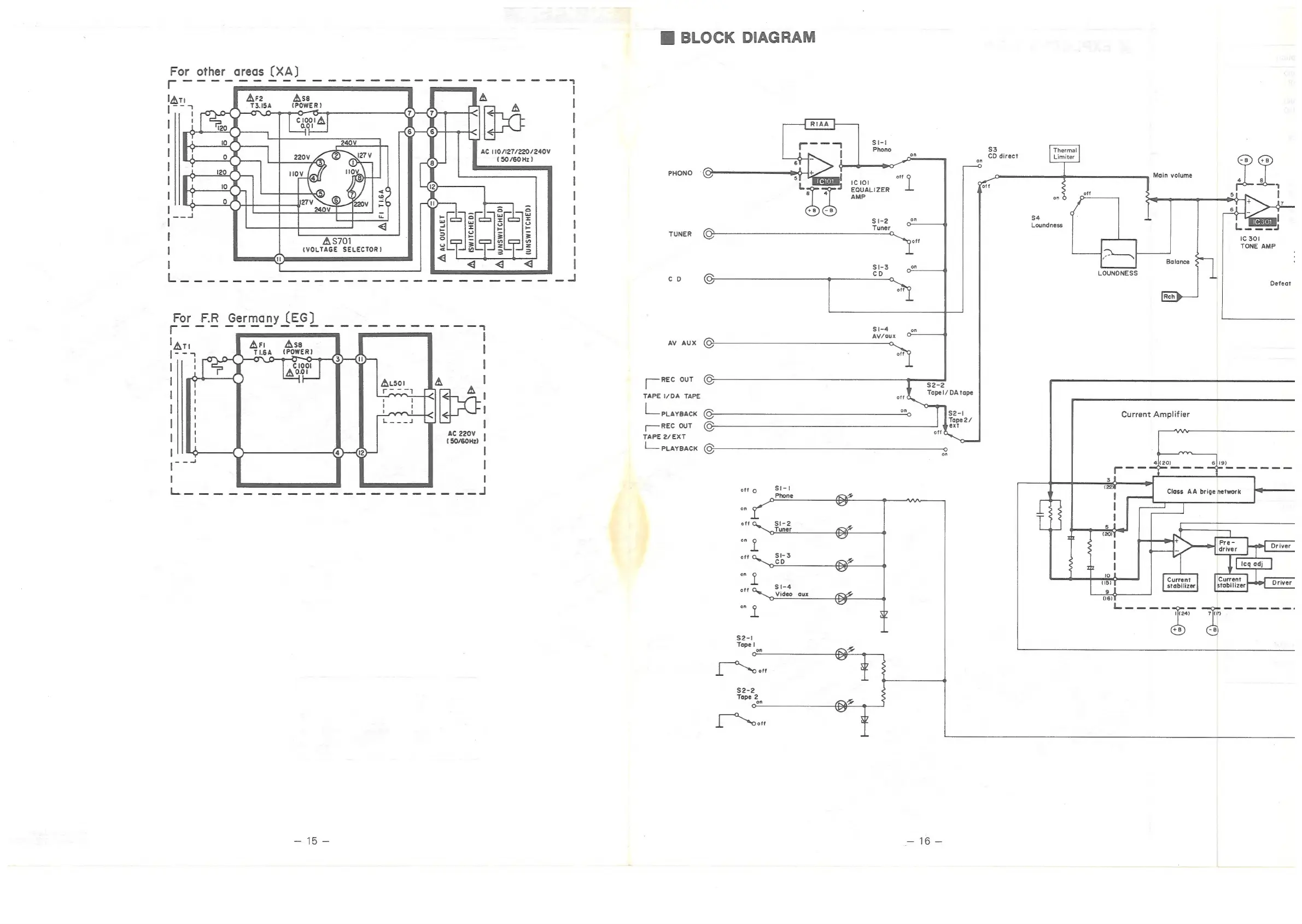
BLOCK
DIAGRAM
Si-l
C
71
Phono
]
on
O
e.
6
©
Oo
PHONO
O
re
off
a
1€101
!
IC
101
i
at
Py
EQUALIZER
AMP.
Sl-2
Pied
Tuner
TUNER
(>
off
S$i-3
oon
cD
cD
0
off
D
SI-4
on
AV/aux
o
AV
AUX
pee
ouT
TAPE
1/DA
TAPE
ang
$2-2
Tape!l/
DA
tape
ere
S
on
S2-I
Tape2/
[REC
OUT
ext
TAPE
2/
EXT
L_
prayBack
gS
on
off
O
=
i6=
off
$3
Thermal
CD
direct
Limiter
n
—o
on
oO
S4
Loundness
off
SN
LOUNONESS
Current
Amplifier
Main
volume
Balance
;
Current
stabilizer
T
4
8
O
O
|
54
|
an
6
ie
30}
IC
301
TONE
AMP
Defeat

Related product manuals