EasyManua.ls Logo

Technics SU-V460 - Page 11

Technics SU-V460
17 pages
Print Icon
To Next Page IconTo Next Page
To Next Page IconTo Next Page
To Previous Page IconTo Previous Page
To Previous Page IconTo Previous Page
Loading...
@
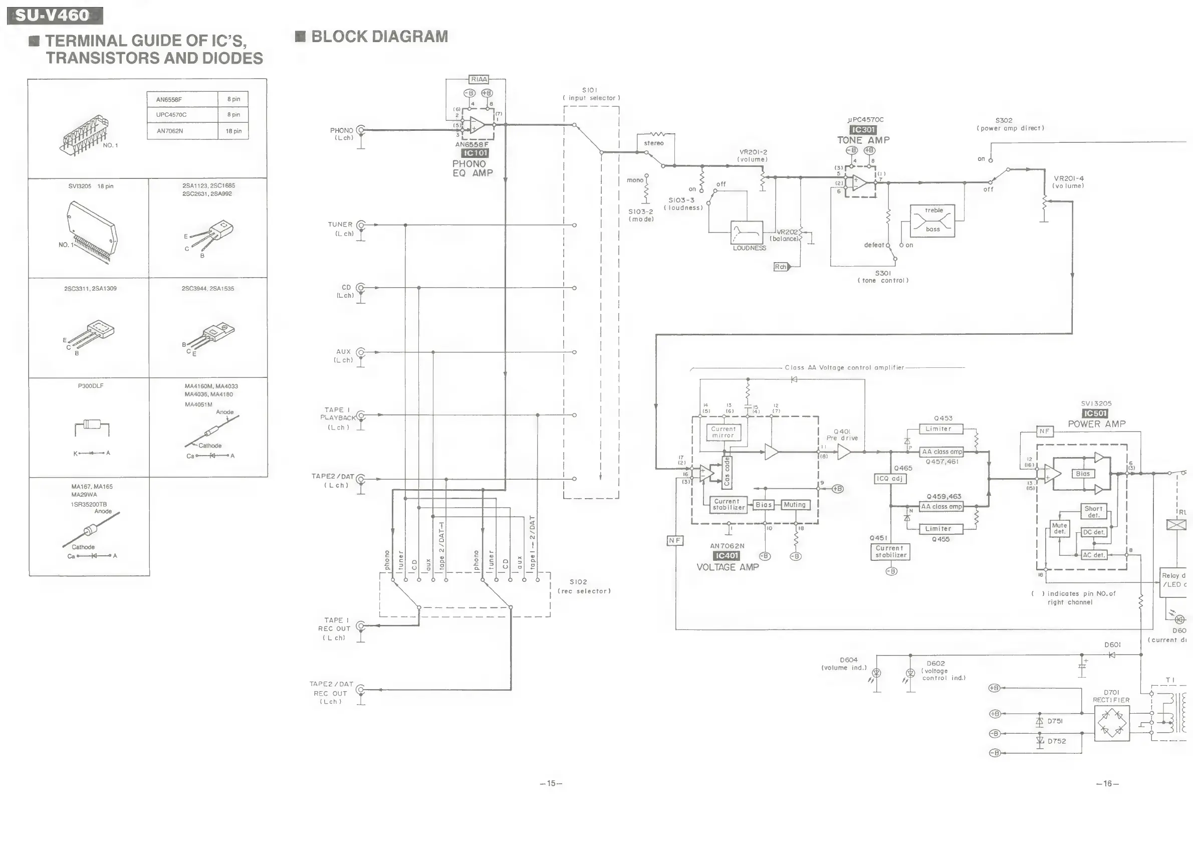
TERMINAL
GUIDE
OF
IC’S,
TRANSISTORS
AND
DIODES
AN7062N
|
t8pin
|
2SA1123,
2SC1685
2SC2631,
2SA992
2S8C3944,
2SA1535
P300DLF
MA4160M,
MA4033
MA4036,
MA4180
MA4051M
Anode
Cathode
Cao—fa-—r
A
MA167,
MA165
MA29WA
1SR35200TB
Anode
m@
BLOCK
DIAGRAM
PHONO
H
(Lech)
AN6558F
TUNER
(O
(L
ch)
cD
(O
(Lch)
AUX
(O
(L
ch)
TAPE
|
PLAYBACK
(Leh
)
TAPE2/DAT
(6
(Leh)
ios
be
(ee
ena,
a
eee
‘2
ee
aa
Wee
T
6
Ee
<q
a
<
!
ele
2
12!
al
xl
2
|
2]
c|
2]
§|
—&]
2]
o}
|
2
|
O
Oo
O O
QO
O
O
O
|
|
Bete
cata
els
9
|
eater)
|
Saks
ay
eae
ee
ee
oe
cee
eee
TAPE2
/DAT
rec
out
YY
(Lech)
Si0l
(
input
selector
)
pT]
|
|
|
t
|
|
|
|
|
|
|
l
|
!
|
|
|
|
|
|
|
|
|
|
|
|
|
l
|
|
|
|
|
|
|
|
|
|
|
|
|
|
|
|
l
|
|
!
!
|
|
|
|
|
l |
Lee
q
$102
|
(rec
selector)
|
P|
=16=
mono
$103-2
(mode)
4
O
wre
5
yPC4570C
$302
iLoscto}
|
(power
amp
direct)
TONE
AMP
VR201-2
|
(volume)
id
a
8
O
7
o.
?
VR20I-4
ff
(2)
>
O
on
¢
Ps
A
|
&
off
(vo
lume)
$103-3
er
(loudness)
treble
——
VR202
bass
(balance).
LOUDNESS
oon
©
[Reh]
$30!
(tone
control)
Class
AA
Voltage
control
amplifier
46
Ms
15
iz
SV13205
(5)
6)
(4)
7)
aa,
i.
4
a
POWER
AMP
|
|
_
e401
Sle
i
oe
Wt
I
=
e
o
ie
AA
class
amp
Q457,461
O
O
|
I
i
sabi
t
stabilizer
IRL
><
AN7062N
Current
ica0r
VOLTAGE
AMP
Relay
d
/LED
¢
(|
)
indicates
pin
NO.
of
right
channel
~
X@
YY
D6O
td
D6EO!
(current
di
as
D602
i+
-
(volume
ind.
@
@
(voltage
i
fey
control
ind.)
TI
pete
0701
RECTIFIER
z|
=16=

Related product manuals