EasyManua.ls Logo

Technics SU-V460 - Page 12

Technics SU-V460
17 pages
Print Icon
To Next Page IconTo Next Page
To Next Page IconTo Next Page
To Previous Page IconTo Previous Page
To Previous Page IconTo Previous Page
Loading...
IC’S,
IODES
2801685
,
2SA992
2
2SA1535
M,
MA4033
MA4180
M
Anode
m@
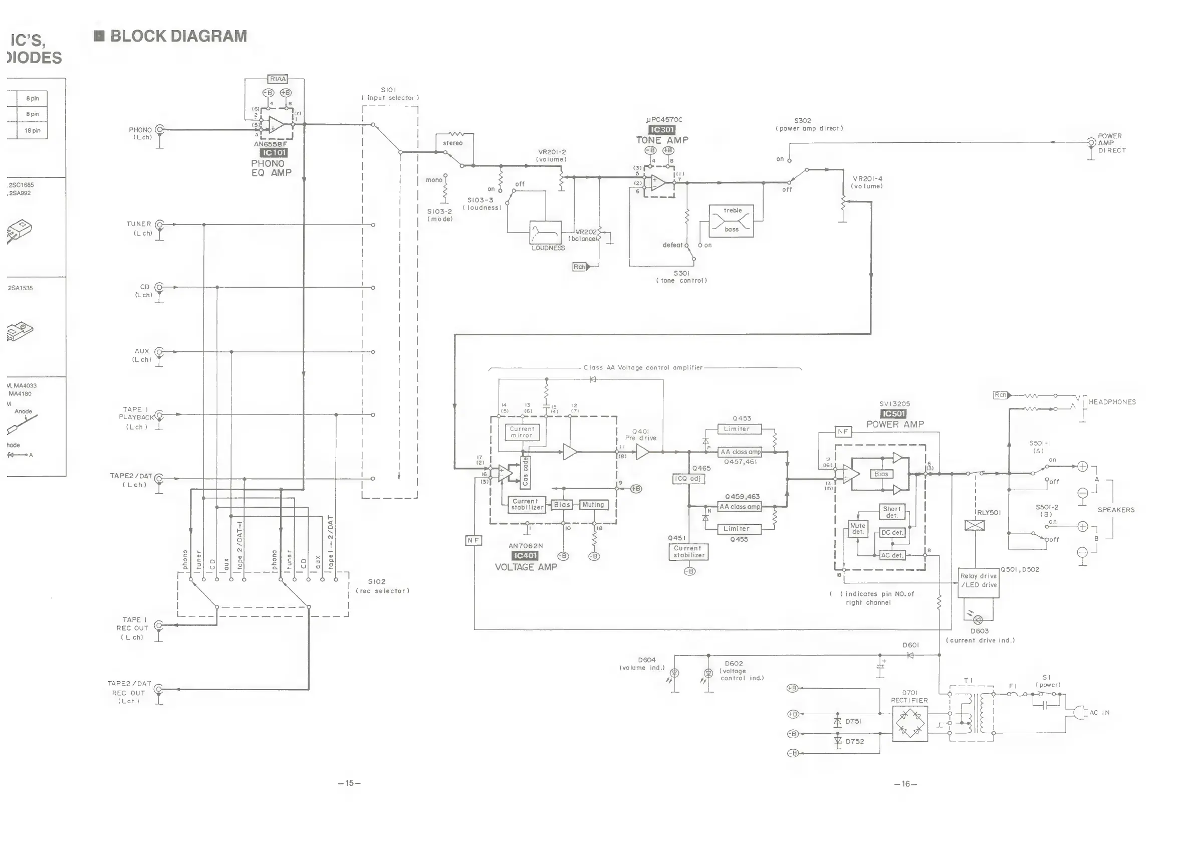
BLOCK
DIAGRAM
PHONO
(O
(Leh)
TUNER
(O
(L
ch)
cD
(O
(Lch)
AUX
(O
(Lch)
TAPE
|
PLAYBACKD
(Leh)
TAPE2/DAT(G
(ich)
TAPE
|
REC
ouT
©
(Loch)
TAPE2
/
DAT
Rec
ouT
©
(Leh)
[hone
S101
(
input
selector
)
‘a
|
oO
|
|
|
|
|
rT
|
|
|
|
|
|
|
|
|
|
|
ho
|
FOI
|
|
|
|
|
|
ls
|
|
|
|
|
|
|
|
|
|
|
|
|!
|
|
|
rr
i
|
|
:
|
|
|
|
|
|
|
fs
|
|
|
|
|
|
|
|
|
1
|
|
1
|
as
t
Bee
ees
|
P|
ct
ht
Ls
Se
eee
ian
eee
A
ray
<
a
~
t
3
pe
els
-
©
x
3]
o|
3]
8
2]
5]
S}
2]
Q
O
oO e)
O
Q
O O O
oO
1
$102
(rec
selector)
6S
ee
9
|
ey,
ae
ae
|
45
mono
$103-2
(mode)
VR201-2
(volume)
off
on
6 O
$103-3
(
loudness)
LOUDNESS
a
Class
AA
Voltage
control
amplifier
Current
stabilizer
VOLTAGE
AMP
VR202
(balance).
yPC4570C
$302
1C301
(power
amp
direct)
POWER
TONE
AMP
AMP
DIRECT
4
8
on
(3)
=
="
Me
VR201-4
7
-
al
>
T
$
(vo
lume)
6
off
=o
treble
bass
defeatQ
oOon
$30!
(tone
control)
°
SV13205
HEADPHONES
Mic501)
O
ml
POWER
AMP
i
=
AA
class
amp}
>
(A)
on
O
:
;
@->
ICQ
adj
i
|
Q459
,463
\
AA
class
amp
!
S$501-2
one
IRLYSOI
(B)
SPEAKERS
ak
SS
on
a
_
&
7
|
Q45!
Q455
Current
|
stabilizer
°
Q50!
,D502
Relay
drive
/LED
drive
(
)
indicates
pin
NO.
of
right
channel
|
~
*@
YY
D603
DEO!
(current
drive
ind.)
D604
ra
.
4
D602
i
(volume
ind.)
(voltage
2
@)
tf
@
a
control
ind.)
RECTIFIER
—16—

Related product manuals