EasyManua.ls Logo

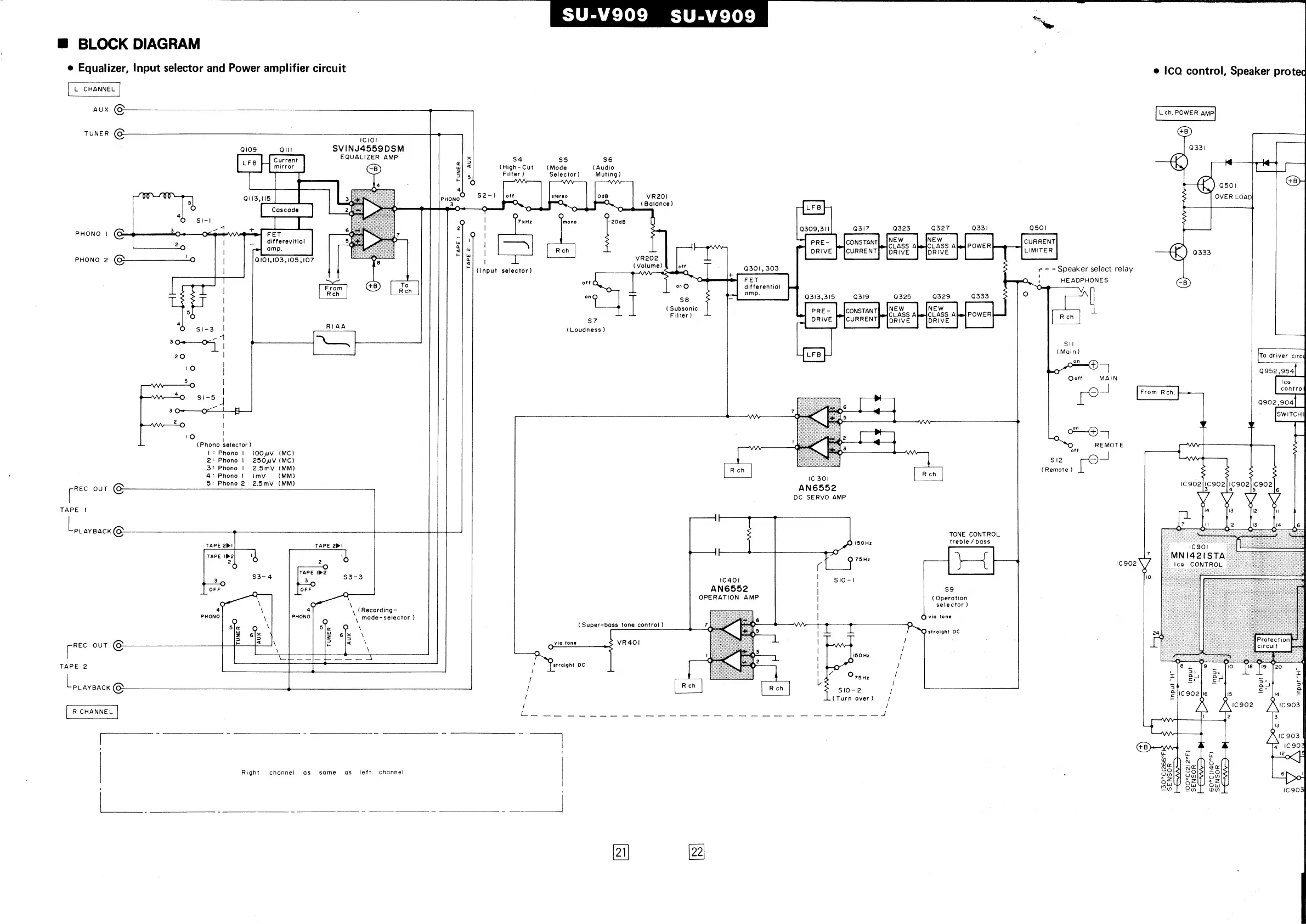
Technics su-v909 - Block Diagram; Equalizer, Input Selector and Power Amplifier Circuit Block Diagram; ICQ Control, Speaker Protection, and Power Supply Circuit Block Diagram

Technics su-v909
26 pages
Print Icon
To Next Page IconTo Next Page
To Next Page IconTo Next Page
To Previous Page IconTo Previous Page
To Previous Page IconTo Previous Page
Loading...

Related product manuals