EasyManua.ls Logo

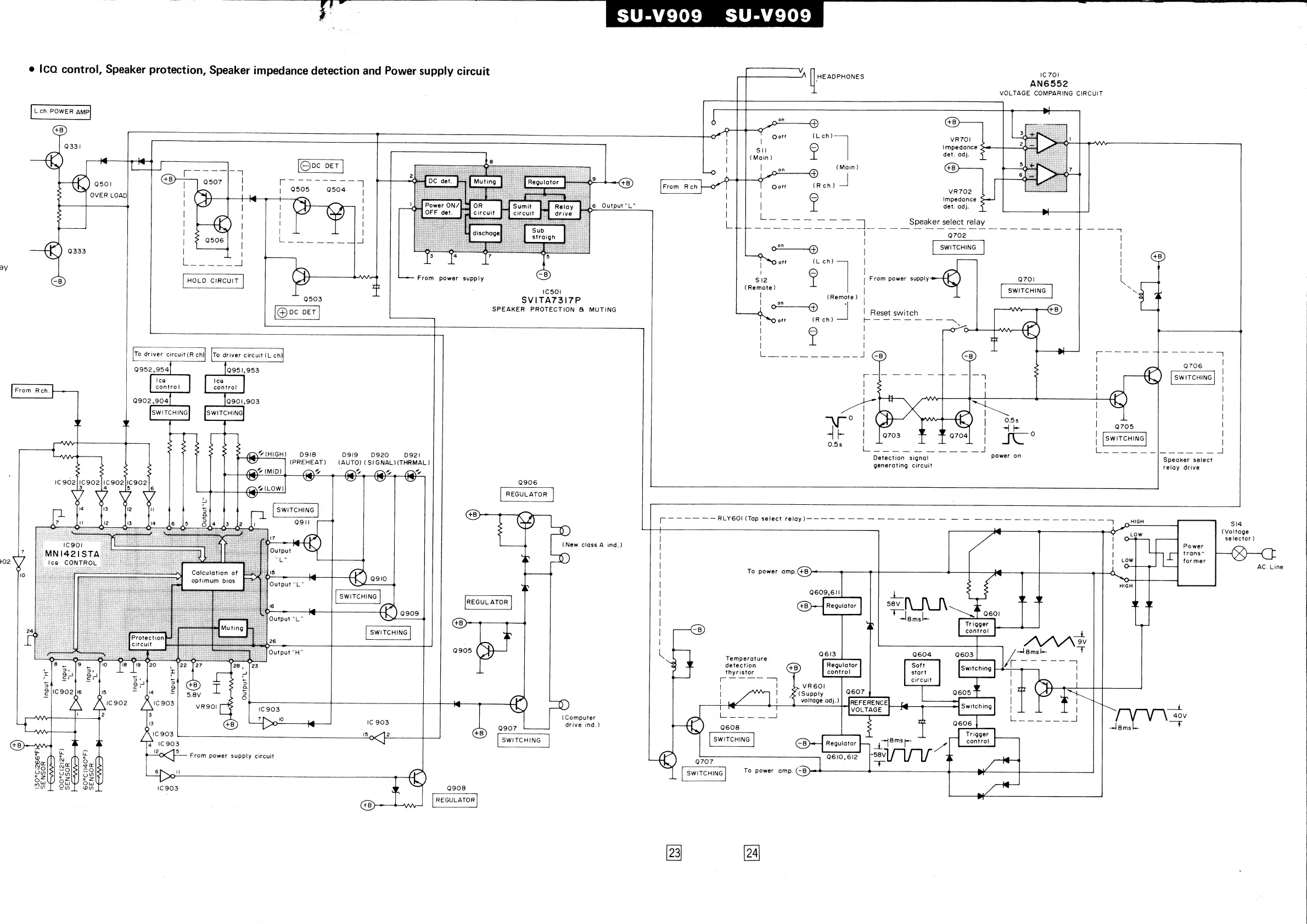
Technics su-v909 - ICQ Control, Speaker Protection, and Power Supply Circuit

Technics su-v909
26 pages
Print Icon
To Next Page IconTo Next Page
To Next Page IconTo Next Page
To Previous Page IconTo Previous Page
To Previous Page IconTo Previous Page
Loading...

Related product manuals