EasyManua.ls Logo

Technics SX-KN1400 - WIRING CONNECTION Diagram

Technics SX-KN1400
68 pages
Print Icon
To Next Page IconTo Next Page
To Next Page IconTo Next Page
To Previous Page IconTo Previous Page
To Previous Page IconTo Previous Page
Loading...
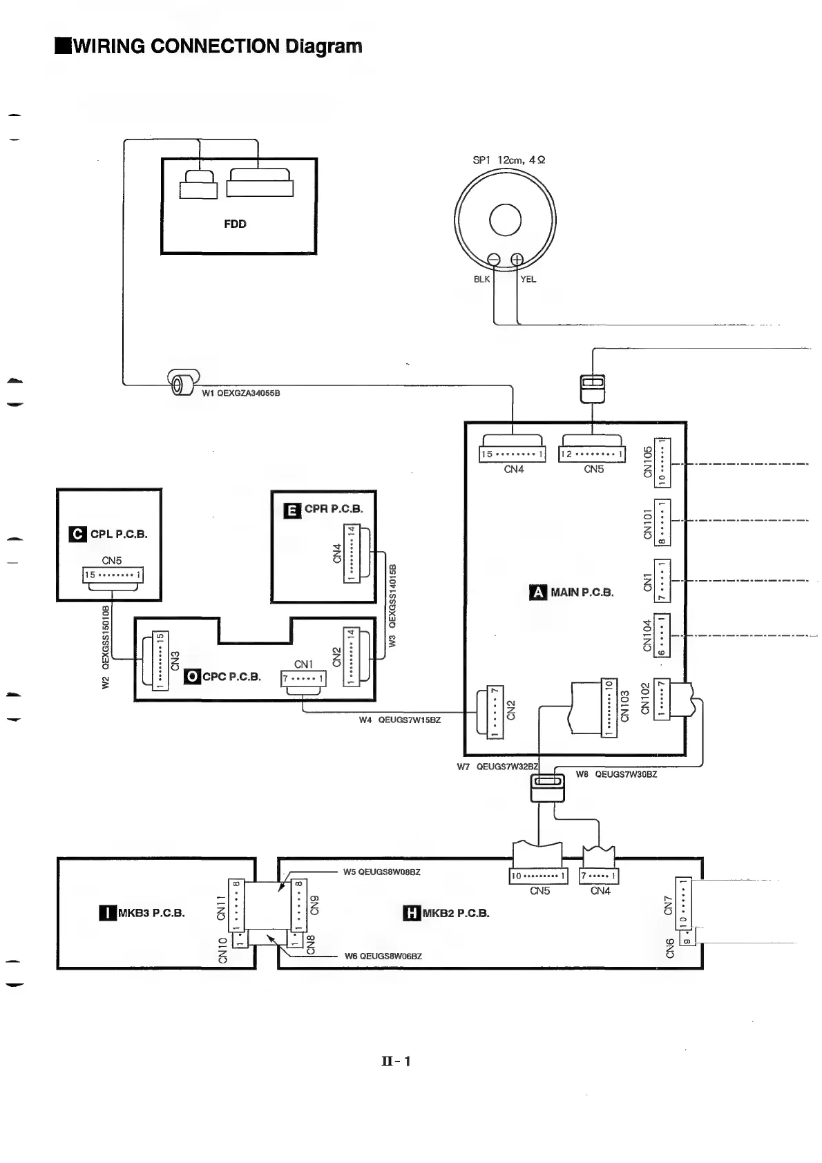
MEWIRING
CONNECTION
Diagram
‘©
CPL
P.C.B.
W2
QEXGSS15010B
Exes
p.ce.
Wt
QEXGZA34055B
|
E
|
CPR
P.C.B.
CN9
CN8
SP1
12cm,
42
ZY
main
p.cs.
W3
QEXGSS14015B
W4
QEUGS7W15BZ
(5)
W8
QEUGS7W30BZ
Ld
W5
QEUGS8W08BZ
J10
verereeee
1
CNS
:
=
Bl:
Ey
mkez
p.c.s.
5]:
W6
QEUGS8WO6BZ

Related product manuals