EasyManua.ls Logo

Technics SX-KN1400 - Page 34

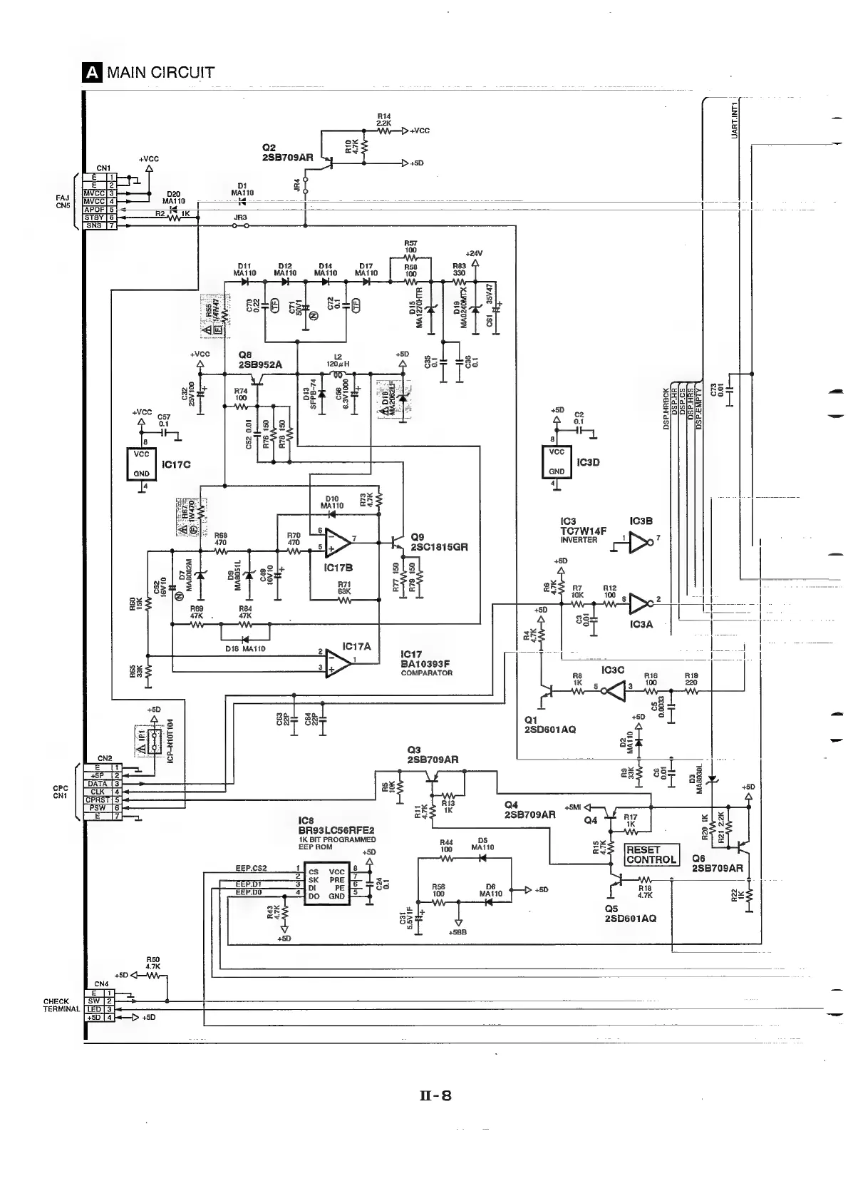
Technics SX-KN1400
68 pages
Print Icon
To Next Page IconTo Next Page
To Next Page IconTo Next Page
To Previous Page IconTo Previous Page
To Previous Page IconTo Previous Page
Loading...
UARTLINT1
|
Dit
MA110
Di2
MA110
014
MA110
C52
0.01
Qg
2SC1815GR
D16
MA110
1017
BA10393F
COMPARATOR
es
%
S38
Fa
+5D
=
ce
:
A
ont
&
iar
vec
Ic3D
GND
4
ICc3
Ic3B
TC7W14F
INVERTER
cl’
+5D
£\
eks
pz
R12
“Siok
100
; 5
se
750
>
Pe
dle
25
eee
ae
mel
IC3A
|
3
Q1
5
2SD601AQ
_
a3
eg
a
8
2SB709AR
T
;
ax
25
I
3
ag
:
O38
if
3
3
DATA
4
ope
CAS
pe
Sa
2
<
45D
errs
eS
g
Q4
er
T
[
Psw_|
-
+
ety
Ics
zy
2SB709AR
¥
BR9O3LCS6RFE2
:
&
1K
BIT
PROGRAMMED
«
EEP
ROM
45D
RESET
a
CONTRO
Q6
EEP.CS2
g
2SB709AR
6
=80
T
a
a
EEP.DO
cae
ae
RIB
aly
:
as
Q5
ai
2SD601AQ
V
+5D
R50
—_
4.7K
ie
+5D
=
CN4
|
E
[1]
re
CHECK
[SW
[2]
>
ae
TERMINAL
[TED
{at
ane
_
acl
[+5D
[4
}<—>
+5D

Related product manuals