EasyManua.ls Logo

Technics SX-PX662

Technics SX-PX662
83 pages
To Next Page IconTo Next Page
To Next Page IconTo Next Page
To Previous Page IconTo Previous Page
To Previous Page IconTo Previous Page
Loading...
A14
A13
A12
A11
A10
A9
A8
A7
A6
A5
A4
A3
A2
A1
A0 D0
D1
D2
D3
D4
D5
D6
D7
CE
WE
DE
VCCGND
2E
1Y0
1DA
1DB
GND
VCC
2DA
2DB
7
16
8
6
5
4
1
2
3
9
10
11
12
15
14
13
1E
1Y3
1Y2
1Y1
2Y3
2Y2
2Y1
2Y0
1
26
2
23
21
24
25
3
4
5
6
7
8
9
10 11
12
13
15
16
17
18
19
20
27
22
14 28
A17
A16
A15
A14
A13
A12
A11
A10
A9
A8
A7
A6
A5
A4
A3
D7
D8
D9
D10
D11
D12
D13
D14
D15
DE
CE
VPPVCC
+5D
VSSVSS
39
38
37
36
35
34
33
32
31
29
28
27
26
25
24
A2
23
A1
22
A0
21
12
D6
13
D5
14
D4
15
D3
16
D2
17
D1
18
D0
19
10
9
8
7
6
5
4
3
20
2
40 1
11 30
A14
A13
A12
A11
A10
A9
A8
A7
A6
A5
A4
A3
A2
A1
A0 D0
D1
D2
D3
D4
D5
D6
D7
CE
WE
DE
VCCGND
1
26
2
23
21
24
25
3
4
5
6
7
8
9
10 11
12
13
15
16
17
18
19
20
27
22
14 28
+5B
5MI
+5B
R45
3.3K
R44
10K
+5B
Z7
100x4
Z6
100x4
H
G
F
E
D
C
B
A
H
G
H
I
F
E
D
C
B
A
Z9
100x4
Z8
100x4
C27
0.1
P
O
N
M
L
K
J
I
P
O
N
M
L
K
J
I
A
B
H
G
F
E
D
C
B
A
P
O
N
M
L
K
J
I
R
Q
H
G
F
E
D
C
B
A
P
O
N
M
L
K
J
I
H
G
F
E
D
C
B
A
P
O
N
M
L
K
J
I
H
G
F
E
D
C
B
A
O
N
M
L
K
J
I
H
G
F
E
D
C
B
A
O
N
M
L
K
J
I
CB
ABC
CA
2SD601AQ
Q5
VCC +5D
C87
0.1P
C89
0.1P
C91 6.3V1000
C90
100P
C88
D17 D18
35V47
D19
EK04W
R92
D16
D20
10K
R98
47K
R96
330
R97
330
R93
100
R94
L4
QLQGT1B101KA
Q7
2SB621A-R
Q8
2SC1815TPE2
0
R95
470
MA8047
MA2062LF
+5D
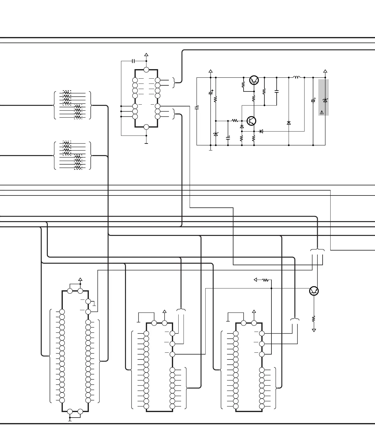
IC6
IC8
M5256DFP70LL
IC9
M5256DFP70LL
IC2
D74HC139GSE2
K3E040Z00003
(4MBIT MASK ROM)
(256KBIT STATIC RAM)
(256KBIT STATIC RAM)
(DECORDER)
SCHEMATIC DIAGRAM-3

Other manuals for Technics SX-PX662

Related product manuals